Nội dung toàn văn Tiêu chuẩn quốc gia TCVN 10893-3:2015 (IEC 60885-3:2015) về Phương pháp thử nghiệm điện đối với cáp điện - Phần 3: Phương pháp thử nghiệm dùng cho phép đo phóng điện cục bộ trên đoạn cáp điện dạng đùn
TIÊU CHUẨN QUỐC GIA
TCVN 10893-3:2015
IEC 60885-3:2015
PHƯƠNG PHÁP THỬ NGHIỆM ĐIỆN ĐỐI VỚI CẤP ĐIỆN - PHẦN 3: PHƯƠNG PHÁP THỬ NGHIỆM DÙNG CHO PHÉP ĐO PHÓNG ĐIỆN CỤC BỘ TRÊN ĐOẠN CẤP ĐIỆN DẠNG ĐÙN
Electrical test methods for electric cables - Part 3: Test methods for partial discharge measurements on lengths of extruded power cables
Lời nói đầu
TCVN 10893-3:2015 hoàn toàn tương đương với IEC 60885-3:2015;
TCVN 10895-3:2015 do Ban kỹ thuật tiêu chuẩn quốc gia TCVN/TC/E4 Dây và cáp điện biên soạn, Tổng cục Tiêu chuẩn Đo lường Chất lượng đề nghị, Bộ Khoa học và Công nghệ công bố.
Bộ TCVN 10893 (IEC 60885), Phương pháp thử nghiệm điện đối với cáp điện, gồm các phần sau:
- TCVN 10893-2:2015 (IEC 60885-2:1987) Phần 2: Thử nghiệm phóng điện cục bộ
- TCVN 10893-3:2015 (IEC 60885-3:2015), Phần 3: Phương pháp thử nghiệm dùng cho phép đo phóng điện cục bộ trên đoạn cáp điện dạng đùn
PHƯƠNG PHÁP THỬ NGHIỆM ĐIỆN ĐỐI VỚI CÁP ĐIỆN - PHẦN 3: PHƯƠNG PHÁP THỬ NGHIỆM DÙNG CHO PHÉP ĐO PHÓNG ĐIỆN CỤC BỘ TRÊN ĐOẠN CÁP ĐIỆN DẠNG ĐÙN
Electrical test methods for electric cables - Part 3: Test methods for partial discharge measurements on lengths of extruded power cables
1. Phạm vi áp dụng
Tiêu chuẩn này quy định phương pháp thử nghiệm đối với các phép đo phóng điện cục bộ (PD) trên đoạn cáp cách điện dạng đùn, nhưng không bao gồm các phép đo thực hiện trên hệ thống cáp đã lắp đặt
Tham khảo IEC 60270, là tiêu chuẩn đưa ra kỹ thuật và các xem xét áp dụng cho các phép đo phóng điện cục bộ nói chung.
2. Tài liệu viện dẫn
Các tài liệu viện dẫn dưới đây là cần thiết để áp dụng tiêu chuẩn này. Đối với các tài liệu viện dẫn có ghi năm công bố thì áp dụng các bản được nêu. Đối với các tài liệu viện dẫn không ghi năm công bố thì áp dụng phiên bản mới nhất (kể cả các sửa đổi).
IEC 60270:2000, High-voltage test techniques - Partial discharge measumments (Kỹ thuật thử nghiệm cao áp- Phép đo phóng điện cục bộ)
3. Thuật ngữ, định nghĩa và ký hiệu
3.1. Thuật ngữ và định nghĩa
Tiêu chuẩn này áp dụng các thuật ngữ và định nghĩa nêu trong IEC 60270.
3.2. Ký hiệu sử dụng trên các hình từ Hình 1 đến Hình 14
α1 cường độ phóng điện được đo với máy hiệu chuẩn ở đầu gần bộ phát hiện
α2 cường độ phóng điện được đo với máy hiệu chuẩn ở đầu xa bộ phát hiện
Ccal máy hiệu chuẩn
Ck tụ điện ghép nối
Cx cáp điện
D bộ phát hiện
I máy phát xung kép
I chiều dài cáp điện
M cáp tín hiệu đồng trục
Q cường độ phóng điện
R1R2 điện trở phối hợp
RS bộ khử phản xạ
v vận tốc lan truyền của phóng điện cục bộ
V bộ chỉ thị điện áp
W nguồn điện
Z trở kháng/bộ lọc
ZA khối đầu vào
Zw trở kháng đầu nối
4. Tổng quan
4.1. Quy định chung
Phép đo phóng điện cục bộ phải được thực hiện bằng cách sử dụng kỹ thuật thử nghiệm quy định trong IEC 60270.
4.2. Mục đích
Mục đích của thử nghiệm là để xác định cường độ phóng điện, hoặc để kiểm tra rằng cường độ phóng điện không vượt quá giá trị quy định, ở điện áp quy định và độ nhạy tối thiểu công bố.
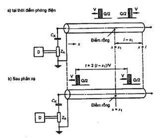
4.3. Vấn đề về xếp chồng của sóng lan truyền đối với các đoạn cáp dài
Các đoạn cáp ngắn vận hành giống như một tụ điện đơn trong đó cường độ phóng điện có thể được đo trực tiếp bằng cách có cáp như một tụ điện đơn. Tuy nhiên, các đoạn cáp dài hơn vận hành giống như một đường truyền dẫn và các xung phóng điện cục bộ lan truyền ở dạng sóng ra khỏi nguồn của chúng theo cả hai hướng dọc theo cáp. Khi đến đầu xa thiết bị đo, xung sẽ bị phản xạ với cùng cực tính nếu đầu đó là mạch hở. Xung phản xạ sau đó sỗ lan truyền ngược trở lại dọc theo chiều dài cáp và tới bộ phát hiện tại thời điểm sau khi xung trực tiếp được nhận. Nếu thời gian đến giữa hai xung là ngắn (hiệu thời gian phụ thuộc vào chiều dài cáp), thì bộ phát hiện có thể cho đáp ứng sai, chỉ ra một cường độ phóng điện lớn hơn hoặc nhỏ hơn so với thực tế. Phương pháp nêu trong tiêu chuẩn này cho chính xác phép đo phóng điện cục bộ trong các điều kiện này.
Hình 1 đến Hình 4 thể hiện sự vận hành của sóng lan truyền và các hiệu ứng xếp chồng có thể xảy ra.

Hình 1 - Vị trí phóng điện chính xác tại đầu cáp xa bộ phát hiện (x = l )

Hình 2 - Vị trí phóng điện tại khoảng cách x = x1 (Sóng lan truyền)

Hình 3 - Độ suy giảm các xung PD dọc theo cáp

Hình 4 - Xếp chồng và suy giảm xung PD
5. Thử nghiệm phóng điện cục bộ
5.1. Thiết bị thử nghiệm
5.1.1. Thiết bị
Thiết bị bao gồm nguồn điện xoay chiều cao áp có thông số thích hợp để cấp điện cho đoạn cáp cần thử nghiệm, vôn mét đo điện áp cao, mạch đo, máy hiệu chuẩn phóng điện, máy phát xung kép và, nếu cần, trở kháng đầu nối hoặc bộ khử phản xạ. Tất cả các thành phần của thiết bị thử nghiệm phải có mức tạp đủ thấp để đạt được độ nhạy yêu cầu. Tần số của nguồn thử nghiệm nằm trong dải từ 45 Hz đến 65 Hz có dạng sóng xấp xỉ hình sin với tỉ lệ giá trị đỉnh trên giá trị hiệu dụng bằng 72 và dung sai tối đa 5 %.
5.1.2. Mạch thử nghiệm và dụng cụ đo
Mạch thử nghiệm bao gồm nguồn điện áp cao, đối tượng thử nghiệm, tụ điện ghép nối và thiết bị đo điện áp cao và phóng điện cục bộ. Mạch đo gồm trở kháng đo (trở kháng đầu vào của dụng cụ đo và khối đầu vào được chọn để phù hợp trở kháng cáp), dây nối và dụng cụ đo. Dụng cụ đo hoặc bộ phát hiện gồm cơ cấu khuếch đại thích hợp, máy hiện sóng, hoặc dụng cụ khác để chỉ ra sự tồn tại của phóng điện cục bộ và để đo điện tích biểu kiến. Hệ thống đo phải phù hợp với IEC 60270.
5.1.3. Máy phát xung kép
Máy phát xung kép là một dụng cụ tạo ra hai xung bằng nhau (với cùng điện tích biểu kiến) theo sau nhau trong một khoảng thời gian có thể biến thiên từ 0,2 µs đến 100 µs. Thời gian tăng của xung không được vượt quá 20 ns (10 % đến 90 % của giá trị đỉnh); thời gian giữa các giá trị 10 % sườn trước và sườn sau không được vượt quá 150 ns. Các xung có thể đồng bộ với tần số nguồn.
5.1.4. Trở kháng đầu nối
Trở kháng đầu nối là một trở kháng, có giá trị bằng trở kháng đặc trưng của đối tượng thử nghiệm, được nối với đầu để hở của cáp cách xa bộ phát hiện. Trở kháng này có thể là tổ hợp điện trở và điện dung (R & C) hoặc điện trở, điện dung và điện cẩm (R, C & L). Các linh kiện phải thích hợp để làm việc ở điện áp thử nghiệm cấp cho cáp cần thử nghiệm. Các yêu cầu bổ sung được quy định trong 5.6.
5.1.5. Bộ khử phản xạ
Đây là một cơ cấu đóng cắt điện tử được thiết kế để chặn đầu vào của dụng cụ đo khỏi các xung phản xạ từ đầu hở của cáp. Việc này đạt được bằng cách chặn đầu vào trong một thời gian cố định sau khi nhận được xung thứ nhất.
5.2. Bố trí mạch thử nghiệm
5.2.1. Xác định đặc tính đặc trưng của mạch thử nghiệm
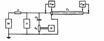
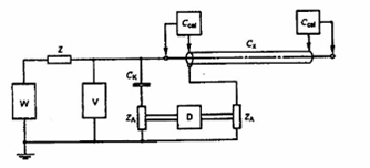
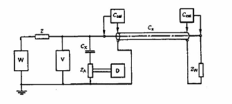
Các đặc tính đặc trung của mạch thử nghiệm có thể được xác định trong các điều kiện được sử dụng. Mạch thử nghiệm thường được dùng để nối với một đầu cáp đơn như được thể hiện trên Hình 5, 6, 7, 8 và 9. Các mạch thử nghiệm tương tự cũng được áp dụng khi cả hai đầu ruột dẫn của cáp được nối với nhau; trong trường hợp này, hai đầu của màn chắn bằng kim loại cũng phải được nối với nhau.
5.2.2. Trở kháng đầu nối
Nếu một trở kháng đầu nối được nối với đầu xa của cáp cần thử nghiệm, với giá trị trở kháng bằng với trở kháng đặc tính của cáp thì cáp sẽ vận hành như thể có chiều dài vô hạn và sẽ không có sóng phản xạ. Mạch để nối trở kháng đầu nối được thể hiện trên Hình 8. Các giá trị (RC và L, nếu áp dụng) của các linh kiện của trở kháng đầu nối và tính thích hợp của nó đối với loại cáp cần thử nghiệm cần được chứng minh bằng cách sử dụng quy trình mô tả trong 5.6. Việc kiểm tra này cần được thực hiện khi đã bố trí mạch thử nghiệm cũng như khi mạch được thay đổi.
5.2.3. Xác định sự xếp chồng của sóng lan truyền
Nếu không sử dụng trở kháng đầu nối thì cần xác định các đặc tính của mạch thử nghiệm về sự xếp chồng của sóng lan truyền. Máy phát xung kép được đấu nối theo Hình 10 rồi vẽ đồ thị xung kép (xem 5.5 và Hình 11, 12 và 13). Việc kiểm tra này cần được thực hiện khi đã bố trí mạch thử nghiệm cũng như khi mạch được thay đổi.
5.2.4. Bộ khử phản xạ
Mục đích của việc sử dụng bộ khử phản xạ là để thu được đồ thị xung kép Kiểu 1 tương ứng với Hình 11. Sử dụng bố trí trên Hình 14, hiệu suất của bộ khử phản xạ cần được kiểm tra bằng cách vẽ đồ thị xung kép (xem 5.5 và Hình 11, 12 và 13), khi đã bố trí mạch thử nghiệm cũng như khi mạch được thay đổi.
5.2.5. Hiệu chuẩn hệ thống đo trong mạch thử nghiệm hoàn chỉnh
Hiệu chuẩn hệ thống đo trong mạch thử nghiệm hoàn chỉnh phải được thực hiện theo Điều 5 của IEC 60270. Máy hiệu chuẩn được sử dụng phải phù hợp với IEC 60270. Đối với cáp dài (> 100 m), có thêm yêu cầu bổ sung là điện dung hiệu chuẩn không được lớn hơn 150 pF.
5.2.6. Độ nhạy
Độ nhạy của hệ thống đo được xác định là xung phóng điện nhỏ nhất phát hiện được, qmin (tính bằng pC) có thể quan sát khi có tạp nền.
Giá trị của qmin phải được xác định bằng cách đánh giá mức tạp nền và không được lớn hơn hai lần mức tạp biểu kiến, hn (hn là tạp đọc được trên dụng cụ đo)
Vì vậy:
qmin = x x k x hn
trong đó k là hệ số tỉ lệ và x là tỉ lệ của phóng điện nhỏ nhất phát hiện được trên tạp nền. Giá trị cho phép lớn nhất của x là 2. Cần đạt được giá trị điển hình của x trong khoảng từ 1,25 đến 1,5.
Các giá trị lớn nhất của độ nhạy phải được xác định theo 5.4.
5.3. Quy định đo
5.3.1. Quy định chung
Việc lựa chọn mạch thử nghiệm phụ thuộc vào việc mẫu cáp có thể được coi là cáp ngắn (xem 5,3.2) hay cáp dài (xem 5.3.3, 5.3.4 và 5.3.5). Mạch thử nghiệm phải được phóng điện tự do để đạt được độ nhạy yêu cầu (xem 5.2.6). Không cần hiệu chuẩn với nguồn điện áp cao đang đóng (xem 5.2.5). Trong quá trình đo phóng điện cục bộ, các xung riêng rẽ được nhận biết một cách rõ ràng là giao thoa thì có thể được bỏ qua.
5.3.2. Đoạn cáp ngắn kể cả các đoạn thử nghiệm điển hình
5.3.2.1. Yêu cầu
Đối với đoạn cáp ngắn, cáp có thể được xem tương tự như điện dung tập trung. Giới hạn chiều dài trong trường hợp không chấp nhận được phụ thuộc vào mạch thử nghiệm được sử dụng, tuy nhiên có thể giả định rằng chiều dài cáp đến 50 m (hoặc 100 m, nếu cả hai đầu của cáp được nối với nhau) vận hành như một điện dung tập trung và vì vậy sự xếp chồng của các sóng phản xạ không cần tính đến. Đối với các đoạn cáp dài hơn, có thể xem chúng là điện dung tập trung hay không thì phải xác định bằng cách sử dụng đồ thị xung kép như mô tả trong 5.5. Chiều dài tối đa mà cáp có thể được coi là điện dung tập trung được xác định là lk. Nó có thể ngắn vào khoảng 100 m hoặc thậm chí dài hơn 1 000 m, phụ thuộc vào hệ thống đo cụ thể được sử dụng.
Mạch thử nghiệm thường được sử dụng là những mạch trên Hình 5, 6 và 7.
5.3.2.2. Kiểm tra xác nhận độ nhạy
Việc xác định hệ số tỉ lệ k đối với phép đo điện tích biểu kiến phải được thực hiện theo Điều 5 của IEC 60270. Vì vậy bộ hiệu chuẩn phóng điện cục bộ phải được nối song song với cáp ở đầu xa bộ phát hiện.
5.3.2.3. Quy trình thử nghiệm
Phép đo chỉ được thực hiện ở một đầu của cáp.
Các tham số thử nghiệm phải được lựa chọn theo 5.4.
5.3.3. Đoạn cáp dài được thử nghiệm không có trở kháng đầu nối
5.3.3.1. Quy định chung
Đối với đoạn cáp dài (> 50 m hoặc > 100 m với các đầu được nối với nhau) được thử nghiệm không có trở kháng đầu nối, cần phải vẽ đồ thị xung kép.
5.3.3.2. Yêu cầu
Đối với đoạn cáp dài quá lk vẫn có thể thử nghiệm cáp mà không có trở kháng đầu nối với điều kiện phải tính đến sự xếp chồng và sự suy giảm.
Máy phát xung kép được nối theo Hình 10 và vẽ đồ thị xung kép (xem 5.5 và Hình 11, 12 và 13). Việc này được thực hiện khi đã bố trí mạch thử nghiệm cũng như khi mạch được thay đổi.
Cho phép thử nghiệm không có trở kháng đầu nối khi đồ thị xung kép là:
- kiểu 1 (Hình 11), hoặc
- kiểu 2 và kiểu 3 (Hình 12 và Hình 13) nhưng khi đoạn cáp, l, nằm ngoài giới hạn 2l1 ≤ l ≤ 2l2
(Xem 5.5 để xác định l1 và l2).
Đối với các đoạn cáp nằm trong giới hạn này, cần sử dụng mạch thử nghiệm thay thế hoặc áp dụng các quy trình được mô tả ở 5.3.4 hoặc 5.3.5.
Mạch thử nghiệm thường được sử dụng là những mạch trên Hình 5, 6, 7 và 9.
5.3.3.3. Kiểm tra xác nhận độ nhạy
Việc xác định hệ số tỉ lệ k cho phép đo điện tích biểu kiến phải được thực hiện theo Điều 5 của IEC 60270. Vì vậy bộ hiệu chuẩn phóng điện cục bộ phải được nối song song với cáp ở đầu gần bộ phát hiện.
Để xác định hệ số hiệu chỉnh suy giảm, bộ hiệu chuẩn phóng điện cục bộ phải được nối lần lượt đến từng đầu song song với cáp với cùng giá trị đặt của bộ khuếch đại và điện tích hiệu chuẩn. Các giá trị sau phải được ghi lại:
- α1 cường độ phóng điện đo được với bộ hiệu chuẩn ở đầu gần bộ phát hiện;
- α2 cường độ phóng điện đo được với bộ hiệu chuẩn ở đầu xa bộ phát hiện.
α1 và α2 được sử dụng để xác định hệ số hiệu chỉnh F để cho phép sự suy giảm. Cách xác định như sau.
F = 1 nếu α2 ≥ α1
nếu α2 <>α1
5.3.3.4. Quy trình thử nghiệm
Phép đo phải được thực hiện hai lần bằng cách nối đầu điện áp cao của tụ điện ghép nối đến lần lượt từng đầu cáp. Xác định cường độ phóng điện đo được A1 và A2 và chọn giá trị cao nhất Amax (pC). Với hệ số hiệu chỉnh F, cường độ phóng điện q(pC) là:
q = Amax x F
Mức điện áp được sử dụng khi đo cường độ phóng điện cao nhất Amax được chọn theo 5.4.
CHÚ THÍCH: Chỉ khi sơ đồ xung kép là kiểu 1 (xem Hình 11) và α2 ≥ α1, thì phép đo A (pC) là đủ khi cả hai đầu cáp được nối với nhau (xem 5.3.2). Cường độ phóng điện khi đó là: q = A.
5.3.4. Đoạn cáp dài được thử nghiệm có trở kháng đầu nối
5.3.4.1. Quy định chung
Đối với các đoạn cáp dài (> 50 m hoặc > 100 m với các đầu được nối với nhau), được thử nghiệm có trở kháng đầu nối, không cần thiết phải vẽ đồ thị xung kép.
5.3.4.2. Yêu cầu
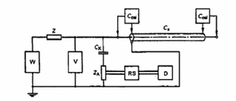
Để giảm thiểu sai số xếp chồng, đoạn cáp có chiều dài vượt quá lk có thể được thử nghiệm có trở kháng đầu nối như thể hiện trên Hình 8. Phương pháp này có thể được sử dụng với tất cả các bộ phát hiện và tất cả các đoạn cáp với điều kiện là trở kháng Zw đáp ứng các yêu cầu quy định trong 5.6. Sự thích hợp của trở kháng đối với cáp cần thử nghiệm phải được chứng minh bằng cách sử dụng quy trình mô tả trong 5.6.
5.3.4.3. Kiểm tra xác nhận độ nhạy
Bộ hiệu chuẩn phóng điện cục bộ phải được nối lần lượt với mỗi đầu song song với cáp với cùng giá trị đặt của bộ khuếch đại và điện tích hiệu chuẩn. Các giá trị sau phải được ghi lại:
- α1 (pC) cường độ phóng điện đo được với bộ hiệu chuẩn ở đầu gần bộ phát hiện. Không cần đo nếu quy trình trong 5.3.4.4 b) là đủ;
- α2 (pC) cường độ phóng điện đo được với bộ hiệu chuẩn ở đầu xa bộ phát hiện;
Để xác định hệ số tỉ lệ k cho phép đo điện tích biểu kiến theo Điều 5 của IEC 60270:2000, giá trị α2 (pC) với bộ hiệu chuẩn phóng điện cục bộ được nối song song với cáp ở đầu cách xa bộ phát hiện phải được sử dụng.
5.3.4.4. Quy trình thử nghiệm
Quy trình thử nghiệm như sau.
a) Khi yêu cầu xác định giá trị cường độ phóng điện cục bộ chính xác nhất có thể, đầu điện áp cao của tụ điện ghép nối phải được nối lần lượt với từng đầu cáp và cường độ phóng điện đo được A1 (pC) và A2 (pC) đều được xác định. Cường độ phóng điện q (pC) được cho bởi:
![]()
trong đó qcal là cường độ phóng điện hiệu chuẩn (pC).
b) Khi chỉ cần kiểm tra cường độ phóng điện không vượt quá giá trị quy định thì phép đo có thể được thực hiện với đầu điện áp cao của tụ điện ghép nối chỉ được nỗi với một đầu cáp. Trong trường hợp này, chỉ đưa xung hiệu chuẩn vào đầu cáp được nối với trở kháng đầu nối cách xa bộ phát hiện (α2). Với cường độ phóng điện đo được A1 (pC) và hệ số điều chỉnh k2, cường độ phóng điện q (pC) được cho bởi:
q = k2 x A1
Mức điện áp được sử dụng khi đo cường độ phóng điện A1 và A2 nếu cần, phải được thực hiện theo 5.4.
5.3.5. Đoạn cáp dài được thử nghiệm với bộ khử phản xạ
5.3.5.1. Quy định chung
Đối với đoạn cáp dài (> 50 m hoặc > 100 m với các đầu được nối với nhau), được thử nghiệm với bộ khử phản xạ, cần phải vẽ đồ thị xung kép.
Đấu nối bộ khử phản xạ được thể hiện trên Hình 9.
Máy phát xung kép được nối theo Hình 10 và vẽ đồ thị xung kép (xem 5.5 và Hình 11, 12 và 13). Việc này được thực hiện khi đã bố trí mạch thử nghiệm cũng như khi mạch được thay đổi.
5.3.5.2. Yêu cầu
Khi sử dụng bộ khử phản xạ, đồ thị xung kép phải là kiểu 1 (xem Hình 11).
5.3.5.3. Kiểm tra xác nhận độ nhạy
Xem 5.3.2.2.
5.3.5.4. Quy trình thử nghiệm
Xem 5.3.2.3.
5.4. Giới hạn mức điện áp/phóng điện cục bộ
Độ nhạy của điện áp thử nghiệm, phóng điện cục bộ và giới hạn phóng điện cục bộ phải được xác định theo các yêu cầu trong tiêu chuẩn về kiểu cáp.
5.5. Đáp ứng xung kép và vẽ đồ thị xung kép
Đồ thị xung kép bị ảnh hưởng bởi sự biến đổi của từng thành phần của mạch. Việc có được đồ thị xung kép là quan trọng để sử dụng các điều kiện một cách chính xác trong thử nghiệm cao áp.
CHÚ THÍCH: Cáp thử nghiệm không được đấu nối trong khi đang vẽ đồ thị xung kép, đồ thị xung kép phụ thuộc duy nhất vào hệ thống đo và mạch thử nghiệm, trừ cáp.
Cáp điện được thay bằng một tải điện trở có trở kháng đặc trưng lớn nhất đối với cáp cách điện dạng đùn (thông thường Rmax = 40 Ω). Xung kép được đưa vào cùng vị trí với xung hiệu chuẩn đối với các mạch thử nghiệm khác nhau được thể hiện trên Hình 5, 6 và 7. Hình 10 chỉ ra rằng, ví dụ, máy phát xung kép nối với mạch thử nghiệm của Hình 5.
Cần áp dụng các điều kiện sau:
a) Máy phát xung kép cần thỏa mãn các yêu cầu của 5.1.3. Trong một số trường hợp, thang đo của máy phát xung kép có thể có số (ví dụ từ 0 đến 9) đánh dấu sự chia xung, trong những trường hợp này cần sử dụng máy hiện sóng thích hợp để hiệu chuẩn các thang đo này theo µs; độ chính xác theo yêu cầu là ± 3 % hoặc 50 ns, chọn giá trị nào lớn hơn. Trở kháng đầu ra tổng nên xấp xỉ phù hợp với trở kháng đặc trưng của cáp, thường trong dải từ 20 Ω đến 40 Ω. Để đạt được giá trị này, có thể cần bổ sung các điện trở bên ngoài mắc song song hoặc nối tiếp với đầu ra.
Kinh nghiệm cho thấy rằng đồ thị xung kép có thể đạt được một cách tin cậy theo cách sau:
- Phương pháp đơn giản nhất là nối máy phát xung kép qua tụ điện điện áp cao CK và trở kháng đo ZA với dây nối không dài hơn 3 m.
- Với đấu nối dài hơn, nên sử dụng một cáp đồng trục (xem Hình 10). Trong trường hợp này, cần có hai điện trở của bộ thích nghi R1 và R2 để đảm bảo rằng hệ thống xấp xỉ phù hợp với trở kháng đặc trưng của cáp, thường trong dải từ 20 Ω đến 40 Ω.
b) Tụ điện CK và các thành phần điện áp cao khác của mạch thử nghiệm cần giống và được nối giống với các thành phần được sử dụng trong thử nghiệm cao áp.
c) Trở kháng phối hợp hoặc trở kháng của bộ phát hiện ZA được sử dụng trong thử nghiệm cao áp cần được sử dụng để đạt được đồ thị xung kép.
d) Hệ số khuếch đại của bộ phát hiện D cần được sử dụng với giá trị đặt của hệ số khuếch đại và đáp tuyến tần số khuếch đại được chọn cho thử nghiệm cao áp. Để đo chính xác sự thay đổi cường độ xung gây ra bởi méo xếp chồng, đầu ra của khuếch đại bộ phát hiện D nên được thể hiện trên một máy hiện sóng bên ngoài (ví dụ máy hiện sóng được sử dụng trong 5.5 a)).
Khoảng thời gian của máy phát xung kép cần đặt tới 100 µs và cần đo cường độ phóng điện của bộ phát hiện phóng điện cục bộ tới xung kép A100. Sau đó, cần giảm khoảng thời gian này từ 100 µs xuống 0,2 µs; đối với các giá trị khác của khoảng thời gian t đo được giữa đỉnh lớn nhất của hai xung, cần đo cường độ phóng điện lớn nhất At. Đặc biệt chú ý tới các diện tích xếp chồng dương và âm. Vẽ đồ thị các giá trị của At/A100 như là hàm của t để nhận được đồ thị xung kép. Ví dụ về các đồ thị được thể hiện trên các hình từ Hình 11 đến Hình 13.
Giá trị tk tại At/A100 = 1,4 trên xếp chồng dương ban đầu được xác định từ đồ thị. Xác định thời gian t1 và t2 khi At/A100 ≤ 1,0 ở tất cả các diện tích xếp chồng âm. Khi tính đến các sai số của phép đo có thể bỏ qua các diện tích xếp chồng âm với cường độ lớn nhất đến -10 %.
Đoạn cáp có chiều dài lk, l1 và l2 tương ứng với tk, t1 và t2 được tính bằng công thức l = 0,5 x t x v.
Vận tốc lan truyền trung bình là v và các giá trị điển hình cho hầu hết cáp có cách điện dạng đùn nằm trong khoảng từ 150 m/µs đến 170 m/µs. Theo yêu cầu, tốc độ lan truyền phải được đo bằng cách đưa một xung hiệu chuẩn vào cáp không có trở kháng đầu nối và đo thời gian trễ giữa xung tới và xung phần xạ.
Chiều dài cáp l <>lk có thể được xem là cáp ngắn. Nó có thể là 100 m hoặc thậm chí lớn hơn 1 000 m.
Chiều dài giữa 2l1 và 2l2 phải được thử nghiệm với trở kháng đầu nối (xem 5.3.4.2) hoặc trong các điều kiện thay đổi của mạch thử nghiệm (ví dụ D, ZA, CK) để thay l1 và l2 bằng các giá trị thích hợp hơn.
Một cách khác, có thể gấp đôi một cách hiệu quả giá trị lk bằng cách nối cả hai đầu của cáp với nhau.
5.6. Yêu cầu đối với trở kháng đầu nối
5.6.1. Quy định chung
Trở kháng đầu nối Zw, được thể hiện trên Hình 8 gồm có cả phần tử RC hoặc RLC, được chọn dựa vào đánh giá thực nghiệm.
5.6.2. Phần tử RC
Sử dụng phép đo dưới đây để chứng minh sự phù hợp của tụ điện đầu nối Cw.
Phần tử RC phải được nối song song với cáp qua đầu cách xa bộ phát hiện. Tụ điện phải được nối tắt và điện trở phải được điều chỉnh để tương ứng với trở kháng đặc trưng của cáp. Sau đó bộ hiệu chuẩn phải được nối với đầu cách xa bộ phát hiện và phải xác định cường độ phóng điện đo được a2.
Với cùng giá trị đặt của bộ khuếch đại, gỡ bỏ nối tắt tụ điện của trở kháng đầu nối.
Việc gỡ bỏ nối tắt tụ điện (Cw) không được làm thay đổi cường độ phóng điện a2 quá ± 15 %.
Đối với bộ phát hiện phóng điện cục bộ có tần số ngưỡng thấp hơn 2 MHz, giá trị ước lượng hợp lý của điện dung Cw(tụ điện ghép nối cao áp của Zw) có thể đạt được bằng cách sử dụng công thức sau:
![]()
trong đó:
Rw là thành phần điện trở của trở kháng đầu nối (tương ứng xấp xỉ với trở kháng đặc trưng của cáp);
fm là tần số đo trung bình của bộ phát hiện (trung bình số học của tần số giới hạn trên và dưới của bộ phát hiện).
Đối với dụng cụ đo phóng điện cục bộ có bộ khuếch đại băng rộng với tần số ngưỡng trên lớn hơn 2 MHz được nối với một khối tích phân điện tử, Cw có thể được ước lượng dựa trên mối liên hệ sau:
![]()
TJ là khoảng thời gian của xung phóng điện cục bộ ban đầu (thông thường nhỏ hơn 0,2 µs).
5.6.3. Mạch cộng hưởng gồm có phần tử RCL mắc nối tiếp
Sử dụng phép đo dưới đây để chứng minh tính thích hợp của mạch cộng hưởng ở tần số đo tương ứng.
Với trở kháng đầu nối được tháo ra, nối điện trở thuần trở ứng với trở kháng đặc tính của cáp với đầu xa bộ phát hiện mắc song song với cáp. Ngoài ra, bộ hiệu chuẩn phải được nối với đầu xa bộ phát hiện, và xác định cường độ phóng điện đo được a2.
Sau đó điện trở thuần trở phải được tháo ra - với giá trị đặt của bộ khuếch đại không đổi - và thay bằng trở kháng đầu nối, gồm có RLC.
Ở tần số đo, thành phần thuần trở của trở kháng đầu nối phải tương ứng với điện trở Rw.
Cường độ phóng điện đo được α2 không được thay đổi quá ±15 % khi nối trở kháng đầu nối.
Giá trị ước lượng hợp lý của điện dung Cw và điện cảm Lw có thể đạt được bằng công thức sau:
![]()
![]()
trong đó
Rw là thành phần thuần trở của trở kháng đầu nối (tương ứng xấp xỉ với trở kháng đặc tính của cáp);
fm là tần số đo trung bình của bộ phát hiện (trung bình số học của tần số giới hạn trên và dưới của bộ phát hiện);
Df là băng tần của bộ phát hiện (tần số giới hạn trên trừ tần số giới hạn dưới của bộ phát hiện).

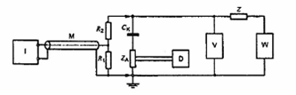
Hình 5 - Khối đầu vào ZA nối nối tiếp với tụ ghép nối, Ck

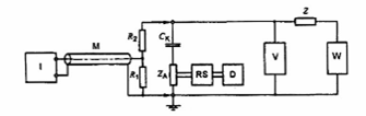
Hình 6 - Khối đầu vào ZA nối nối tiếp với cáp, Cx

Hình 7 - Mạch cầu

Hình 8 - Đấu nối trở kháng đầu nối Zw

Hình 9 - Đấu nối bộ khử phản xạ, RS

CHÚ DẪN
R1 điện trở phù hợp có giá trị tương ứng với trở kháng đặc trưng của cáp tín hiệu đồng trục M
R2 điện trở phù hợp có giá trị
(điện trở tải R thường từ 20 Ω đến 40
Ω)
Hình 10 - Đấu nối máy phát xung kép vào mạch đo trên Hình 5

Hình 11 - Sơ đồ xung kép kiểu 1 không có xếp chồng âm

CHÚ THÍCH: Ảnh hưởng xếp chồng dương giữa t2 và t100 là không đáng kể.
Hình 12-Sơ đồ xung kép kiểu 2 có xếp chồng âm giữa t1 và t2

Hình 13 - Sơ đồ xung kép kiểu 3 với các xếp chồng âm và dương giữa t1 và t2

Hình 14-Đấu nối máy phát xung kép dùng cho mạch thử nghiệm trên Hình 9 có bộ khử phản xạ
THƯ MỤC TÀI LIỆU THAM KHẢO
[1] TCVN 6099-1 (IEC 60060-1), Kỹ thuật thử nghiệm điện áp cao - Phần 1: Định nghĩa chung và các yêu cầu thử nghiệm
[2] DIN S7472 Teil 513/VDE 0472 Teil 513 (07.82), Prüfung an Kabeln und isolierten Leitungen, Teilenttadungen (Thử nghiệm cáp và dây mềm; phép đo phóng điện cục bộ)
[3] CIGRÉ Report 21-01, Appendix (V (1968), Discharge measurements in long lengths of cable: prevention of errors due to superposition of travelling waves (Phép đo phóng điện trên các đoạn cáp dài: ngăn ngừa sai lỗi do xếp chồng sóng lan truyền)
[4] CIGRÉ Technical Brochure No. 366 (December 2008), Guide for Discharge measurements in Compliance to IEC 60270 (Hướng dẫn dùng cho phóng điện phù hợp IEC 60270)
[5] CIGRÉ Electra (March 1969), Discharge measurement in long lengths of cabie (Phép đo phóng điện trên đoạn cáp dài)
[6] ICEA Publication T-24-380 (1980), Guide for partial discharge test procedures (Hướng dẫn các quy trình thử phóng điện cục bộ)
[7] BORSI, H., Verfahren zur Messung von Teilentladungen an Hochspannungskabeln unter Berticksichtigung des EinAusses der Kabeldaten, Ankoppelungsvierpole und Meßsysteme,DISS, T.U. Hannover (Juni 1976)
[8] LUKASCHEWITSCH, A., PUFF, E., Messung von Teilentladungen (TE) an langen Kabeln, Energie, Heft 2 (Febr. 1976), S.32-39
[9] VAN HOVE, C., LIPPERT, A., WIZNEROWlCZ, F., Interferenzefscheinungen bei der Teilentladungsmessung an langen Kabeln, Elektrizitätswirtschaft 73 (1974), S. 776-780
MỤC LỤC
Lời nói đầu
1. Phạm vi áp dụng
2. Tài liệu viện dẫn
3. Thuật ngữ, định nghĩa và ký hiệu
4. Tổng quan
5. Thử nghiệm phóng điện cục bộ
Thư mục tài liệu tham khảo