Nội dung toàn văn Tiêu chuẩn quốc gia TCVN 8546:2010 về Phương tiện giao thông đường sắt - Toa xe - Thuật ngữ và định nghĩa
TIÊU CHUẨN QUỐC GIA
TCVN 8546:2010
PHƯƠNG
TIỆN GIAO THÔNG ĐƯỜNG SẮT - TOA XE - THUẬT NGỮ VÀ ĐỊNH NGHĨA
Railway vehicle -
Railway Car -
Terms and definitions
Lời nói đầu
TCVN 8546:2010 được biên soạn trên cơ sở tham khảo Tiêu chuẩn đường sắt của Trung Quốc GB/T 4549.1, GB/T 4549.2, GB/T 4549.3, GB/T 4549.5, và GB/T 4549.9.
TCVN 8546:2010 do Ban kỹ thuật Tiêu chuẩn quốc gia TCVN/TC 22 Phương tiện giao thông đường bộ phối hợp với Cục Đăng kiểm Việt Nam biên soạn, Tổng cục Tiêu chuẩn Đo lường Chất lượng đề nghị, Bộ Khoa học và Công nghệ công bố.
PHƯƠNG TIỆN GIAO THÔNG ĐƯỜNG SẮT - TOA XE - THUẬT NGỮ VÀ ĐỊNH NGHĨA
Railway vehicle - Railway Car - Terms and Definitions
1. Phạm vi áp dụng
Tiêu chuẩn này quy định các thuật ngữ và định nghĩa chung về toa xe đường sắt.
Tiêu chuẩn này áp dụng cho việc nghiên cứu, thiết kế, chế tạo, khai thác, biên soạn các tiêu chuẩn, văn bản kỹ thuật, xuất bản các ấn phẩm khoa học kỹ thuật và các lĩnh vực khác liên quan đến phương tiện toa xe đường sắt.
2. Thuật ngữ cơ bản
2.1. Chủng loại toa xe
2.1.1.
Toa xe đường sắt (Railway car)
Một đơn vị của đoàn tàu khách và đoàn tàu hàng sử dụng trên đường sắt để chuyên chở hành khách, hàng hóa - gọi tắt là toa xe.
2.1.2.
Toa xe khách (Carriage, passenger car, coach)
Toa xe dùng đẻ chuyên chở hành khách trên đường sắt
2.1.2.1.
Toa xe khách có thiết bị hỗ trợ người khuyết tật (Acessibility cars)
Toa xe có kết cấu cửa lên xuống, lối đi trên toa xe cho người đi xe lăn và các thiết bị hỗ trợ người khuyết tật.
2.1.2.2.
Toa xe khách tự cân bằng ngang (Tilting train passenger coach)
Toa xe có lắp cơ cấu để tự điều chỉnh độ nghiêng của thùng xe khi đi vào đường cong nhằm ổn định khi vận hành và nâng cao tốc độ.
2.1.2.3.
Toa xe khách hai tầng (Double deck coach; double deck passenger car)
Toa xe có buồng hành khách tầng trên và tầng dưới.
2.1.2.4.
Toa xe khách tốc độ thường (Common passenger car)
Toa xe có tốc độ vận hành lớn nhất không quá 150 km/h.
2.1.2.5.
Toa xe khách tốc độ cao (High-speed passenger car)
Toa xe có tốc độ vận hành trên 150 km/h.
2.1.2.6.
Toa xe khách cao cấp (Luxury passenger car)
Toa xe có buồng rộng rãi, môi trường thoải mái, thiết bị nội thất đầy đủ, tiện nghi cao nhất.
2.1.2.7.
Toa xe khách hạng nhất (First class passenger car)
Toa xe có số chỗ giành cho hành khách, môi trường và tiện nghi kém toa xe cao cấp.
2.1.2.8.
Toa xe khách hạng hai (Second class passenger car)
Toa xe có số chỗ giành cho hành khách, môi trường và tiện nghi kém toa xe hạng nhất
2.1.2.9.
Toa xe khách có điều hòa không khí (Air conditioned passenger car, Air conditioned coach)
Toa xe có lắp thiết bị điều hòa không khí.
2.1.2.10.
Toa xe đa năng (Composit passenger car, combined coach)
Toa xe có từ hai công dụng trở lên.
2.1.2.11.
Toa xe khách ngoại ô (Suburban passenger car, suburbar coach)
Toa xe chạy đường ngắn ở ngoại ô.
2.1.2.12.
Toa xe ghế ngồi (Seat coach)
Toa xe có lắp đặt ghế để hành khách sử dụng.
2.1.2.13.
Toa xe ghế ngồi cứng (Semi-cushioned seat coach)
Toa xe có lắp đặt ghế cứng để hành khách sử dụng.
2.1.2.14.
Toa xe ghế ngồi mềm (Cushioned seat coach, upholstered seat coach)
Toa xe có lắp đặt ghế mềm để hành khách sử dụng.
2.1.2.15.
Toa xe giường nằm (Sleeping car)
Toa xe có lắp đặt giường để hành khách sử dụng.
2.1.2.16.
Toa xe giường cứng (Semi-cushioned berth sleeping car, semi-cushioned couchette)
Toa xe có lắp đặt giường cứng để hành khách sử dụng.
2.1.2.17.
Toa xe giường mềm (Cushioned berth sleeping car, upholstered couchette)
Toa xe có lắp đặt giường mềm để hành khách sử dụng.
2.1.2.18.
Toa xe giường nằm kiểu mở (open type sleeping car)
Toa xe giường nằm không có cửa riêng cho từng buồng.
2.1.2.19.
Toa xe giường nằm kiểu khép kín (Compartment sleeping car)
Toa xe giường nằm được ngăn thành từng buồng riêng biệt.
2.1.2.20.
Toa xe giường nằm kiểu khép kín cao cấp (Super class compartment sleeping car)
Toa xe giường nằm kiểu khép kín có tiện nghi cao nhất, trong đó mỗi khoang có buồng vệ sinh riêng.
2.1.2.21.
Toa xe hàng ăn (Dinning car)
Toa xe có gian bếp, buồng ăn, buồng kho để phục vụ ăn uống cho hành khách.
2.1.2.22.
Toa xe giải khát (Buffet car)
Toa xe có quầy phục vụ, giải khát và ăn nhẹ.
2.1.2.23.
Toa xe bếp ăn (Kitchen car)
Toa xe có gian bếp, không có buồng ăn.
2.1.2.24.
Toa xe lưu trú (Domitory van train crew car)
Toa xe dành cho nhân viên tác nghiệp, nhân viên theo tàu nghỉ ngơi.
2.1.2.25.
Toa xe công vụ (Service car, officer’s car)
Toa xe dành cho nhân viên tác nghiệp, nhân viên theo tàu làm việc.
2.1.2.26.
Toa xe hành lý (Luggage van, baggage car, parcent car)
Toa xe chuyên chở hành lý của hành khách và hành lý bao gửi.
2.1.2.27.
Toa xe bưu vụ (Mail sorting van, postal car, mail car)
Toa xe chuyên chở các bưu kiện.
2.1.2.28.
Toa xe phát điện (Generator car)
Toa xe có máy phát điện tập trung.
2.1.2.29.
Toa xe trong đoàn tàu metro (Metro cars)
Một đơn vị thuộc đoàn tàu metro chạy trên tuyến đường sắt ngầm, đường sắt trên cao và trên mặt đất; đường sắt một ray, đường sắt treo dưới ray, đường sắt một ray dẫn hướng, đường sắt đệm từ và xe điện đường phố.
2.1.2.30.
Toa xe phát điện trục xe (Car with axle generator)
Toa xe lắp máy phát điện được dẫn động bởi trục xe.
2.1.3.
Toa xe văn hóa và giáo dục (Culture and education car)
Toa xe có các dụng cụ, thiết bị văn hóa và giáo dục.
2.1.4.
Toa xe bệnh viện (Hospital car)
Toa xe được trang bị các thiết bị y tế để chữa bệnh dọc tuyến đường sắt.
2.1.5.
Toa xe cấp cứu (Ambulance car)
Toa xe có các thiết bị chữa bệnh đơn giản dùng để chuyên chở bệnh nhân.
2.1.6.
Toa xe hàng (Wagon, freight car)
Toa xe dùng để chuyên chở hàng hóa hoặc được sử dụng trong các đoàn tàu hàng, bao gồm loại toa xe thông dụng và toa xe chuyên dùng.
2.1.6.1.
Toa xe hàng thông dụng (General purpose freight car)
Toa xe dùng để chuyên chở các loại hàng hóa khác nhau như toa xe mặt bằng, toa không có mui, toa có mui...
2.1.6.1.1.
Toa xe hàng không có mui (Open-top wagon, gondola car)
Toa xe không có mui, đáy bằng hoặc đáy nghiêng dùng để chuyên chở hàng không cần bảo quản.
2.1.6.1.2.
Toa xe hàng có mui (Covered wagon, box car)
Toa xe có mui có cửa lớn, cửa sổ (hoặc lỗ thông gió) có thể chống được nước mưa, dùng để chuyên chở hàng cần được bảo quản. Theo cấu tạo khác nhau có thể chia làm toa xe có mui di động, toa xe có thành bên di động (thành rời).
2.1.6.1.3.
Toa xe mặt bằng (Flat car)
Toa xe có mặt chịu tải của bệ xe là mặt phẳng, không có thành bên và thành đầu.
2.1.6.1.4.
Toa xe xitec (Tank car)
Toa xe có thùng dùng để chở chất lỏng, khí hóa lỏng hoặc hàng dạng bột.
2.1.6.2.
Toa xe chuyên dùng (Special-purpose freight car)
Toa xe dùng để chuyên chở một loại hàng hóa như toa chở xi măng, toa chở công-te-nơ, toa chở than.
2.1.6.2.1.
Toa xe chở xi măng (Cement car)
Toa xe có kết cấu phù hợp với chở xi măng rời.
2.1.6.2.2.
Toa xe chở than (Coal car)
Toa xe có kết cấu phù hợp với chở than.
2.1.6.2.3.
Toa xe chở đá sỏi (Gravel car)
Toa xe có kết cấu phù hợp với chở đá sỏi.
2.1.6.2.4.
Toa xe chở quặng (Ore car)
Toa xe có kết cấu phù hợp với chở quặng.
2.1.6.2.5.
Toa xe phễu (Hopper car)
Toa xe có một hoặc nhiều thùng hình phễu và có độ nghiêng nhất định.
2.1.6.2.6.
Toa xe cách nhiệt (Insulated-cover wagon, insulated box car)
Thân xe toa xe có lớp cách nhiệt, không có thiết bị làm lạnh và gia nhiệt.
2.1.6.2.7.
Toa xe bảo ôn (Isothermal car)
Toa xe dùng để chuyên chở các hàng hóa dễ hỏng hoặc có các yêu cầu đặc biệt về nhiệt độ, thân xe có lớp cách nhiệt có thể giảm thiểu trao đổi nhiệt giữa bên trong và bên ngoài, có thiết bị để duy trì nhiệt độ theo yêu cầu.
2.1.6.2.8.
Toa xe đông lạnh (Refrigerator car)
Toa xe cách nhiệt có thiết bị làm lạnh.
2.1.6.2.9.
Toa xe đông lạnh tự hành (Mono-unit mechanical refrigerator car)
Toa xe đông lạnh có lắp thiết bị động lực, tự làm lạnh và tự động điều khiển, có thể tự hành.
2.1.6.2.10.
Toa xe hàng thông gió (Ventilated box car)
Toa xe có mui lắp các cơ cấu thông gió bên trong thân xe tại các vị trí thích hợp, dùng để chuyên chở các loại rau quả tươi sống.
2.1.6.2.11.
Toa xe chở gia súc (Live stock car, stock car)
Toa xe có các thiết bị thích hợp dùng để chuyên chở gia súc sống.
2.1.6.2.12.
Toa xe chở gia cầm (Poultry car)
Toa xe có các thiết bị thích hợp dùng để chuyên chở gia cầm sống.
2.1.6.2.13.
Toa xe chở chất độc hại (Poison car)
Toa xe chuyên dùng để chuyên chở các chất độc hại.
2.1.6.2.14.
Toa xe chở công-te-nơ (Container car)
Toa xe chuyên dùng để chở công-te-nơ.
2.1.6.2.15.
Toa xe chở hàng siêu trường, siêu trọng (Heavy duty freight car, high capacity car)
Toa xe có kết cấu đặc biệt chuyên dùng để chuyên chở các hàng siêu trường, siêu trọng hoặc siêu thể tích.
2.1.6.2.16.
Toa xe mặt võng (Depressed center flat car)
Toa xe chở hàng hóa có kết cấu bệ xe võng theo chiều dọc toa xe.
2.1.6.2.17.
Toa xe mặt bằng siêu dài (Long flat car)
Toa xe mặt bằng có chiều dài trên 19 m và tải trọng lớn.
2.1.6.2.18.
Toa xe mặt bằng ghép đôi (Twinned flat car)
Toa xe có hai phần mặt bằng hoàn toàn giống nhau được ghép lại.
2.1.6.2.19.
Toa xe hai tầng chở ô tô (Double-deck sedan car)
Toa xe mặt bằng có hai bệ trên, dưới dùng để chở ôtô.
2.1.6.2.20.
Toa xe tự lật (Dump car)
Toa xe có thiết bị có thể lật nghiêng thùng xe để xả hàng.
2.1.7.
Toa xe khổ đường tiêu chuẩn (Standard gauge car)
Toa xe chạy trên khổ đường sắt 1435 mm.
2.1.8.
Toa xe khổ đường hẹp (Narrow gauge car)
Toa xe chạy trên đường sắt có khổ đường nhỏ hơn khổ đường tiêu chuẩn.
2.1.9.
Toa xe khổ đường rộng (Broad gauge car)
Toa xe chạy trên đường sắt có khổ đường lớn hơn khổ đường tiêu chuẩn.
2.1.10.
Toa xe hai trục (Two-axle car)
Toa xe có hai bộ trục bánh xe.
2.1.11.
Toa xe bốn trục (Four-axle car)
Toa xe có bốn bộ trục bánh xe.
2.1.12.
Toa xe sáu trục (Six-axle car)
Toa xe có sáu bộ trục bánh xe.
2.1.13.
Toa xe nhiều trục (Multi-axle car)
Toa xe có số bộ trục bánh xe nhiều hơn sáu.
2.1.14.
Toa xe thử nghiệm (Test car)
Toa xe chuyên dùng, trên đó có lắp đặt các thiết bị để thử nghiệm các tính năng kỹ thuật của đường sắt và của toa xe.
2.1.15.
Toa xe kiểm tra (Detection car)
Toa xe chuyên dùng, trên đó có lắp đặt các thiết bị kỹ thuật chuyên dùng để kiểm tra đường sắt hoặc mạng lưới điện.
2.1.16.
Toa xe duy tu (Maintenance car)
Toa xe có các thiết bị để duy tu và bảo dưỡng đường sắt.
2.1.17.
Toa xe thép - gỗ (Steel-wood car)
Toa xe có kết cấu thân xe bằng thép kết hợp với gỗ.
2.1.18.
Toa xe toàn kim loại (All metal car)
Toa xe có các xà cột chính và thành ngoài, sàn xe, mui xe của thân xe làm bằng kim loại.
2.1.19.
Toa xe có giá chuyển hướng (Bogie car)
Toa xe có thân xe được lắp trên các giá chuyển hướng và chuyển động quay tương đối giữa thân xe và giá chuyển hướng.
2.1.20.
Toa xe có khớp nối (Articulated car)
Toa xe có hai đầu liền kề nhau của hai thân xe được gối trên cùng một giá chuyển hướng.
2.1.21.
Toa xe đặc biệt (Special car)
Toa xe có kết cấu đặc biệt theo các công dụng riêng như toa xe hiệu chỉnh cân, toa xe chụp ảnh đường hầm, toa xe kiểm tra...
2.1.21.1.
Toa xe hiệu chỉnh cân (Track scale test car)
Toa xe có khối lượng chuẩn để hiệu chỉnh các thiết bị cân phương tiện đường sắt.
2.1.21.2.
Đoàn xe cứu viện (Relief car train-set, rescue car train-set)
Đoàn xe gồm toa xe cần cẩu, toa xe lưu trú, toa xe hàng ăn, toa xe phát điện, toa xe chở dụng cụ, toa xe điều hành công việc... dùng để khắc phục các chướng ngại trên đường sắt hoặc kích, cẩu các phương tiện đường sắt bị tai nạn.
2.1.21.3.
Đoàn xe chở ray dài (long rail car train-set)
Đoàn xe gồm toa xe lưu trú, toa xe phát điện, toa xe chuyên chở ray dài để thi công đường sắt.
2.1.22.
Đoàn xe tự hành (Powered car train-set)
Đoàn xe gồm toa xe điều khiển, toa xe tự hành và toa xe kéo theo kết nối thành một đoàn tàu.
2.1.22.1.
Toa xe điều khiển (Controlling car)
Toa xe có cơ cấu và thiết bị điều khiển đoàn xe tự hành.
2.1.22.2.
Toa xe tự hành (motor-car)
Toa xe có lắp đặt thiết bị động lực để tự hành và kéo các toa xe khác.
2.1.22.3.
Toa xe kéo theo (Trailer)
Toa xe không có thiết bị động lực hoặc cơ cấu điều khiển trong đoàn xe tự hành.
2.2. Chiều và vị trí toa xe
2.2.1.
Chiều dọc toa xe (Longitudinal direction of car)
Chiều theo chiều dài của toa xe.
2.2.2.
Chiều ngang toa xe (Lateral direction of car)
Chiều vuông góc với chiều dài toa xe xét trên mặt phẳng nằm ngang.
2.2.3.
Đầu toa xe (Ends of car)
Hai phần đầu trước và đầu sau tính theo chiều dài toa xe.
2.2.4.
Đầu số một của toa xe (No 1 end of car)
Phần đầu toa xe có lắp cơ cấu điều khiển hãm tay hoặc theo chiều của pittông xi lanh hãm. Nếu ý nghĩa trên không thích hợp thì do thiết kế quy định.
2.2.5.
Đầu số hai của toa xe (No 2 end of car)
Đầu ngược lại với đầu số một trên cùng một toa xe.
2.2.6.
Thành số một của toa xe (No 1 position side)
Thành bên trái khi nhìn từ đầu số một đến đầu số hai của toa xe.
2.2.7.
Thành số hai của toa xe (No 2 position side)
Thành bên phải khi nhìn từ đầu số một đến đầu số hai của toa xe.
2.2.8.
Vị trí trục (position of axle)
Vị trí của trục trong toa xe được tính bắt đầu từ đầu số một đến hết đầu số hai của toa xe, đánh số thứ tự theo dãy số tự nhiên.
2.2.9.
Vị trí bánh xe (position of wheel)
Vị trí của bánh xe trong toa xe được đánh số theo vị trí trục và lấy phía thành số một là số lẻ, phía thành số hai là số chẵn và đánh số thứ tự theo dãy số tự nhiên.
2.2.10.
Vị trí xà (position of sill)
Xà ngang liền từ thành số một đến thành số hai vị trí xà được đánh số như đánh số trục, khi xà ngang không liền từ thành số một đến thành số hai vị trí xà được đánh số như đánh số bánh xe.
Xà dọc liền từ đầu số một đến đầu số hai vị trí xà được đánh số từ thành số một đến thành số hai theo thứ tự của dãy số tự nhiên, khi xà dọc không liền từ đầu số một đến đầu số hai vị trí xà được đánh số giống như đánh số bánh xe.
2.3. Kích thước chính của toa xe
2.3.1.
Chiều cao móc nối (height from top of rail to coupler center, coupler height)
Khoảng cách thẳng đứng từ đường trung tâm mặt ngoài của lưỡi móc tới mặt ray khi toa xe ở trạng thái không tải. Đối với móc nối kiểu nối kín là khoảng cách thẳng đứng từ trung tâm đầu lồi tới mặt ray. Gọi tắt là chiều cao móc nối.
2.3.2.
Chiều dài của toa xe (Length of car, length over pulling faces of couplers)
Khoảng cách giữa mặt trong của hai lưỡi móc ở hai đầu toa xe khi toa xe ở trạng thái không kết nối, không chịu ảnh hưởng của ngoại lực theo chiều dọc.
2.3.3.
Chiều rộng lớn nhất của toa xe (max width of car)
Khoảng cách lớn nhất theo chiều ngang của toa xe, tính cả các bộ phận nhô ra.
2.3.4.
Chiều cao của toa xe (Height of car)
Khoảng cách lớn nhất theo phương thẳng đứng từ mặt ngoài phía trên thân xe hoặc thùng xe xitec tới mặt ray.
2.3.5.
Chiều cao lớn nhất của toa xe (Max height of car)
Khoảng cách lớn nhất theo phương thẳng đứng từ bộ phận cao nhất phía trên toa xe tới mặt ray khi toa xe ở trạng thái không tải.
2.3.6.
Chiều dài thân xe (Length over ends of car body, length of car body)
Khoảng cách theo chiều dọc giữa mặt ngoài hai thành đầu thân xe.
2.3.7.
Chiều dài bệ xe (Length of under frame, lenght over end sill)
Khoảng cách theo chiều dọc giữa mặt ngoài hai xà đầu bệ xe.
2.3.8.
Chiều dài thùng xe xitec (Length of tank)
Khoảng cách theo chiều dọc giữa mặt ngoài cùng hai nắp đầu thùng xitec.
2.3.9.
Chiều rộng thân xe (Width over sides of car body)
Khoảng cách theo chiều ngang giữa mặt ngoài hai thành bên thân xe (chỗ không có nẹp).
2.3.10.
Chiều rộng bệ xe (Under frame width, width over side sills)
Khoảng cách theo chiều ngang giữa mặt ngoài hai xà cạnh bệ xe.
2.3.11.
Chiều dài bên trong thân xe (Inside length of car body)
Khoảng cách theo chiều dọc giữa mặt trong hai thành đầu thân xe.
2.3.12.
Chiều rộng bên trong thân xe (Inside width of car body)
Khoảng cách theo chiều ngang giữa mặt trong hai thành bên thân xe.
2.3.13.
Chiều cao bên trong thân xe (Inside height of car body)
Khoảng cách thẳng đứng từ mặt phẳng trên sàn xe tới mặt phẳng trên của thân xe (hoặc xà đầu trên của thành đầu).
2.3.14.
Chiều cao bên trong từ sàn tới trần thân xe (Height inside from floor to ceiling center)
Khoảng cách thẳng đứng từ mặt phẳng trên sàn xe tới mặt phẳng trong chính giữa trần xe.
2.3.15.
Chiều cao mặt sàn xe (Height of floor from rail top, floor height)
Khoảng cách thẳng đứng từ mặt phẳng trên sàn bệ xe tới mặt ray (không bao gồm bề dày vật che phủ trên như vải lót sàn xe, thảm sàn xe) khi toa xe ở trạng thái không tải.
2.3.16.
Khoảng cách cơ sở (Length between bogie pivot centers)
Đối với toa xe có giá chuyển hướng là khoảng cách hai tâm giá chuyển.
Đối với toa xe không có giá chuyển hướng là khoảng cách theo chiều dọc giữa hai điểm tựa của thân xe trên hai bộ phận chạy trước và sau.
2.3.17.
Khoảng cách cơ sở toàn phần toa xe (Total wheel base of car, wheel base of car)
Khoảng cách theo chiều dọc tính từ tâm trục số một đến trục cuối cùng toa xe. Đối với toa xe hai trục thì khoảng cách toàn phần toa xe là khoảng cách cơ sở.
2.3.18.
Tỷ số khoảng cách dài toa xe (Ratio of car body length to length between bogie pivot centers)
Tỷ số giữa chiều dài thân xe hoặc bệ xe và khoảng cách cơ sở toa xe.
2.3.19.
Khe hở bàn trượt (Side bearing clearance)
Khoảng cách thẳng đứng giữa bàn trượt trên và dưới.
2.4. Trọng lượng toa xe
2.4.1.
Tự trọng (Tare weight, light weight)
Trọng lượng bản thân của toa xe ở trạng thái xe không tải.
2.4.2.
Tải trọng (Loading capacity)
Trọng lượng cho phép toa xe chở, bao gồm hàng hóa hoặc hành khách và hành lý mang theo (bao gồm cả trọng lượng các vật liệu chỉnh bị và trọng lượng nhân viên theo tàu).
2.4.3.
Trọng lượng chỉnh bị (Servicing weight)
Tổng trọng lượng các vật dụng cần thiết để đảm bảo cho toa xe làm việc bình thường khi lập đoàn tàu như lương thực, chất đốt, nước, dụng cụ...
2.4.4.
Tổng trọng (Gross weight)
Tổng của tự trọng và tải trọng: đối với các toa xe không chở hàng hóa, hành khách và hành lý thì tổng trọng là tổng của tự trọng với trọng lượng vật dụng chỉnh bị và trọng lượng nhân viên theo tàu.
2.4.5.
Trọng lượng trên lò xo (Suspended weight, spring weight)
Phần trọng lượng toa xe nằm ở phía trên lò xo hộp trục của giá chuyển hướng.
2.4.6.
Trọng lượng dưới lò xo (Non suspended weight, unspring weight)
Phần trọng lượng toa xe nằm ở phía dưới lò xo hộp trục của giá chuyển hướng.
2.5. Tính năng và tham số toa xe
2.5.1.
Hệ số tự trọng (Tare-to-load ratio)
Tỷ số giữa tự trọng và tải trọng của toa xe.
2.5.2.
Hệ số dung tích (Specifie volume)
Tỷ số giữa dung tích thiết kế và tải trọng của toa xe.
2.5.3.
Hệ số diện tích sàn xe (Specifie floor area)
Tỷ số giữa diện tích sàn xe thiết kế và tải trọng của toa xe.
2.5.4.
Tải trọng trên mét toa xe (Load per meter of track)
Tỷ số giữa tổng trọng toa xe và chiều dài toa xe.
2.5.5.
Chiều cao trọng tâm toa xe (Height of car gravity center)
Khoảng cách thẳng đứng từ trọng tâm toa xe đến mặt ray.
2.5.6.
Hệ số tải trọng động (Coefficient of dynamic force)
Tỷ số giữa tải trọng động sinh ra đối với toa xe và các bộ phận toa xe với tải trọng tĩnh tương ứng khi toa xe vận hành bình thường.
2.5.7.
Tốc độ cấu tạo (Design speed)
Tốc độ vận hành lớn nhất được hạn chế bởi điều kiện an toàn và độ bền kết cấu mà toa xe có thể vận hành ổn định liên tục.
2.5.8.
Bán kính đường cong nhỏ nhất (Minimum radius of curvature negotiable)
Là bán kính đường cong nhỏ nhất của đường sắt mà toa xe có thể thông qua an toàn.
2.5.9.
Độ êm dịu (Comfortable quality of vibration)
Mức độ cảm giác thoải mái của hành khách đối với các tính năng dao động (như biên độ và tần số dao động) của toa xe khi vận hành bình thường.
2.5.10.
Mức độ tiện nghi (Riding comfortable leness, ride comfort)
Mức độ cảm giác thoải mái của hành khách đối với môi trường trên tàu (bao gồm nhiệt độ, độ ồn bên trong toa xe).
2.5.11.
Chỉ tiêu êm dịu (Index of running stability, riding index)
Chỉ tiêu đánh giá mức độ thoải mái của hành khách trên tàu hoặc mức độ ổn định của hàng hóa khi đoàn tàu vận hành.
2.5.12.
Tính ổn định chống lật (Stability against overturning)
Khả năng chống nghiêng lật của toa xe để toa xe vận hành ở trạng thái bình thường.
2.5.13.
Hệ số ổn định chống lật (Coefficient of stability against overturning)
Tỷ số giữa tải trọng động và tải trọng tĩnh tác dụng lên toa xe.
2.5.14.
Tính ổn định chống trật bánh (Stability against derailment)
Khả năng chống tách rời bánh xe ra khỏi ray (trật bánh) khi toa xe vận hành.
2.5.15.
Hệ số trật bánh (Coefficient of derailment)
Tỷ số giữa áp lực tức thời của ray tác dụng lên bánh xe theo chiều ngang và tải trọng thẳng đứng tác dụng lên bánh xe.
2.5.16.
Lực ngang giữa bánh xe và ray (Wheel rail lateral force)
Hợp lực theo phương ngang của bánh xe tác dụng lên ray khi toa xe vận hành.
2.5.17.
Hệ số giảm tải bánh xe (Wheel set decreasing ratio)
Tỷ số giữa tải trọng thẳng đứng của đôi bánh xe và tải trọng thẳng đứng bình quân các đôi bánh trái, phải ở bất kỳ thời điểm nào khi toa xe đang vận hành.
2.5.18.
Độ kín khí toa xe (Air tightness)
Khả năng chống lọt, hở không khí.
2.5.19.
Chỉ tiêu độ kín khí (Index of air-tightness)
Giới hạn quy định cho tính năng làm kín khí của toa xe.
2.5.20.
Tính năng cách nhiệt (Thermal insulating properties)
Khả năng cách ly truyền dẫn nhiệt lượng.
2.6. Thử nghiệm toa xe
2.6.1.
Thử nghiệm kiểu loại (Type test)
Thử nghiệm xem xét toàn diện sự phù hợp các tính năng, tham số và kết cấu cơ bản toa xe số với yêu cầu của thiết kế.
2.6.2.
Thử nghiệm xuất xưởng (Routine test)
Thử nghiệm thông thường để kiểm nghiệm các thông số, kết cấu và tính năng toa xe sau khi toa xe được sản xuất, lắp ráp.
2.6.3.
Thử nghiệm bền (Strength test)
Thử nghiệm đo ứng suất các bộ phận chủ yếu của toa xe dưới tác dụng của tải trọng thử nghiệm, gồm thử nghiệm bền tĩnh và thử nghiệm bền động.
2.6.4.
Thử nghiệm cứng vững (Stiffness test)
Thử nghiệm đo biến dạng của các bộ phận chủ yếu của toa xe dưới tác dụng của tải trọng thử nghiệm.
2.6.5.
Thử nghiệm cố định (Location test)
Thử nghiệm các tính năng của toa xe trên băng thử cố định.
2.6.6.
Thử nghiệm vận hành (Running test)
Thử nghiệm tiến hành khi toa xe chạy trên đường.
2.6.7.
Thử nghiệm toa xe chạy trên đường (Railway car trial run)
Thử nghiệm vận hành với toa xe chế tạo mới hoặc vừa sửa chữa xong trên quãng đường theo quy định trước khi đưa vào vận dụng chính thức.
2.6.8.
Thử nghiệm động lực học (Dynamics test)
Thử nghiệm để đánh giá chất lượng vận hành của toa xe ở các tốc độ chạy khác nhau.
2.6.9.
Thử nghiệm va đập (Impact test)
Thử nghiệm đo các tham số xung lực, gia tốc và ứng suất dư sinh ra trong quá trình chịu va đập của toa xe.
2.6.10.
Thử nghiệm đi qua đường cong có bán kính nhỏ nhất (Min radius of curvature negotiating test)
Thử nghiệm toa xe thông qua đường cong có bán kính nhỏ nhất theo thiết kế để toa xe vận hành an toàn.
2.6.11
Thử nghiệm trị số K truyền nhiệt (Test for K value of complete car)
Thử nghiệm đo hệ số K truyền nhiệt khi trao đổi nhiệt giữa mặt trong và mặt ngoài thân xe.
2.6.12
Thử nghiệm thiết bị điều hòa không khí (Air conditioning test)
Thử nghiệm đo các thông số kỹ thuật của thiết bị điều hòa không khí theo quy định.
2.6.13.
Thử nghiệm độ ồn (Noise test)
Thử nghiệm đo độ ồn bên trong và ngoài toa xe theo quy định.
2.6.14.
Thử nghiệm bằng biến trở nước (Hydraulic resistance test)
Thử nghiệm công suất của máy phát điện lắp trên toa xe phát điện bằng biến trở nước.
2.6.15.
Thử nghiệm độ kín khí (Air-tightness test)
Thử nghiệm đo khả năng ngăn chặn lọt hở không khí của các chi tiết, bộ phận yêu cầu kín.
2.6.16.
Thử nghiệm dao động (Vibrating test)
Thử nghiệm đo tính năng dao động của toa xe trên băng thử hoặc các thiết bị chuyên dụng.
2.6.17.
Thử nghiệm lăn bánh (Rolling test)
Thử nghiệm đo tốc độ tới hạn lớn nhất của toa xe trên băng thử.
2.6.18.
Thử nghiệm ổn định chống lật của toa xe (Stability against over turning test).
Thử nghiệm đo hệ số chống nghiêng lật của toa xe.
2.6.19.
Thử nghiệm độ ổn định chống trật bánh (Stability against derailment test)
Thử nghiệm đo hệ số chống trật bánh của toa xe.
2.6.20.
Thử nghiệm hãm (Brake test)
Thử nghiệm các tính năng hoạt động của van hãm và hệ thống hãm.
2.6.21.
Thử nghiệm dột hắt (Leakage rain test)
Thử nghiệm độ kín nước toa xe bằng phương pháp phun nước có áp lực.
2.6.22.
Thử nghiệm ép nước (Water pressure test)
Thử nghiệm độ bền, độ cứng và độ kín của thùng xe xitec và hệ thống ống bằng nước với áp suất theo quy định.
2.6.23.
Thử nghiệm mô phỏng (Mode test)
Thử nghiệm đo kiểu dao động, tần số riêng, tỷ số cản của độ cứng và đàn hồi của toa xe hoặc các bộ phận toa xe.
2.6.24.
Thử nghiệm mỏi (fatigue test)
Thử nghiệm đo độ mỏi để xác định tuổi thọ sử dụng của toa xe hoặc các chi tiết, bộ phận.
2.7. Các thuật ngữ khác
2.7.1.
Toa xe rỗng (Empty car)
Toa xe chưa có hàng hóa, hành khách và hành lý.
2.7.2.
Toa xe đầy tải (Loaded car)
Toa xe đã có hàng hóa, hành khách và hành lý theo tải trọng thiết kế.
2.7.3.
Chủng loại toa xe (Type of car)
Toa xe có đặc điểm kết cấu thân xe giống nhau.
2.7.4.
Kiểu loại toa xe (Mode of car)
Toa xe có đặc điểm kết cấu giống nhau.
2.7.5.
Số xe (Serial number of car, number of car)
Số hiệu toa xe được đánh số theo thứ tự quy định.
2.7.6.
Số lượng trục bánh xe (Number of axle)
Tổng của số đôi bánh xe trong một toa xe.
2.7.7.
Ký hiệu toa xe (Lettering and marking of car)
Chữ cái và số dùng biểu thị công dụng, kiểu toa xe, số toa xe, tham số chính của toa xe.
2.7.8.
Số đăng ký toa xe (Registration number)
Chữ cái và số dùng biểu thị tên cơ quan đăng ký, chủng loại, khổ đường và số thứ tự của toa xe.
2.7.9.
Số chỗ (Seating capacity)
Số chỗ giành cho hành khách được quy định với từng loại toa xe.
2.7.10.
Hồ sơ kỹ thuật (Technical records book)
Sổ ghi trạng thái kỹ thuật toa xe và số lần sửa chữa trong suốt quá trình vận dụng, kể từ khi chế tạo mới đến khi loại bỏ.
2.7.11.
Quang treo (Hanger)
Chi tiết dùng để treo, đỡ các bộ phận khác có đầu trên lắp cố định hoặc liên kết với thân, bệ toa xe, khung giá chuyển.
2.7.12.
Kẹp (Clamp, clip)
Chi tiết dùng để kẹp chặt hoặc liên kết cố định giữa các bộ phận toa xe.
2.7.13.
Móc kẹp (Anchor, suspension)
Chi tiết có cùng lúc hai tác dụng quang treo và kẹp.
2.7.14.
Bệ, đế (Seat, rest, bracket)
Chi tiết chịu lực cơ bản để đỡ hoặc treo các cấu kiện hoặc định vị cấu kiện.
2.7.15.
Bệ treo (Hanger bracket)
Bệ lắp các quang treo, móc treo.
2.7.16.
Giá đỡ, bệ đỡ, đế đỡ (Carrier, support, bearer)
Bộ phận dùng để giữ an toàn cho các chi tiết.
2.7.17.
Vòng (Ring)
Chi tiết làm bằng kim loại cuốn thành hình tròn hoặc hình bầu dục.
2.7.18.
Xích (Chain)
Các vòng lồng nối lại với nhau thành chuỗi.
2.7.19
Tấm (Plate)
Chi tiết có tiết diện không đổi theo chiều dài, có tỷ lệ giữa bề dầy với bề dài, bề rộng khác nhau tương đối lớn.
2.7.20.
Tấm nối, tấm liên kết (Connecting plate)
Tấm có tác dụng nối kết.
2.7.21.
Tấm gia cường (Reinforcing plate)
Tấm có tác dụng tăng độ bền, tăng độ ổn định (độ cứng vững) và giảm thiểu ứng suất tập trung, bao gồm:
Tấm gân (Rib);
Tấm ngăn cách (Partition plate);
Tấm chống, tấm giằng (Staying plate)
2.7.22.
Tấm giữ chặt (Fastening plate)
Tấm có tác dụng đỡ, giữ chặt bộ phận, chi tiết, bao gồm:
Tấm đỡ (Supporting plate);
Tấm ép (Pressing plate);
Tấm treo (Hanging plate).
2.7.23.
Tấm điều chỉnh (Adjusting plate)
Tấm có tác dụng điều chỉnh, bao gồm:
Tấm đệm, tấm lót (Shim, pad).
2.7.24.
Tấm định vị (Locating plate)
Tấm có tác dụng hạn chế di chuyển, bao gồm:
Tấm chặn (Baffle plate);
Tấm chống trượt (Anticreep plate).
2.7.25.
Tấm bảo vệ (Shield plate)
Tấm có tác dụng an toàn và bảo vệ, bao gồm:
Tấm chống bụi (Dust guard plate, dustproof plate);
Tấm chống mòn (Wear plate);
Tấm chống cháy (Fire proof plate).
2.7.26.
Tấm che (Cover plate)
Tấm dùng phía trên hoặc phía dưới trong kết cấu hình hộp.
2.7.27.
Tấm đứng (Web plate)
Tấm đứng trong kết cấu hình hộp.
2.7.28.
Tấm cánh (Flange plate)
Tấm nằm phía ngoài tấm đứng trong kết cấu hình hộp.
2.7.29.
Tấm, nẹp trang trí (Decorating plate)
Tấm, nẹp có tác dụng trang trí.
2.7.30.
Tấm dẫn hướng (Limiting plate)
Tấm có tác dụng dẫn hướng dòng chảy.
2.7.31.
Đệm (Shim, pad, liner, washer)
Chi tiết có tác dụng bảo vệ, cách ly, điều chỉnh vị trí.
2.7.32.
Nắp che (Eap, cover, lid)
Chi tiết có tác dụng chính là che đậy.
2.7.33.
Van (Valve)
Thiết bị dùng để điều tiết và khống chế lưu lượng, áp lực và chiều dòng chảy (chất lỏng hoặc chất khí).
2.7.34.
Thân xe (Body)
Phần chủ yếu của bộ phận hoặc kết cấu.
2.7.35.
Xà (Girder, sill, beam, stringer)
Thanh đặt ngang chịu lực có chiều dài lớn hơn chiều rộng và chiều cao nhiều lần trong kết cấu.
2.7.36.
Xà đỡ két nước (Water tank supporting beam)
Xà dùng để đỡ kết nước trong thiết bị cấp nước cho toa xe.
2.7.37.
Trụ, cột (Post)
Thanh chịu lực đặt thẳng đứng, chủ yếu chịu tải trọng hướng trục, thường dùng để chống, đỡ hoặc hạn chế vị trí của các thành, cửa hoặc cửa sổ.
2.7.38.
Thanh chống (Brace)
Chi tiết có dạng thanh, liên kết với cấu kiện theo một góc xiên để tăng độ ổn định của kết cấu đồng thời cải thiện được tác dụng truyền lực.
2.7.39.
Nẹp (Cornice, molding, treadle bar)
Chi tiết có dạng thanh dài dùng để che các mối nối, đường nối.
2.7.40.
Vật liệu cách nhiệt (heat insulating material)
Vật liệu có hệ số dẫn nhiệt thấp, làm giảm trao đổi nhiệt giữa hai mặt tấm cách nhiệt, thường dùng làm lớp đệm tấm cách nhiệt.
3. Bộ phận chạy
3.1. Các loại giá chuyển hướng
3.1.1.
Giá chuyển hướng (Bogie, truck)
Một loại bộ phận chạy có kết cấu bao như xà nhún, khung giá hoặc má giá, cơ cấu hộp trục bánh xe, bộ phận lò xo giảm chấn, hệ thống giằng hãm giá chuyển hướng,...
3.1.2.
Giá chuyển hướng hai trục (Two-axle bogie)
Giá chuyển hướng có hai bộ trục bánh xe.
3.1.3.
Giá chuyển hướng ba trục (Three-axle bogie)
Giá chuyển hướng có ba bộ trục bánh xe.
3.1.4.
Giá chuyển hướng nhiều trục (Multi-axle bogie)
Giá chuyển có ba bộ trục bánh xe trở lên.
3.1.5.
Giá chuyển hướng tổ hợp (Combination bogie)
Bộ giá chuyển hướng được kết thành bởi hai giá chuyển trở lên.
3.1.6.
Giá chuyển hướng có khung trượt (pedestal bogie)
Giá chuyển hướng có hộp trục được định vị bằng khung trượt.
3.1.7.
Giá chuyển hướng không có khung trượt (Non-pedestal bogie)
Giá chuyển hướng có hộp trục không được định vị bằng khung trượt.
3.1.8.
Giá chuyển hướng hướng kính (Radial bogie)
Giá chuyển hướng có đường tâm trục bánh xe có xu hướng chuyển dịch sang vị trí hướng tâm của đường cong khi toa xe vận hành trên đường cong.
3.1.9.
Giá chuyển hướng hướng kính tự dẫn hướng (Self-radial bogie)
Giá chuyển hướng hướng kính tự dẫn hướng là dựa vào lực trượt sinh ra giữa bánh xe và ray, khi toa xe đi vào đường cong, thông qua tác dụng của cơ cấu dẫn hướng (hệ thống đòn bẩy liên kết hộp trục với hộp trục hoặc với khung giá) làm đôi bánh xe tự động vào vị trí hướng kính của đường cong.
3.1.10.
Giá chuyển hướng hướng kính cưỡng bức (Force-radial bogie)
Giá chuyển hướng lợi dụng chuyển động quay tương đối giữa thân xe với khung giá chuyển hướng khi toa xe đi vào đường cong, thông qua cơ cấu dẫn hướng (hệ thống đòn bẩy liên kết hộp trục với hộp trục hoặc với khung giá) làm cho đôi bánh xe xoay nhẹ và cưỡng bức đôi bánh xe đi vào vị trí hướng kính của đường cong.
3.1.11.
Giá chuyển hướng chủ động điều chỉnh (Active control bogie)
Giá chuyển hướng dựa vào kích thích chấn động của đường và dao động của toa xe, nhờ một cơ cấu treo đặc biệt, hệ thống phản hồi và một nguồn động lực có thể liên tục cấp năng lượng, điều chỉnh các tham số treo của toa xe trên đường (cả độ lớn lẫn chiều), để giảm dao động nhằm cải thiện tính năng động lực học của toa xe.
3.1.12.
Giá chuyển hướng điều khiển bán chủ động điều chỉnh (Semi-active suspension (control) bogie)
Giá chuyển hướng có khả năng dựa vào phản hồi đối với kích thích chấn động của đường và tín hiệu dao động của toa xe, nhờ sử dụng một cơ cấu treo đặc biệt và hệ thống phản hồi, phải có tác động của bên ngoài tự điều chỉnh các tham số treo của toa xe trên đường (cả độ lớn lẫn chiều), để giảm dao động nhằm cải thiện tính năng động lực học của toa xe.
3.1.13.
Giá chuyển hướng kiểu con lắc (Swing-motion bogie)
Giá chuyển hướng có hai má giá đồng thời lắc qua lắc lại theo chiều ngang.
3.1.14.
Giá chuyển hướng không bệ lắc (Truck with noswing bolster)
Giá chuyển không có bệ đung đưa ở cơ cấu treo lò xo trung ương.
3.1.15.
Giá chuyển hướng không xà nhún (Bolsterless bogie)
Giá chuyển hướng không có xà nhún và hệ thống treo.
3.1.16.
Giá chuyển hướng ba khối (Three-piece bogie)
Giá chuyển gồm một xà nhún và hai má giá liên kết với nhau bằng lò xo xà nhún và các chi tiết giảm chấn khác.
3.1.17.
Giá chuyển hướng có giằng chéo (Frame - brace bogie)
Giá chuyển hướng ba khối có hai má giá nối kết với nhau bằng hai thanh đan chéo phía dưới thành liên kết chéo đàn hồi trong mặt phẳng ngang để chống biến dạng giữa hai má giá.
3.1.18.
Giá chuyển hướng kiểu khung (Frame type bogie)
Giá chuyển hướng có khung giá là một kết cấu liền khối được liên kết cứng.
3.2. Thông số kỹ thuật của giá chuyển hướng
3.2.1.
Chiều cao tự do mâm cối chuyển (Free height from rail top to center plate wearing surface)
Khoảng cách thẳng đứng từ bề mặt chịu mài mòn của mâm cối chuyển dưới tới đỉnh ray khi giá chuyển hướng ở trạng thái tự do không chịu tải.
3.2.2.
Đường chéo của giá chuyển hướng (Bogie diagonal)
Đường nối tâm hai hộp trục chéo góc trong một giá chuyển hướng.
3.2.3.
Khoảng cách trục cơ sở (Wheel base)
Khoảng cách giữa đường tâm trục trước và trục sau trên cùng một giá chuyển đo theo phương ngang.
3.2.4.
Khoảng cách trục (Fixed or rigid wheel base)
Khoảng cách giữa đường tâm hai trục kề nhau trong cùng một giá chuyển, đo theo phương ngang.
3.2.5.
Khoảng cách toàn phần của giá chuyển hướng tổ hợp (Total wheel base of bogie assembly)
Khoảng cách nằm ngang giữa đường tâm của trục đầu và trục cuối trên cùng một giá chuyển tổ hợp.
3.2.6.
Độ cứng chống xoắn của giá chuyển hướng (Bogie rigidity against distortion)
Mô men xoắn cần thiết để gây nên một đơn vị biến dạng xoắn theo chiều thẳng đứng của một đôi bánh xe đối với một đôi bánh khác trong cùng một giá chuyển (không kể giá chuyển tổ hợp).
3.2.7.
Độ cứng chống cắt của giá chuyển hướng (Bogie rigidity against shearing)
Lực cần thiết để gây nên một đơn vị chuyển vị ngang theo chiều nằm ngang của một đôi bánh xe với một đôi bánh liền kề trong cùng một giá chuyển (không kể giá chuyển tổ hợp).
3.2.8.
Khung giá chuyển hướng (Bogie, Frame, structure)
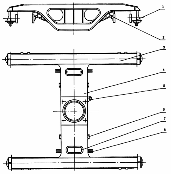
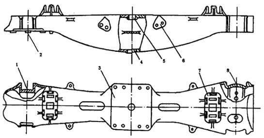
Bộ phận cơ bản để liên kết các hộp trục, đồng thời truyền lực tác dụng trong giá chuyển hướng (Xem hình A.1).
3.2.9.
Má giá (Side frame)
Bộ phận cơ bản nằm ở hai bên giá chuyển, dùng để lắp với hộp trục và truyền lực tác dụng trong giá chuyển hướng (Xem hình A.3).
3.3. Bộ trục bánh xe
3.3.1.
Trục xe (Axle)
Chi tiết liên kết hai bánh xe
3.3.2.
Bộ trục bánh xe (Wheel-set, wheel pair)
Bộ phận hợp thành bởi hai bánh xe và một trục xe.
3.3.3.
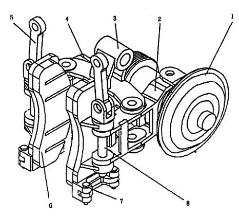
Bộ trục bánh xe hãm đĩa (Disk brake wheelset)
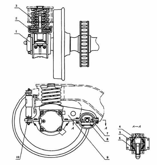
Bộ trục bánh xe có trục xe được lắp đĩa hãm (Xem hình A.5).
3.3.4.
Bánh xe có đai bánh xe (Tyred wheel)
Bánh xe hợp thành bởi đai bánh xe, mâm bánh xe và vòng hãm.
3.3.5.
Bánh xe liền khối (Solid wheel)
Bánh xe có đai bánh và mâm bánh liền một khối. Được chia ra bánh thép đúc liền, bánh thép cán liền.
3.3.6.
Bánh xe thép đúc liền (Cast Steel wheel)
Bánh xe liền khối được chế tạo bằng công nghệ đúc.
3.3.7.
Bánh xe thép cán liền (Wrought steel wheel, rolled Steel wheel)
Bánh xe liền khối được chế tạo bằng công nghệ cán, ép.
3.3.8.
Giang cách bánh xe (Distance between backs of wheel rims)
Khoảng cách mặt trong của hai vành bánh hoặc đai bánh xe thuộc cùng đôi bánh xe.
3.3.9.
Khoảng cách tâm cổ trục (Distance between acting center of journal load)
Khoảng cách giữa hai tâm điểm chịu tải trọng của cổ trục bánh xe.
3.3.10.
Mặt lăn bánh xe (Tread)
Mặt tiếp xúc của bánh xe với mặt đỉnh ray.
3.3.11.
Mặt lăn dạng mài mòn (Worn profile tread)
Mặt lăn bánh xe có dạng ban đầu gần giống với dạng ổn định sau khi đã mài mòn để giảm bớt hao mòn nhằm tăng tuổi thọ của đôi bánh xe và ray.
3.3.12.
Độ dốc mặt lăn (Tread taper)
Độ dốc của phần đường thẳng trên mặt lăn dạng côn so với phương ngang.
3.3.13.
Điểm chuẩn mặt lăn (Taping point)
Điểm nằm trên mặt lăn cách mặt trong bánh xe 65mm (đôi bánh xe đường 1000mm) hoặc 70 mm (đôi bánh xe đường 1435mm).
3.3.14.
Đường chuẩn mặt lăn hoặc vòng lăn bánh xe (Tread base line)
Tập hợp tất cả các điểm chuẩn dùng để đo đường kính bánh xe.
3.3.15.
Đường kính bánh xe (Wheel diameter)
Đường kính vòng lăn bánh xe.
3.3.16.
Chiều dày đai bánh xe (Tire thickness)
Chiều dày đai bánh xe tại vị trí đo đường kính bánh xe.
3.3.17.
Chiều dày mặt trong vành bánh (Rim inside thickness)
Chiều dày mặt trong vành bánh của bánh xe đúc hoặc cán liền (kích thước d Hình 8).
3.3.18.
Chiều dày mặt ngoài vành bánh (Rim outside thickness)
Chiều dày mặt ngoài vành bánh của bánh xe đúc hoặc cán liền (kích thước d1 Hình 8).
3.3.19.
Chiều rộng vành bánh (Rim width)
Chiều rộng giữa mặt trong và mặt ngoài vành bánh xe.
3.3.20.
Đường chuẩn đo chiều cao lợi bánh xe (Flange base line)
Đường thẳng nằm ngang cách đường chuẩn một độ cao theo quy định.
3.3.21.
Chiều cao lợi bánh xe (Flange height)
Khoảng cách thẳng đứng từ đỉnh lợi tới đường chuẩn đo chiều cao lợi.
3.3.22.
Chiều dày lợi bánh xe (Flange thickness)
Khoảng cách từ một điểm nằm trên mặt ngoài lợi bánh cách đường chuẩn mặt lăn một độ cao nhất định (độ cao này xác định theo thiết kế của kiểu loại mặt lăn) tới mặt trong bánh xe.
3.3.23.
Đường kính moay ơ (Hub diameter)
Đường kính ngoài của mặt moay ơ bánh xe.
3.3.24.
Chiều dày moay ơ (Hub thickness)
Một nửa hiệu của đường kính moay ơ và đường kính lỗ moay ơ bánh xe.
3.3.25.
Khe hở khung trượt hộp trục (Axle box play)
Khe hở giữa rãnh trượt hộp trục và khoang trượt má giá (hoặc khung giá) gồm khe hở dọc khoang trượt hộp trục và khe hở ngang khoang trượt hộp trục.
3.3.26.
Tải trọng trên trục (Load on axle journals)
Lực thẳng đứng đặt lên đầu cổ trục bánh xe ở trạng thái tĩnh.
3.3.27.
Tải trọng trục (Axle load)
Tải trọng lớn nhất cho phép chịu đựng của trục xe.
3.3.28.
Tải trọng trục toàn phần (Gross Axle load)
Tổng của trọng tải trục và trọng lượng bản thân bộ trục bánh xe.
3.3.29.
Nhiệt độ hộp trục (Journal temperature)
Nhiệt độ của ổ bi trục khi toa xe vận hành.
3.3.30.
Lợi mòn thẳng đứng (Vertical flange)
Phần chân lợi bánh xe bị mài mòn thành cạnh thẳng đứng.
3.3.31.
Mòn vẹt mặt lăn (Flat sliding, tread slid flat)
Hiện tượng mài mòn thành mặt phẳng do bánh xe bị trượt trên ray.
3.3.32.
Bong tróc mặt lăn (Flaking on wheel tread, shelled tread)
Hiện tượng kim loại của mặt lăn bánh xe bị bong tróc từng miếng hoặc từng mảng.
3.4. Các bộ phận lò xo, giảm chấn
3.4.1.
Hộp trục (Journal box)
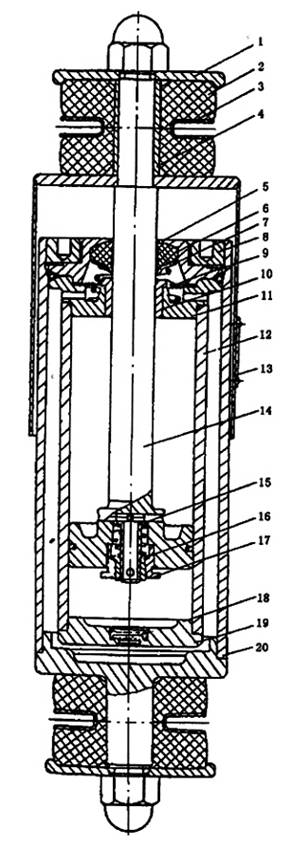
Bộ phận lắp ở cổ trục bánh xe có ổ bi và cơ cấu bôi trơn dùng để truyền tải trọng và hạn chế độ dịch dọc, dịch ngang của bộ bánh xe (Xem hình A.6).
3.4.2.
Đệm trung gian chịu tải (Adapter)
Bộ phận có hình dạng yên để đệm giữa ổ lăn với khung giá, có tác dụng truyền tải trọng và hạn chế xê dịch của bộ trục bánh xe.
3.4.3.
Bộ phận dẫn hướng hộp trục (Box guidance)
Bộ phận định vị hộp trục với khung giá chuyển.
3.4.4.
Bộ phận giảm chấn và lò xo (Spring and vibration absobiny device)
Tổ hợp lò xo và giảm chấn trong giá chuyển, có tác dụng làm giảm các chấn động và va đập khi toa xe chạy, giúp nâng cao chất lượng vận hành của toa xe.
3.4.5.
Cụm lò xo hộp trục (Journal spring device)
Bộ phận lò xo nằm giữa hộp trục và khung giá chuyển hướng.
3.4.6.
Lò xo hộp trục (Journal spring)
Lò xo trong bộ phận lò xo hộp trục.
3.4.7.
Bộ phận treo lò xo (Spring suspension) (Xem hình A.11).
Bộ phận chịu trọng lượng trên lò xo liên kết với khung giá chuyển hướng bằng phương pháp treo.
3.4.8.
Bộ phận lò xo (Spring device)
Bộ phận có tác dụng giảm chấn dùng để giảm các chấn động và xung lực khi toa xe vận hành.
3.4.9.
Cụm lò xo trung ương (lò xo xà nhún) (Bolster spring device)
Cụm lò xo của khung giá (hoặc má giá) và xà nhún.
3.4.10.
Lò xo xà nhún (lò xo trung ương) (Bolster spring)
Lò xo nằm trong cụm lò xo xà nhún hoặc lò xo trung ương.
3.4.11.
Lò xo không khí (Air spring)
Bộ phận dùng để giảm dần chấn động và xung lực dựa trên tính chịu nén của không khí (Xem hình A.13).
3.4.12.
Lò xo cao su (Rubber spring)
Bộ phận được ghép bởi các tấm cao su và kim loại, có tính năng giảm dần chấn động và xung lực.
3.4.13.
Hệ treo thứ nhất (Primary suspension)
Cụm lò xo hộp trục hoặc lò xo hộp trục.
3.4.14.
Hệ treo thứ hai (Secondary suspension)
Cụm lò xo xà nhún hoặc lò xo trung ương.
3.4.15.
Kết cấu một hệ lò xo (Single-stage suspension)
Chỉ có một hệ lò xo thứ nhất hoặc một hệ lò xo thứ hai trong giá chuyển hướng.
3.4.16.
Kết cấu hai hệ lò xo (Two-stage suspension)
Có đồng thời cả hệ lò xo thứ nhất và hệ lò xo thứ hai trong giá chuyển hướng.
3.4.17.
Xà nhún (Bolster)
Bộ phận liên kết với khung giá chuyển qua bộ phận lò xo, trực tiếp chịu trọng lượng của thân xe.
3.4.18.
Van điều chỉnh độ cao (Leveling valve)
Bộ phận dùng để điều chỉnh lò xo không khí giữ được độ cao trong một phạm vi nhất định.
3.4.19.
Bộ giảm chấn (Shock absorber, damper)
Bộ phận chủ yếu dùng để triệt tiêu hoặc giảm các chấn động và lực va đập khi toa xe vận hành.
3.4.20.
Giảm chấn ma sát (Snubber)
Giảm chấn bằng sức cản ma sát hoặc lực cản sinh ra trong chuyển động tương đối của mặt ma sát, được chia giảm chấn lực ma sát không đổi và giảm chấn lực ma sát thay đổi.
3.4.21.
Giảm chấn kiểu lực ma sát không đổi (Constant friction type snubbing device)
Giảm chấn ma sát có lực ma sát là một hằng số, không thay đổi theo tải trọng của toa xe.
3.4.22.
Giảm chấn kiểu lực ma sát thay đổi (Variable friction type snubbing device)
Giảm chấn ma sát có lực ma sát thay đổi tùy theo tải trọng của toa xe.
3.4.23.
Giảm chấn thủy lực (Hydraulic damper)
Giảm chấn bằng sức cản sinh ra khi dầu đi qua van tiết lưu (Xem Hình A.17).
3.4.24.
Van tiết lưu của lò xo không khí (Throttle for air spring)
Bộ phận giảm dao động tắt dần, lắp ở giữa thân lò xo không khí và buồng chứa không khí phụ, có diện tích lỗ tiết lưu thay đổi theo chênh lệch áp lực giữa hai phía.
3.4.25.
Van cân bằng áp suất (Pressure balancing valve)
Bộ phận có tác dụng bảo vệ an toàn lắp trong hệ thống lò xo không khí của giá chuyển, giữ cho chênh lệch áp lực của hai lò xo không khí không lớn quá một trị số cho phép.
3.5. Các loại bàn trượt
3.5.1.
Bản trượt (Side bearing)
Bộ phận dùng để khống chế độ nghiêng lệch của thân xe khi toa xe vận hành. Đối với toa xe có bàn trượt chịu lực, bộ phận này dùng để đỡ thân xe và truyền tải trọng thân xe xuống giá chuyển.
3.5.2.
Bàn trượt kiểu miếng trượt (Sliding block side bearing)
Bàn trượt có bàn trượt dưới gồm miếng trượt, thân bàn trượt dưới, tấm cao su.
3.5.3.
Bàn trượt kiểu tấm lắc (Pendulum side bearing)
Bàn trượt có bàn trượt dưới gồm hộp bàn trượt, thân bàn trượt và tấm đệm bàn trượt.
3.5.4.
Bàn trượt kiểu con lăn (Roller side bearing)
Bàn trượt có bàn trượt dưới gồm con lăn, lò xo, thân bàn trượt.
3.5.5.
Bàn trượt thủy lực (Hydraulic side bearing)
Bàn trượt làm việc bằng áp lực dầu hệ thống.
3.5.6.
Bàn trượt thủy lực - khí ép (thủy khí) (Hydro pneumatic side bearing)
Bàn trượt làm việc bằng hệ thống kết hợp khí ép và dầu.
3.5.7.
Bàn trượt đàn hồi (Elastic side-bear)
Bộ phận có tính đàn hồi nằm ở hai bên phải và trái cối chuyển hướng để giữ cho thân xe và giá chuyển luôn luôn được tiếp xúc, một mặt chịu một phần trọng lượng của thân xe, mặt khác tạo nên mô men cản lực quay giữa thân xe và giá chuyển.
3.6. Cơ cấu chấp hành và các tham số của lò xo, giảm chấn
3.6.1.
Cơ cấu chấp hành (Actuator)
Cơ cấu của thân toa xe kiểu nghiêng, được lắp trên giá chuyển và thân xe. Khi nhận được tín hiệu điện từ cảm biến làm cho cơ cấu chấp hành sẽ cưỡng bức thân xe nghiêng tương đối hướng vào phía trong đường cong.
3.6.2.
Khe hở mang trượt xà nhún (Bogie bolster play)
Khe hở giữa khoang trượt xà nhún và trụ đứng má giá (hoặc khung giá), chia thành khe hở dọc trục và khe hở dọc xe ở một đầu xà nhún.
3.6.3.
Tải trọng cối chuyển (Load on center plate)
Lực thẳng đứng tác dụng lên cối chuyển ở trạng thái tĩnh.
3.6.4.
Tải trọng bàn trượt (Load on side bearing)
Lực thẳng đứng tác dụng lên bàn trượt ở trạng thái tĩnh.
3.6.5.
Tải trọng đối xứng chéo (Diagonally symmetrical loading force)
Hệ lực thẳng đứng gồm hai nhóm lực thẳng đứng có trị số bằng nhau, chiều khác nhau tác dụng lên vị trí lò xo của hai hộp trục chéo nhau trong khung giá chuyển.
3.6.6.
Độ nhún tĩnh của lò xo (Static spring deflection)
Lượng biến dạng đàn hồi của lò xo dưới tác dụng của tải trọng tĩnh.
3.6.7.
Độ nhún động của lò xo (Dynamic spring deflection)
Lượng biến dạng đàn hồi tăng thêm dưới tác dụng của tải trọng động khi toa xe vận hành.
3.6.8.
Độ nhún dư lò xo (Spring deflection reservation)
Hiệu giữa độ nhún tuyến tính của lò xo và độ nhún tĩnh dưới tác dụng của tải trọng tính toán lớn nhất.
3.6.9.
Hệ số độ nhún dư (Coefficient of spring deflection reservation)
Tỷ số giữa độ nhún dư và độ nhún tĩnh của lò xo.
3.6.10.
Hệ số ma sát tương đối của giảm chấn ma sát (Relative friction coefficient of snubber)
Tỷ số giữa tổng lực cản ma sát của bộ giảm chấn ma sát và lực tác dụng lên lò xo trong giá chuyển.
3.6.11.
Hệ số cản của giảm chấn thủy lực (Damping coefficient of hydraulic damper)
Tỷ số giữa lực cản bộ giảm chấn thủy lực và tốc độ dao động của hai bộ phận nối kết trong quá trình dao động.
3.6.12.
Chỉ số giảm chấn (Damping index)
Tỷ số giữa hệ số cản của giảm chấn và trị số tới hạn dao động tắt dần của bộ phận lò xo giảm chấn.
4. Hãm toa xe
4.1. Tính năng hãm
4.1.1
Hãm (Braking)
Tác dụng giảm tốc độ hoặc ngăn ngừa xu thế tăng tốc của toa xe hoặc đoàn tàu bằng ngoại lực.
4.1.2.
Hãm từ ray (Magnetic rail brake)
Phương pháp hãm được thực hiện bằng cách đẩy tấm thép điện từ xuống tới mặt ray và nối thông dòng điện kích từ để điện từ được hút (hấp thụ) vào mặt ray với một lực hút nhất định tạo nên lực ma sát hãm đoàn tàu.
4.1.3.
Hãm dòng điện cảm ứng (Eddy current braking)
Phương pháp hãm bằng sức cản dòng điện cảm ứng điện từ sinh ra trên bề mặt đường ray do thép điện từ, sau khi được kích từ chuyển động tương đối với đường ray.
4.1.4.
Hãm gió ép (Air brake)
Phương pháp hãm được thực hiện bằng cách sử dụng khí nén để điều khiển van phân phối, làm piston xi lanh hãm dịch chuyển gây tác dụng lên hệ thống hãm.
4.1.5.
Hãm điện gió ép (Electro-pneumatic brake)
Hãm khí nén được điều khiển bằng các tín hiệu điện.
4.1.6.
Giảm áp cục bộ (Local reduction)
Giảm áp suất không khí trong ống hãm (ống dẫn khí nén) đoàn xe do tay hãm đầu máy tạo nên để tác động tới van hãm ở các toa xe lân cận.
4.1.7.
Giảm áp cục bộ thường (Quick service)
Tác dụng giảm áp suất cục bộ sinh ra khi tay hãm đầu máy ở vị trí hãm thường.
4.1.8.
Giảm áp cục bộ khẩn (Quick action)
Tác dụng giảm áp suất cục bộ sinh ra khi tay hãm đầu máy ở vị trí hãm khẩn.
4.1.9.
Độ xì hở (Spontaneous leakage)
Lượng giảm áp suất khí nén trong ống gió đoàn tàu do xì hở.
4.1.10.
Lực hãm (Braking force)
Ngoại lực do cơ cấu hãm sinh ra có trị số có thể khống chế được tác dụng vào toa xe, có chiều tác dụng ngược với chiều chuyển động của toa xe.
4.1.11.
Nhả hãm (Release)
Triệt tiêu tác dụng hãm.
4.1.12.
Hãm ma sát (Friction braking)
Phương pháp hãm biến động năng của toa xe thành nhiệt năng bằng ma sát.
4.1.13.
Hãm động năng (Dynamic braking)
Phương pháp hãm chuyển động năng của toa xe thành momen cản.
4.1.14.
Hãm thường (Service brake application)
Phương pháp hãm làm giảm tốc độ của đoàn tàu để điều khiển đoàn tàu dừng đỗ đúng nơi quy định.
4.1.15.
Hãm khẩn (Emergency brake application)
Phương pháp hãm làm giảm nhanh tốc độ của đoàn tàu để đoàn tàu có thể dừng trong khoảng cách ngắn nhất.
4.1.16.
Sóng hãm (Brake propagation)
Sự truyền tác dụng hãm từ toa xe trước đến toa xe sau khi hãm đoàn tàu.
4.1.17.
Sóng nhả hãm (Release propagation)
Sự truyền tác dụng nhả hãm từ toa xe trước đến toa xe sau khi nhả hãm đoàn tàu.
4.1.18.
Tốc độ sóng hãm (Brake propagation rate)
Khoảng cách lan truyền sóng hãm trong một đơn vị thời gian.
4.1.19.
Tốc độ sóng nhả hãm (Release propagation rate)
Khoảng cách lan truyền sóng nhả hãm trong một đơn vị thời gian.
4.1.20.
Độ nhạy hãm (Sensitivity)
Tính năng đảm bảo cho máy hãm có thể gây tác dụng hãm sau một thời gian nhất định khi khí nén trong đường ống hãm được giảm áp với một tốc độ giảm áp hoặc với một lượng giảm áp nhất định.
4.1.21.
Độ không nhạy hãm (Insensitivity)
Tính năng giữ cho máy hãm không gây nên tác dụng hãm khi giảm áp từ từ của khí nén trong đường ống hảm chưa vượt quá trị số quy định.
4.1.22.
Tính ổn định hãm (Service stability)
Tính năng giữ cho máy hãm không gây nên tác dụng hãm khẩn khi thực hiện hãm thường.
4.1.23.
Thời gian hãm (Braking time)
Thời gian tính từ thời điểm tài xế đưa tay hãm tới vị trí hãm cho đến khi đoàn tàu được giảm tốc độ và dừng lại.
4.1.24.
Thời gian chạy không (Free running time)
Thời gian đoàn tàu chạy khi tài xế bắt đầu hãm trong điều kiện không có bất cứ lực hãm nào tác dụng lên đoàn tàu tới khi lực hãm phát huy tác dụng.
4.1.25.
Thời gian hãm thực tế (Actual braking time)
Thời gian đoàn tàu chạy với tốc độ giảm dần từ khi lực hãm phát huy tác dụng đến khi dừng hẳn.
4.1.26.
Khoảng cách hãm (Braking distance)
Quãng đường đoàn tàu chạy được trong thời gian hãm.
4.1.27.
Khoảng cách chạy không (Free running distance)
Quãng đường đoàn tàu chạy được trong thời gian chạy không.
4.1.28.
Khoảng cách hãm thực tế (Actual braking distance)
Quãng đường đoàn tàu chạy được trong thời gian hãm thực tế.
4.1.29.
Khoảng cách hãm tính toán (calculated braking distance)
Tổng của khoảng cách chạy không và khoảng cách hãm thực tế.
4.1.30.
Suất hãm (Braking ratio)
Tỷ số giữa tổng áp lực guốc hãm toa xe và trọng lượng toa xe đó.
4.1.31.
Suất hãm toa xe không tải (empty braking ratio)
Suất hãm của toa xe ở trạng thái toa xe không tải.
4.1.32.
Suất hãm toa xe có tải (load braking ratio)
Suất hãm của toa xe ở trạng thái tổng trọng.
4.1.33.
Suất hãm hãm tay (hand brake braking ratio)
Tỷ số giữa tổng áp lực guốc hãm và trọng lực xe khi thực hiện hãm tay.
4.1.34.
Suất hãm trục (Axle braking ratio)
Tỷ số giữa tổng áp lực guốc hãm của trục được hãm và trọng lực của trục đó, (trọng lực là tổng tải trọng trục và tự trọng của đôi bánh xe).
4.1.35.
Hiệu suất hãm (Braking efficiency)
Tỷ số giữa tổng áp lực hãm thực tế và tổng áp lực hãm lý thuyết.
4.1.36.
Bội suất hãm (Braking leverage)
Tỷ số giữa tổng áp lực guốc hãm lý thuyết và lực đẩy của pitston xi lanh hãm khi hiệu suất hãm là 100%.
4.1.37.
Giảm tốc bình quân (Average retardation rate)
Tỷ số giữa hiệu số tốc độ đầu hãm với tốc độ cuối hãm và thời gian thực hiện quá trình giảm tốc đó.
4.1.38.
Tốc độ bắt đầu hãm (Inital speed at brake application)
Tốc độ đoàn tàu tại thời điểm bắt đầu thao tác tay hãm để thực hiện hãm.
4.2. Hãm giá chuyển hướng
4.2.1.
Hãm mặt lăn (Tread brake)
Sử dụng guốc hãm ép chặt vào mặt lăn bánh xe để sinh ra lực hãm.
4.2.2.
Hãm đĩa (Disk brake)
Sử dụng má hãm ép chặt vào đĩa hãm để sinh ra lực hãm.
4.2.3.
Hãm đơn (Single side brake)
Phương pháp hãm mặt lăn chỉ ở một bên bánh xe.
4.2.4.
Hãm kép (Clasp brake)
Phương pháp hãm mặt lăn ở cả hai bên bánh xe.
4.2.5.
Xà hãm (Brake beam)
Bộ phận giằng hãm giá chuyển có tác dụng giữ cho lực hãm hai bên bánh xe trên cùng một bộ trục bánh bằng nhau.
4.2.6.
Guốc hãm (brake shoe)
Chi tiết ép vào mặt lăn bánh xe tạo nên lực hãm khi hãm (trong hãm mặt lăn).
4.2.7.
Má hãm (brake lining)
Chi tiết ép vào đĩa hãm tạo nên lực hãm khi hãm (trong đĩa hãm).
4.2.8.
Guốc hãm phốt pho cao (High phosphor brake shoe)
Guốc hãm được chế tạo bằng gang đúc có hàm lượng phốt pho trên 1 %.
4.2.9.
Guốc hãm phốt pho trung bình (Medium phosphor brake shoe)
Guốc hãm được chế tạo bằng gang đúc có hàm lượng phốt pho từ 0,7 % đến 1 %.
4.2.10.
Guốc hãm composite (Composite brake shoe)
Guốc hãm làm bằng vật liệu tổng hợp: dùng vật liệu phi kim loại và bột kim loại pha lẫn với chất kết dính và được nén ép ở nhiệt độ và áp suất cao.
4.2.11.
Guốc hãm composite ma sát cao (High friction composite brake shoe)
Guốc hãm được chế tạo bằng vật liệu composite có hệ số ma sát lớn.
4.2.12.
Guốc hãm composite ma sát thấp (Low friction composite brake shoe)
Guốc hãm được chế tạo bằng vật liệu composite có hệ số ma sát tương đối thấp.
4.2.13.
Má hãm Composite (Composite brake lining)
Má hãm trong hãm đĩa làm bằng composite.
4.2.14.
Guốc hãm bột kim loại (Powder metallurgy brake shoe)
Guốc hãm được chế tạo bằng các công nghệ tạo hình, vật liệu ma sát dạng bột kim loại, có tính năng chịu nhiệt cao và tính năng ma sát tốt.
4.2.15.
Đĩa hãm (Brake disk)
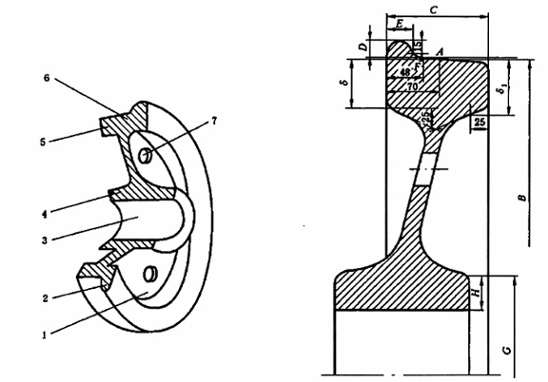
Đĩa ma sát hình tròn được lắp chặt trên bánh xe hoặc trục xe sử dụng trong hãm đĩa (Xem Hình A.10).
4.2.16.
Cơ cấu hãm đơn nguyên (Brake unit)
Cơ cấu hãm độc lập gồm xi lanh hãm và bộ phận tự điều chỉnh khe hở guốc hãm lắp chung thành một khối (Xem Hình A.17).
4.3. Hệ thống hãm
4.3.1.
Bộ phận giằng hãm (brake rigging)
Tổng thành liên kết các thanh dùng để truyền và khuyếch đại lực hãm khi hãm toa xe, thường chia ra bộ phận giằng hãm thân xe và bộ phận giằng hãm giá chuyển.
4.3.1.1.
Bộ phận giằng hãm thân xe (Foundation brake rigging)
Một bộ phận hợp thành của bộ phận giằng hãm nằm giữa đòn bẩy trước của xi lanh hãm và thanh kéo cân bằng hoặc thanh kéo trên.
4.3.1.2.
Bộ phận giằng hãm giá chuyển (Bogie brake rigging)
Một bộ phận hợp thành của bộ phận giằng hãm lắp trên giá chuyển, để thực hiện các chức năng của máy hãm.
4.3.1.3.
Bộ phận hai áp lực (Two-pressure equalizing system)
Nguyên lý hoạt động của một loại van hãm phân phối. Bộ phận được tác động do chênh lệch áp suất hoặc cân bằng áp suất giữa hai phía của piston: ống gió đoàn xe và phía thùng gió phụ.
4.3.1.4.
Bộ phận cân bằng ba áp lực (Three-pressure equalizing system)
Nguyên lý hoạt động của một loại van hãm phân phối. Bộ phận được tác động do chênh lệch áp suất hoặc cân bằng áp suất giữa ba phía: ống gió đoàn xe, xi lanh hãm và thùng gió định áp.
4.3.2. Máy hãm
4.3.2.1.
Máy hãm (Brake)
Bộ phận hợp thành tính từ đầu ống mềm tới xi lanh hãm, hoạt động do tài xế trực tiếp điều khiển.
4.3.2.2.
Hãm tay (Man operating brake)
Bộ phận do sức người tạo nên lực hãm trong cơ cấu hãm.
4.3.2.3.
Máy hãm gió ép (Air brake)
Máy hãm dùng khí nén để điều khiển van hãm phân phối, là động lực chính để tạo nên lực tác dụng hãm toa xe.
4.3.2.4.
Máy hãm điện gió ép (Electro-pneumatic brake)
Máy hãm dùng khí nén làm động lực chính để tạo nên lực tác dụng hãm và được điều khiển bằng dòng điện.
4.3.2.5.
Máy hãm gió ép tự động (Automatic air brake)
Máy hãm khí nén có đặc điểm giảm áp suất ống gió đoàn xe gây nên tác dụng hãm, tăng áp suất ống gió đoàn xe gây nên tác dụng nhả hãm.
4.3.3. Các loại van chính
4.3.3.1.
Van hãm phân phối (Distributing valve)
Bộ phận chủ yếu của máy hãm dùng để điều khiển việc phân phối khí nén để thực hiện các tác dụng hãm và nhả hãm.
4.3.3.2.
Van hãm ba cửa (Triple valve)
Van hãm phân phối nối thông với ống gió đoàn xe, thùng gió phụ và xi lanh hãm.
4.3.3.3.
Van an toàn (Safety valve)
Van dùng để hạn chế không cho áp suất khí nén quá cao trong máy hãm.
4.3.3.4.
Van xả khí nén (Release valve)
Van dùng để xả bớt áp lực không khí trong thùng gió phụ hoặc thùng gió áp lực, gây nên tác dụng nhả hãm của máy hãm.
4.3.3.5.
Van hãm khẩn (Emergency brake valve)
Van lắp trong toa xe có thể thực hiện hãm khi cần hãm khẩn cấp.
4.3.4. Các đường ống
4.3.4.1.
Ống hãm (Brake pipe)
Đường ống lắp trên toa xe, dùng vận chuyển khí nén cho máy hãm. Gồm có: ống mềm, ống hãm chính, ống hãm nhánh.
4.3.4.2.
Ống hãm chính (Brake main pipe)
Ống hãm thông suốt hai đầu toa xe.
4.3.4.3.
Ống hãm nhánh (Brake branch pipe)
Phần ống nối giữa ống hãm chính và van phân phối hoặc van điều khiển hãm.
4.3.4.4.
Ống hãm đoàn xe (Train pipe, train line)
Đường ống liên kết các ống hãm chính của đầu máy, toa xe lại với nhau tạo thành một hệ thống thông suốt từ đầu đến cuối để vận chuyển khí nén và điều khiển các máy hãm khi đầu máy và các toa xe lập thành một đoàn tàu.
4.3.5. Ống mềm và khóa gió
4.3.5.1.
Ống mềm (Brake hose coupling)
Bộ phận gồm ống mềm và đầu ngàm dùng liên kết các ống hãm chính của hai toa xe cạnh nhau.
4.3.5.2.
Bộ lọc bụi (Dirt collector)
Bộ phận dùng để làm sạch khí nén.
4.3.5.3
Khóa gió (Angle cock)
Khóa dùng để mở hoặc đóng đường thông khí nén giữa đường ống hãm chính và ống mềm.
4.3.5.4.
Khóa ngắt gió (Cut-out cock)
Khóa dùng để mở hoặc đóng (ngắt) đường thông khí nén giữa van phân phối (hoặc van điều khiển) và ống hãm chính.
4.3.5.5.
Bộ phận điều chỉnh không tải - có tải (empty-load changeover cock)
Bộ phận dùng để chuyển đổi chế độ hãm tùy toa xe ở trạng thái không tải hoặc có tải. Nhằm điều chỉnh tổng áp lực guốc hãm của toa xe tăng giảm theo sự tăng giảm của tổng trọng toa xe, nên đảm bảo suất hãm của toa xe ở các tải trọng khác nhau thay đổi theo.
4.4. Xi lanh hãm và thùng gió
4.4.1.
Xi lanh hãm (Brake cylinder)
Bộ phận chuyển áp lực của khí nén thành lực đẩy của piston trong cơ cấu hãm khí nén.
4.4.1.1.
Thùng gió định áp (Constant pressure reservoir)
Thùng gió điều khiển có áp lực cố định không tăng giảm theo áp suất của ống gió đoàn xe dùng cho van phân phối cơ cấu ba áp lực.
4.4.1.2.
Thùng gió phụ (Auxiliary reservoir)
Thùng chứa khí nén dùng để cung cấp khí nén cho xi lanh hãm toa xe.
4.4.1.3.
Thùng gió bổ sung (Supplementary reservoir)
Thùng chứa khí nén dùng để cung cấp khí nén cho hãm khẩn cấp và máy hãm có tác dụng nhả hãm giai đoạn.
4.4.1.4.
Buồng gió công tác (Operating reservoir)
Buồng chứa khí nén dùng để đưa khí nén vào buồng dung tích khi hãm.
4.4.1.5.
Buồng gió nhả hãm nhanh (Accelerated release reservoir)
Buồng chứa khí nén dùng làm nguồn gió cung cấp nhả hãm nhanh cho van điều khiển khí nén toa xe khi nhả hãm nhanh.
4.4.1.6.
Buồng giảm áp (Pressure reducting reservoir)
Buồng chứa gió dùng để tự động tăng dung tích xi lanh hãm nhằm giảm áp lực xi lanh hãm khi toa xe ở trạng thái không tải, việc thực hiện nhờ van chuyển đổi rỗng-tải được nối thông với xi lanh hãm.
4.5. Các bộ phận khác
4.5.1.
Thiết bị chống trượt (Anti-skid device)
Cơ cấu phòng chống toa xe bị trượt (lết bánh) do lực hãm quá lớn khi hãm.
4.5.2.
Bộ tự động điều chỉnh khe hở guốc hãm (automatic slack adjuster)
Cơ cấu tự động điều chỉnh khe hở guốc hãm và mặt lăn bánh xe sau khi bị mài mòn gây nên, đảm bảo giữ cho hành trình piston phù hợp với yêu cầu của lực hãm.
5. Bộ phận thân xe
5.1. Thân xe
5.1.1.
Thân xe thép không gỉ (Stainless Steel car body)
Thân xe có tất cả các bộ phận hoặc một phần lớn bộ phận chịu tải bằng thép không gỉ.
5.1.2.
Thân xe hợp kim nhôm (Aluminum alloy car body)
Thân xe có tất cả hoặc phần lớn các bộ phận chịu tải bằng hợp kim nhôm.
5.1.3.
Thân xe xitéc (Tank)
Thân có dạng thùng kín dùng để chứa chất lỏng, chất khí hóa lỏng hoặc chất bột, được chia làm hai loại: xitéc đứng và xitéc nằm.
5.1.4.
Kết cấu thép (Steel structure)
Kết cấu thân xe bằng vật liệu thép.
5.1.5.
Thùng xe tự đổ (Dumping box)
Thùng chứa hàng đặt lên bệ xe, có thể lật nghiêng để đỡ hàng trong toa xe tự lật, gồm bệ thân xe, thành đầu và thành bên.
5.1.6.
Trang trí bên trong thân xe (Interior decoration)
Các chi tiết, bộ phận lắp đặt bên trong kết cấu thép của thân xe dùng để chịu tải các bộ phận bên trong khác và để trang trí.
5.1.7.
Kết cấu hỗn hợp thép-gỗ (Steel-wood composite structure)
Kết cấu hợp thành bởi các xà, cột bằng thép và các xà, cột (hoặc) tấm bằng gỗ.
5.1.8.
Kết cấu thùng tròn vỏ mỏng (Thin-shelled cylindrical structure)
Kết cấu có vỏ mỏng và mặt cắt ngang hình ống kín, ví dụ kết cấu thép của toa xe khách toàn thép, kết cấu thùng xe xitéc.
5.1.9.
Khung thép (Steel framework)
Khung thân xe gồm các cấu kiện chịu lực như xà, cột (trụ) làm bằng thép.
5.1.10.
Khung gỗ (Wooden framework)
Khung thân xe gồm các cấu kiện như xà, cột làm bằng gỗ dùng để lắp các thành gỗ, mui gỗ, sàn gỗ và các thiết bị trong xe.
5.1.11.
Máng che mưa (Eaves watershed)
Chi tiết hình lòng máng dùng để che chắn nước mưa khỏi lọt vào thành xe và cửa toa xe.
5.1.12.
Phễu rót (hopper)
Cơ cấu dùng để dỡ hàng trong toa xe mở đáy.
5.1.13.
Cửa cẩu hàng (Hatch)
Cửa để cẩu các thiết bị công kềnh hoặc nặng.
5.1.14.
Cửa chất hàng (loading hatch)
Các cửa chất hàng hóa ở trên mui (nóc) toa xe, thường có khóa và kẹp chì.
5.1.15.
Thiết bị thông hơi (Ventilate device)
Cơ cấu nằm trong thân thùng xitéc dùng để cân bằng áp lực hai không gian cách ly trong thùng xitéc.
5.1.16.
Vòi xả hàng (Drain tap)
Vòi xả lắp ở buồng gió dùng để xả hàng dạng bột bằng khí nén.
5.1.17.
Cửa kiểm tra (Manhole)
Cơ cấu cửa nằm ở mặt trên của thùng xe xitéc, dùng cho người ra vào làm việc và kiểm tra trong thân
5.1.18.
Hộp thiết bị (Equipment cabin)
Hộp kín dùng để che và bảo vệ các thiết bị trong quá trình vận hành.
5.2. Kết cấu thành đầu toa xe
5.2.1.
Thành đầu (End wall)
Bộ phận liên kết với bệ xe làm thành hai đầu thân xe.
5.2.2.
Thành đầu trong (Inner end wall)
Thành ngăn cách giữa hành lang và buồng khách trong toa xe có hành lang kiểu kín.
5.2.3.
Thành đầu ngoài (Outer end wall)
Thành đầu ngoài cùng của toa xe có hành lang kiểu kín.
5.2.4.
Tấm vách thành đầu (End sheating, end wall plate)
Các vách của kết cấu thành đầu, theo vật liệu có thể chia tấm vách thành đầu kim loại, tấm vách thành đầu phi kim loại; theo vị trí chia tấm vách thành đầu ngoài và tấm vách thành đầu trong.
5.2.5.
Nẹp ngang (Cross band)
Chi tiết kiểu nẹp nằm ngang của thành đầu để tăng độ bền và độ cứng vững của thành đầu.
5.3. Kết cấu thành bên toa xe
5.3.1.
Thành bên (Side wall)
Bộ phận liên kết với bệ xe làm thành hai thành bên của thân xe.
5.3.2.
Nẹp lưng (Side waistband)
Chi tiết hình đai (nẹp) nằm ngang của thành bên dùng để tăng độ bền và độ cứng vững của thành bên.
5.3.3.
Tấm thành bên (Side sheating, side wall plate)
Các tấm của kết cấu thành bên - theo kết cấu chia tấm ngoài thành bên và tấm trong thành bên, theo vật liệu chia tấm thành bên kim loại và tấm thành bên phi kim loại.
5.3.4.
Thành bên không cố định (Movable side wall)
Thành bên được tạo bởi các cửa di chuyển được.
5.3.5.
Vách ngăn (Partition wall)
Bộ phận ngăn khoang chứa của toa xe làm hai hoặc hai phần trở lên.
5.3.6.
Cột chống (Side brace)
Chi tiết dùng để gia cố, làm tăng độ cứng vững của thành bên.
5.4. Kết cấu bệ toa xe
5.4.1.
Bộ xe (Underframe)
Bộ phận chính của thân xe, chủ yếu dùng để chịu tải trọng dọc và tải trọng thẳng đứng.
5.4.2.
Xà kéo (Draft sill)
Xà dọc nằm giữa xà gối và xà đầu, trong đó được lắp bộ giảm chấn của móc nối toa xe.
5.4.3.
Xà bụng cá (Fish-belly sill)
Xà có chiều cao tiết diện ngang phần giữa xà cao hơn chiều cao tiết diện ngang của hai đầu xà, thành hình bụng cá.
5.4.4.
Xà gọng kìm (Snabel)
Xà dùng để cặp hoặc làm giá đỡ hàng trong loại toa xe gọng kìm.
5.4.5.
Sàn xe (Floor)
Các tấm làm thành kết cấu bệ xe, chia ra làm sàn xe kim loại và sàn xe phi kim loại.
5.4.6.
Sàn xe kiểu uốn sóng (Corrugated floor)
Sàn xe kim loại có mặt cắt ngang dạng uốn sóng.
5.4.7.
Bộ ky xe (Jacking pad)
Vị trí trên bệ xe dùng để nâng thân xe lên khỏi giá chuyển hướng.
5.4.8.
Móc kéo (Hauling hook)
Móc để kéo toa xe di chuyển.
5.4.9.
Phụ kiện bệ xe (Accessory of underframe)
Các cấu kiện phía dưới giá xe như móc treo, bệ, quang đỡ dùng để lắp các bộ phận nằm dưới toa xe.
5.5. Kết cấu mui toa xe
5.5.1.
Mui xe (Roof)
Bộ phận hợp thành thân xe được chống đỡ bởi thành bên, thành đầu hoặc trụ (cột) cạnh, thành đầu nằm trên xà cạnh trên của thành bên hoặc xà đầu trên của thành đầu.
5.5.2.
Mui rời (Mobile roof)
Mui xe có thể di chuyển được.
5.5.3.
Tấm mui xe (Roof sheet)
Tấm làm thành kết cấu mui xe, theo vật liệu chia tấm mui kim loại, tấm mui phi kim loại; theo vị trí chia làm tấm mui ngoài và tấm mui trong.
5.5.4.
Trần xe (Ceilling)
Tấm che chắn các thiết bị lắp phía trên hoặc không gian phía trên trong thân xe.
5.5.5.
Tấm che nắng (Sun-shield)
Tấm chắn ánh nắng mặt trời chiếu vào phần trên thùng xe xitéc.
5.6. Bậc lên xuống
5.6.1. Tấm lật toa xe (chân cầu gập)
5.6.1.1.
Tấm lật (Platform trap door)
Tấm đặt phía trên bậc lên xuống toa xe khách để đảm bảo an toàn khi tàu chạy.
5.6.1.2.
Cơ cấu cố định tấm lật (platform trap door retainer)
Cơ cấu để cố định tấm lật ở vị trí đóng.
5.6.1.3.
Kẹp mở tấm lật (Platform trap door catch)
Cơ cấu để cố định tấm lật ở vị trí mở.
6. Bộ phận điện toa xe (Electric equipment)
6.1. Bộ nối điện
6.1.1.
Bộ nối điện đầu xe (Vehicle end coupling)
Bộ phận nằm giữa hai đầu xe dùng để nối thông mạch điện của hai toa xe khách lắp cạnh nhau, gồm bộ nối điện nguồn, bộ nối điện động lực, bộ nối điện phát thanh, bộ nối điện thông tin, bộ nối điện điều khiển hoặc tổ hợp nhiều bộ nối điện trên.
6.1.2.
Bộ nối điện (Electric coupling)
Bộ nối điện dùng để nối thông mạch điện nguồn của hai toa xe cạnh nhau, gồm ổ cắm và đầu cắm bộ nối điện.
6.1.3.
Hộp treo bộ nối điện (Electric coupling hanging box)
Hộp dùng để giữ đầu cắm bộ nối điện khi cắt toa xe.
6.1.4.
Bộ nối điện truyền thanh (Pubblie address coupling)
Bộ nối điện dùng nối thông mạch mạng điện truyền thanh giữa hai toa xe cạnh nhau, gồm ổ cắm và đầu cắm bộ nối điện truyền thanh.
6.1.5.
Hộp treo bộ nối điện truyền thanh (Pubblie address coupling hanging box)
Hộp dùng để giữ đầu cắm bộ nối điện truyền thanh khi cắt toa xe.
6.1.6.
Bộ nối điện điều khiển (Control coupling)
Bộ phận nối thông mạch mạng điện điều khiển giữa hai toa xe cạnh nhau, gồm phích cắm và ổ cắm bộ nối điện điều khiển.
6.1.7.
Bộ nối điện nguồn (Power coupling)
Bộ phận nối thông mạch mạng điện nguồn giữa hai toa xe cạnh nhau, gồm phích cắm và ổ cắm bộ nối điện nguồn.
6.1.8.
Bộ nối điện thông tin (Communication coupling)
Bộ phận nối thông mạch mạng điện thông tin liên lạc giữa hai toa xe cạnh nhau, gồm ổ cắm và phích cắm bộ nối điện thông tin.
6.2. Công cụ chiếu sáng
6.2.1.
Trang bị chiếu sáng (Lighting equipment)
Các công cụ chiếu sáng và thiết bị phụ lắp bên trong và bên ngoài toa xe.
6.2.2.
Đèn trần (Ceilling lamp)
Đèn lắp trên trần toa xe.
6.2.3.
Đèn tường (Wall lamp)
Đèn lắp trên tường hoặc vách bên trong toa xe.
6.2.4.
Đèn cạnh (Side lamp)
Đèn lắp ở mặt bên toa xe chỗ cửa bậc lên xuống.
6.2.5.
Đèn đuôi (Tail lamp)
Đèn đỏ lắp cố định ở phía dưới thành đầu ngoài toa xe, dùng để biểu thị đèn đuôi của đoàn tàu.
6.2.6.
Đèn báo số ghế, số giường (Car class sort indieating lamp)
Đèn dùng để soi sáng biển số ghế, giường về ban đêm.
6.2.7.
Đèn đầu giường (Corner lamp)
Đèn lắp ở vị trí thành bên (hoặc vách) toa xe.
6.2.8.
Đèn đêm (Night lamp)
Đèn dùng cho ban đêm, có đèn suốt đêm và đèn nửa đêm.
6.2.9.
Đèn bảng (Light band)
Đèn huỳnh quang có hình dải (băng) lắp bên trong toa xe khách.
6.2.10.
Đèn khẩn cấp (emergency lighting)
Đèn dùng trong trường hợp hệ thống chiếu sáng toa xe mất tác dụng, mất điện.
6.3. Phương thức và thiết bị cấp điện
6.3.1.
Cấp điện tập trung (Centralized power supply)
Phương thức cấp điện cho các thiết bị dùng điện trên đoàn tàu bằng toa xe phát điện hoặc phát điện của đầu máy.
6.3.2.
Cấp điện phân tán (Separated power supply)
Cấp điện cho đoàn tàu bằng một số toa xe có máy phát điện.
6.3.3.
Cấp điện hai luồng (Two-way power supply)
Cấp điện phân biệt các toa xe theo hai đường dây trục chính của toa xe có máy phát điện tập trung hoặc phát điện đầu máy qua bộ nối điện nguồn chạy dọc theo đoàn tàu.
6.3.4.
Cấp điện xoay chiều - một chiều (AC-DC power supply)
Cấp điện bằng hai nguồn điện đan xen nhau: do máy phát điện xoay chiều sau khi đã qua chỉnh lưu và nguồn điện do cụm ắc quy cung cấp.
6.3.5.
Nguồn điện ngược biến (Inverse power supply)
Chủ yếu dùng cho cấp điện bằng lưới điện hoặc cấp điện một chiều cho thiết bị điều hòa không khí toa xe khách hoặc ôtô ray.
6.3.6.
Tổ máy phát điện diesel (Diesel generating set)
Thiết bị phát điện chạy bằng động cơ diesel trong hệ thống cấp điện.
6.3.7.
Máy phát điện xoay chiều (AC inductor generator)
Máy phát điện xoay chiều dẫn động bằng trục toa xe trong hệ thống cấp điện phân tán.
6.3.8.
Cụm ắc quy (Storage battery set)
Thiết bị nguồn điện một chiều do nhiều ắc quy ghép nối tiếp.
6.3.9.
Thùng để ắc quy (Storage battery box)
Thùng hoặc tủ để chứa cụm ắc quy.
6.4. Thiết bị điều khiển hệ thống điện toa xe
6.4.1.
Tủ điều khiển điện (Power control cabinet)
Tủ điều khiển có chức năng tổng hợp các điều khiển chuyển hóa nguồn điện, điều khiển bộ điều hòa không khí, điều khiển nguồn điện khẩn cấp và điều khiển điện chiếu sáng.
6.4.2.
Hộp điều khiển nguồn điện (Electrical source control box)
Thiết bị điện dùng để điều khiển chuyển phát dòng điện đầu vào, có thể điều khiển các nguồn điện mạch rẽ, đầu ra.
6.4.3.
Hộp điều khiển thiết bị điều hòa không khí (Air conditioning control cabinet)
Thiết bị điện dùng để điều khiển hoạt động của các cụm thiết bị điều hòa không khí của toa xe.
6.4.4.
Hộp nguồn điện khẩn cấp (Emergency electric source box)
Thiết bị cấp điện dùng cho phụ tải đèn khẩn cấp, bộ cảnh báo nhiệt độ trục, bộ điều khiển đóng mở cửa toa xe khi nguồn điện xoay chiều của đoàn tàu có sự cố hoặc mất tác dụng (mất điện toa xe).
6.4.5.
Bộ ổn áp (Constant voltage box)
Thiết bị điện dùng để cung cấp nguồn điện ổn định cho các phụ tải chiếu sáng.
6.4.6.
Tủ phân phối điện (Electric power distribution chest)
Thiết bị chia điện đầu ra gồm nhiều bộ điều khiển và đồng hồ điện.
6.5. Cách đấu dây
6.5.1.
Đấu dây trong toa xe (Vehicle wiring)
Mạng dây dẫn gồm một hoặc nhiều dây dẫn hoặc dây trục và các chi tiết liên kết cố định chúng bên trong toa xe.
6.5.2.
Hệ thống ba pha bốn dây (Three-phase four-wire system)
Hệ thống điện gồm ba dây pha và một dây trung tính nối nối đất (phần kim loại của thân xe); đấu dây trong thân xe gồm dây pha và dây trung tính.
6.5.3.
Hệ thống hai dây (Two-wire system)
Đấu dây trong thân xe gồm dây dương và dây âm chính.
6.5.4.
Hệ thống 1 dây (Single-wire system)
Đấu dây trong thân xe gồm một dây dương và lấy phần kim loại của thân xe và ray làm dây âm.
6.5.5.
Ống dây gầm xe (Wire duct underneath underframe)
Ống kim loại nằm dưới bệ xe dùng để luồn lắp các dây trục.
6.5.6.
Hộp đấu dây (Connection box)
Hộp kim loại có các cọc đấu dây đặt ở chỗ các mối nối dây.
6.5.7.
Hộp chia dây (Junction box)
Hộp kim loại chia tách các dây theo từng mạch rẽ; gồm hộp chia dây chính, hộp chia dây phụ.
6.5.8.
Đầu cốt (Connection terminal)
Bộ phận lắp ở đầu dây có tác dụng nối kết.
6.5.9.
Ổ cắm dự phòng (Spare receptacle, reserve receptacle)
Ổ cắm nguồn để lấy điện cho việc dùng điện không quy định trước.
6.6. Thiết bị nghe nhìn
6.6.1.
Hệ thống phát thanh (Public address system)
Hệ thống phát thanh dùng cho cả đoàn tàu gồm máy phát thanh, cơ cấu ăng ten, bộ tăng âm, bộ điều chỉnh âm lượng và mạng dây phát thanh...
6.6.2.
Máy phát thanh bốn chức năng (Four- function speech amplifier)
Máy phát thanh có chức năng: thu, ghi, phát và khuyếch đại âm thanh.
6.6.3.
Hộp ăng ten (Antena set)
Cơ cấu cố định ăng ten thu.
6.6.4.
Máy phát thanh (Public address device)
Cơ cấu có bộ micro và loa để truyền âm thanh.
6.6.5.
Bộ điều chỉnh âm lượng (Volume controller)
Thiết bị dùng để điều chỉnh âm lượng to, nhỏ của máy phát thanh.
6.6.6.
Hệ thống hiện tin (Information display system)
Hệ thống dùng để hiển thị các tin tức cần thiết như chiều chạy đoàn tàu, thời gian, tốc độ đoàn tàu, nhiệt độ bên trong, bên ngoài toa xe.
6.6.7.
Màn hình tin tức (Information display system apparatus)
Thiết bị lắp trong buồng hành khách để thông báo các tin tức cập nhập do trạm khống chế chính phát.
6.7. Thiết bị biến dòng
6.7.1.
Máy biến dòng (Converter)
Thiết bị đứng yên hoặc quay dùng để chuyển đổi một loại dòng điện này sang một loại dòng điện khác (bao gồm điện áp và tần số).
6.7.2.
Máy ngược biến (Inverter)
Thiết bị chuyển đổi dòng điện một chiều sang dòng điện xoay chiều.
6.7.3.
Máy ngược biến đơn (Individual inverter)
Máy ngược biến chỉ cấp điện riêng cho một phụ tải.
6.7.4.
Máy ngược biến chiếu sáng kiểu tập trung (Centralized power distribution illumination inverter)
Máy ngược biến chung cung cấp nguồn điện cho tất cả các đèn trong một toa xe.
6.7.5.
Bộ chỉnh lưu điện tử (Electronic rectifier)
Thiết bị dùng để nắn dòng điện xoay chiều thành dòng điện một chiều.
6.8. Thiết bị cảnh báo
6.8.1.
Nút gọi (Call button)
Nút bấm khi nhấn nút có chuông reo và đèn sáng trong buồng nhân viên.
6.8.2.
Bộ cảnh báo cháy tự động (Fire automatic warning apparatus)
Thiết bị điều khiển tự động cảnh báo khi có hỏa hoạn trong toa xe.
6.8.3.
Bộ cảm biến nhiệt độ trục (Journal temperature sensor)
Thiết bị dùng để chuyển hóa nhiệt độ trục thành tín hiệu điện.
6.8.4.
Bộ cảnh báo nhiệt độ trục (Axle temperature alarming apparatus)
Thiết bị có thể hiển thị nhiệt độ trục, vị trí trục, số hiệu toa xe và thực hiện chức năng cảnh báo khi nhiệt độ trục quá cao.
6.9. Thông tin liên lạc
6.9.1.
Mạng thông tin đoàn tàu (Train communication network-TCN)
Mạng thông tin số kiểu điện tử được lặp trình để kết nối tải trọng của các đầu máy, toa xe.
6.9.2.
Đường trục thông tin toa xe (Vehicle bus)
Đường trục thông tin kết nối các thiết bị trong một toa xe.
6.9.3.
Đường trục thông tin đoàn tàu (Train bus)
Dây trục liên kết thông tin các đầu máy, toa xe trong đoàn tàu.
6.9.4.
Đường dây trục thông tin toa xe đa năng (Multifunction vehicle bus-MVB)
Đường dây trục thông tin toa xe trong mạng thông tin đoàn tàu dùng kết nối bộ cảm báo/cơ cấu chấp hành với nhà ga có lập trình.
6.10. Trang bị của thiết bị điều hòa không khí và cấp nước
6.10.1.
Quạt trần điện một chiều (DC electric ceilling fan)
Loại quạt trần điện một chiều lắp ở trần toa xe.
6.10.2.
Thiết bị đun nước bằng điện (Warm water electric control box)
Thiết bị đun nước bằng điện dùng để đun nóng nước cho hành khách.
6.10.3.
Bộ sấy điện làm nóng không khí (Air preheating electric apparatus)
Thiết bị lắp trong cụm của thiết bị điều hòa không khí của toa xe khách, có thể khống chế nhiệt độ, để sấy nóng không khí tươi.
6.11. Hệ thống giám sát đo kiểm
6.11.1. Hệ thống giám sát an toàn chạy tàu của toa xe khách (Coach travelling safety monitor system)
Hệ thống giám sát an toàn chạy tàu của toa xe khách gọi là hộp đen. Giám sát trạng thái làm việc của giá chuyển hướng, hệ thống hãm, hệ thống điện, ổ trục toa xe đảm bảo cho an toàn chạy tàu, đồng thời ghi và lưu trữ các thông tin về trạng thái toa xe gồm: hệ thống tải toa xe, hệ thống truyền dẫn số liệu từ toa xe xuống mặt đất (trạm khám xe, nhà ga) cung cấp chứng cứ kỹ thuật cho việc sửa chữa toa xe (trạm, xí nghiệp sửa chữa toa xe).
PHỤ LỤC A
(Tham khảo)
Một số ví dụ kết cấu điển hình
A.1. Kết cấu khung giá chuyển

CHÚ DẪN:
|
1. Giá treo máy phát điện. 2. Bệ lò xo nhả hãm. 3. Tai treo xà mang guốc hãm |
4. Tai treo an toàn. 5. Giá tựa cố định. 6. Xà đầu. |
7. Xà cạnh. 8. Xà dọc. 9. Xà bổ trợ. |
10. Tai đeo xà nhún. 11. Xà ngang. 12. Tai đeo mang guốc hãm. |
Hình A.1 - Khung giá chuyển bằng thép đúc

CHÚ DẪN:
|
1. Khoang trượt. 2. Tấm căn. |
3. Xà cạnh. 4. Xà ngang. |
5. Giá tựa cố định 6. Tai đeo quang an toàn. |
7. Hộp bàn trượt dưới. 8. Tai treo xà hãm |
Hình A.2 - Khung giá chuyển toa xe hàng

CHÚ DẪN:
|
1. Tấm đỡ hộp trục. 2. Xà cánh cung xiên trên. 3. Lỗ kiểm tra. 4. Tấm chắn căn. |
5. Xà cánh cung trên. 6. Trụ đứng. 7. Tấm chắn hộp trục. 8. Rãnh trượt xà mang guốc hãm. |
9. Xà cánh cung dưới. 10. Bệ đỡ lò xo. 11. Rốn định vị lò xo. 12. Lỗ xà nhún. |
13. Xà cánh cung xiên dưới. 14. Khoang trượt hộp trục |
Hình A.3 - Má giá toa xe hàng
A.2. Cơ cấu định vị hộp trục đôi bánh xe

CHÚ DẪN:
|
1. Cơ cấu hộp trục. 2. Trụ dẫn. 3. Lò xo hộp trục. |
4. Bạc định vị đàn hồi. 5. Bạc ma sát. 6. Tấm căn. |
7. Đệm cao su giảm chấn. 8, 9. Bệ định vị. 10. Đệm phòng lỏng. |
11. Giảm chấn thủy lực. 12. Bệ đỡ giảm chấn thủy lực. |
Hình A.4 - Cơ cấu định vị hộp trục đôi bánh xe kiểu trụ dẫn

CHÚ DẪN:
|
1. Cơ cấu hộp trục. 2. Đệm cao su giảm chấn. 3. Cụm lò xo hộp trục. |
4. Trục định vị. 5. Bạc định vị đàn hồi. 6. Bạc định vị. |
7. Vành kẹp. 8. Tấm chặn định vị. 9. Biên quay định vị. |
10. Giảm chấn thủy lực. |
Hình A.5 - Cơ cấu định vị hộp trục đôi bánh kiểu biên quay

CHÚ DẪN:
|
1. Tổng thành đôi bánh xe. 2. Vòng chặn bụi. 3 Ổ bi. |
4. Thân hộp trục. 5. Nắp hộp trục. 6. Nắp chặn ổ bi. |
7. Tấm tiếp đất (mát). 8. Nắp đo tốc độ của hộp trục. 9. Cảm biến tốc độ. |
10. Tấm ép bánh răng đo tốc độ. 11. Bánh răng đo tốc độ. |
Hình A.6 - Cơ cấu hộp trục đôi bánh

CHÚ DẪN:
1. Trục bánh xe. 2. Tổng thành đĩa hãm. 3. Bánh xe.
Hình A.7 - Tổng thành đôi bánh xe

CHÚ DẪN:
|
1. Mâm bánh xe. 2. Lợi bánh xe. |
3. Lỗ moay ơ bánh xe. 4. moay ơ bánh xe. |
5. Mặt lăn. 6. Vành bánh xe. |
7. Lỗ mâm bánh xe. |
Hình A.8 - Bánh xe

CHÚ DẪN:
|
1. Lỗ nắp hộp trục. 2. Hộp trục. |
3. Đĩa đỡ lò xo. 4. Tấm gân đỡ hộp trục. |
5. Tấm gân trên. 6. Lỗ đo nhiệt độ trục. |
Hình A.9 - Thân hộp trục

CHÚ DẪN:
1. Vành ma sát. 2. Chốt đàn hồi. 3. Bulông giữ đĩa hãm. 4. Moay ơ đĩa hãm.
Hình A.10 - Tổng thành đĩa hãm

A.11 - Bộ phận treo lò xo

CHÚ DẪN:
|
1. Cơ cấu xà nhún tổng thành. |
14. Vòng đệm hãm. |
27. Đế lò xo phải. |
40. Hộp bàn trượt dưới. |
|
2. Xà nhún. |
15. Vòng cách. |
28. Tổng thành cơ cấu thanh xoắn. |
41. Tấm chống mòn bàn trượt |
|
3. Bàn trượt dưới. |
16. Tấm kẹp trong. |
29. Tổng thành trục thanh nối. |
42. Đệm điều chỉnh. |
|
4. Tai giữ thanh kéo nén. |
17. Đệm cao su. |
30. Tổng thành cơ cấu treo xà nhún. |
44, 43. Tấm đỡ. |
|
5. Thanh nối. |
18. Tấm kẹp ngoài. |
31. Treo xà nhún. |
45. Chốt treo xà nhún. |
|
6. Bệ giảm chắn ngang. |
19. Tổng thành lò xo xà nhún. |
32. Vòng khóa. |
46. Chốt tròn nửa trơn. |
|
7. Van điều chỉnh chiều cao. |
20. Lò xo xà nhún (ngoài). |
33. Bệ liên kết |
47. Quang treo an toàn. |
|
8. Van chênh áp. |
21. Lò xo xà nhún (trong). |
34. Trục đeo. |
48. Đệm mâm cối chuyển. |
|
9. Bộ giảm xung chiều ngang. |
22. Tấm kẹp. |
35. Bạc chắn bụi. |
49. Mâm cối chuyển dưới. |
|
10. Trục chặn. |
23. Bu lông. |
36. Chồng cao su. |
50. Ắc cối chuyển hướng. |
|
11. Bộ giảm xung. |
24. Đệm cao su lò xo xà nhún. |
37. Giảm chấn thủy lực ngang. |
51. Tổng thành cơ cấu chốt kéo. |
|
12. Tổng thành thanh kéo nén. |
25. Tổng thành xà đỡ lò xo. |
38. Giảm chấn thủy lực đứng. |
52. Tổng thành bạc cao su chốt kéo. |
|
13. Thanh kéo nén. |
26. Đế lò xo trái. |
39. Đệm điều chỉnh bàn trượt |
53. Tổng thành lò xo không khí. |
Hình A.11 - Bộ phận treo lò xo (kết thúc)

CHÚ DẪN:
|
1. Ống dẫn khí nén. 2. Thanh xoắn. 3. Cối chuyển dưới. 4. Tổng thành chặn ngang. |
5. Cơ cấu lò xo không khí. 6. Van điều chỉnh độ cao. 7. Cần điều khiển van điều chỉnh độ cao. 8. Tấm đa năng. |
9. Bệ giảm chấn chống chuyển động rắn bò. 10. Giảm chấn chống chuyển động rắn bò. 11. Giảm chấn ngang. |
Hình A.12 - Cơ cấu treo trung ương không xà nhún

CHÚ DẪN:
|
1. Nắp trên. 2 Ống xếp (souffet) cao su. |
3. Bệ đỡ. 4. Chồng cao su. |
5. Tấm làm mát. 6. Van tiết lưu điều chỉnh được. |
7, 8. Đệm làm kín. |
Hình A.13 - Lò xo không khí

CHÚ DẪN:
|
1. Mặt ma sát căn chéo |
3. Mặt lắp ráp mâm cối chuyển |
5. Lỗ cối chuyển. |
7. Mặt bàn trượt dưới.
|
|
2. Rốn định vị. |
4. Lỗ thoát nước. |
6. Tai treo cá hãm cố định. |
8. Chặn xà nhún. |
Hình A.14 - Xà nhún

CHÚ DẪN:
|
1. Tổng thành mâm cối chuyển trên. |
2. Tổng thành mâm cối chuyển dưới. |
3. Tổng thành đệm. |
Hình A.15 - Mâm cối chuyển mặt cầu
A.4 Hãm giá chuyển hướng

CHÚ DẪN:
|
1. Xi lanh hãm. 2. Đòn bẩy phía trong. |
3. Đỡ đòn bẩy. 4. Đòn bẩy phía ngoài. |
5. Biên treo. 6. Má hãm. |
7, 8. Ắc mang má hãm |
Hình A.16 - Cơ cấu hãm đơn nguyên
A.5 Cơ cấu giảm chấn thủy lực

CHÚ DẪN:
|
1. Tấm ép. 2. Đệm cao su. 3. Tấm đệm (lót). 4. Bạc. 5. Nắp (làm kín) |
6. Doăng làm kín. 7. Đệm đỡ làm kín. 8. Đai ốc. 9. Lò xo làm kín. 10. Bạc dẫn hướng. |
11. Nắp đầu (trên) xy lanh. 12. Thân xy lanh. 13. Chụp chắn bụi. 14. Piston. 15. Lõi van. |
16. Bạc van. 17. Đế (bệ) van. 18. Đuôi van. 19. Bệ van cấp dầu. 20. Xy lanh chứa dầu. |
Hình A.17 - Cơ cấu giảm chấn thủy lực
A.6. Cơ cấu trục truyền động máy phát điện

CHÚ DẪN:
|
1. Đai ốc hãm vô lăng điều chỉnh. 2. Vô lăng điều chỉnh. 3. Đệm lò xo điều chỉnh. 4. Lò xo điều Chỉnh. 5. Đế lò xo điều chỉnh. |
6. Cáp điều chỉnh. 7. Trục nối (liên kết). 8. Đai ốc hãm trục nối. 9. Nắp làm kín trước. 10. Tấm chắn bụi. |
11. Puli. 12. Nắp chặn. 13. Cơ cấu đỡ máy phát điện. 14. Máy phát điện. 15. Thanh điều chỉnh. |
Hình A.18 - Cơ cấu trục truyền động máy phát điện
PHỤ LỤC B
(Tham khảo)
Ví dụ kết cấu thân, mui toa xe
B.1. Thân toa xe

CHÚ DẪN:
|
1. Thành bên. 2. Mui xe. 3. Che mưa cửa toa xe. |
4. Thành đầu ngoài. 5. Bậc lên xuống. 6. Tấm chặn chân cầu. |
7. Thành đầu trong. 8. Bệ xe. 9. Tấm trần trong. |
10. Vách ngăn. 11. Vách trong. 12. Sàn xe. |
Hình B.1 - Thân xe

CHÚ DẪN:
|
1. Thang đầu. 2. Lan can. 3. Lối đi nóc xe. 4. Thang trong. |
5. Đôm. 6. Điểm chỉ mực chất lỏng. 7. Ống hút chất lỏng. 8. Ống đưa gió vào. |
9. Van an toàn. 10. Rốn xitéc. 11. Yên trên xitéc. 12. Tấm trên xitéc. |
13. Vòng đai kẹp. 14. Tấm đáy xitéc. 15. Tấm nắp đầu xitéc. |
Hình B.2 - Thùng xe xitéc
B.2. Mui toa xe

CHÚ DẪN:
|
1. Trụ đứng. 2. Xà ngang đầu mui xe. 3,12. Xà vành mai. 4. Tấm đầu mui xe. 5. Bộ nắp mui xe. |
6. Nắp (rời) mui xe. 7. Tấm giữa mui xe. 8. Mui bằng. 9. Bệ máy thông gió. 10. Tấm bên mui xe. |
11. Xà dọc mui xe. 12. Xà dọc mui xe. 13. Xà ngang mui xe. |
Hình B.3 - Mui toa xe
MỤC LỤC
Lời nói đầu
1. Phạm vi áp dụng
2. Thuật ngữ cơ bản
2.1. Chủng loại toa xe
2.2. Chiều và vị trí toa xe
2.3. Kích thước chính của toa xe
2.4. Trọng lượng toa xe
2.5. Tính năng và tham số toa xe
2.6. Thử nghiệm toa xe
2.7. Các thuật ngữ khác
3. Bộ phận chạy
3.1. Các loại giá chuyển hướng
3.2. Thông số kỹ thuật của giá chuyển hướng
3.3. Bộ trục bánh xe
3.4. Các bộ phận lò xo, giảm chấn
3.5. Các loại bàn trượt
3.6. Cơ cấu chấp hành và các tham số của lò xo, giảm chấn
4. Hãm toa xe
4.1. Tính năng hãm
4.2. Hãm giá chuyển hướng
4.3. Hệ thống hãm
4.4. Xi lanh hãm và thùng gió
4.5. Các bộ phận khác
5. Bộ phận thân xe
5.1. Thân xe
5.2. Kết cấu thành đầu toa xe
5.3. Kết cấu thành bên toa xe
5.4. Kết cấu bệ toa xe
5.5. Kết cấu mui toa xe
5.6. Bậc lên xuống
6. Bộ phận điện toa xe
6.1. Bộ nối điện
6.2. Công cụ chiếu sáng
6.3. Phương thức và thiết bị cấp điện
6.4. Thiết bị điều khiển hệ thống điện toa xe
6.5. Cách đấu dây
6.6. Thiết bị nghe nhìn
6.7. Thiết bị biến dòng
6.8. Thiết bị cảnh báo
6.9. Thông tin liên lạc
6.10. Trang bị của thiết bị điều hòa không khí và cấp nước
6.11. Hệ thống giám sát đo kiểm
Phụ lục A (tham khảo)
Phụ lục B (tham khảo)