Nội dung toàn văn Thông tư 14/2015/TT-BTTTT Quy chuẩn kỹ thuật quốc gia về phát xạ vô tuyến truy nhập tốc độ 60 GHz
|
BỘ THÔNG TIN VÀ |
CỘNG HÒA XÃ HỘI CHỦ
NGHĨA VIỆT NAM |
|
Số: 14 /2015/TT-BTTTT |
Hà Nội, ngày 15 tháng 6 năm 2015 |
THÔNG TƯ
BAN HÀNH “QUY CHUẨN KỸ THUẬT QUỐC GIA VỀ PHÁT XẠ VÔ TUYẾN ĐỐI VỚI THIẾT BỊ TRUY NHẬP VÔ TUYẾN TỐC ĐỘ CAO BĂNG TẦN 60 GHZ”
Căn cứ Luật Tiêu chuẩn và Quy chuẩn kỹ thuật ngày 29 tháng 6 năm 2006;
Căn cứ Luật Viễn thông ngày 23 tháng 11 năm 2009;
Căn cứ Luật Tần số Vô tuyến điện ngày 23 tháng 11 năm 2009;
Căn cứ Nghị định số 127/2007/NĐ-CP ngày 01 tháng 8 năm 2007 của Chính phủ quy định chi tiết và hướng dẫn thi hành một số điều của Luật Tiêu chuẩn và Quy chuẩn kỹ thuật;
Căn cứ Nghị định số 132/2013/NĐ-CP ngày 16 tháng 10 năm 2013 của Chính phủ quy định chức năng, nhiệm vụ, quyền hạn và cơ cấu tổ chức của Bộ Thông tin và Truyền thông;
Theo đề nghị của Vụ trưởng Vụ Khoa học và Công nghệ,
Bộ trưởng Bộ Thông tin và Truyền thông ban hành Thông tư quy định Quy chuẩn kỹ thuật quốc gia về phát xạ vô tuyến đối với thiết bị truy nhập vô tuyến tốc độ cao băng tần 60 GHz.
Điều 1. Ban hành kèm theo Thông tư này Quy chuẩn kỹ thuật quốc gia về phát xạ vô tuyến đối với thiết bị truy nhập vô tuyến tốc độ cao băng tần 60 GHz (QCVN 88:2015/BTTTT).
Điều 2. Thông tư này có hiệu lực thi hành kể từ ngày 01 tháng 01 năm 2016.
Điều 3. Chánh Văn phòng, Vụ trưởng Vụ Khoa học và Công nghệ, Thủ trưởng các cơ quan, đơn vị thuộc Bộ Thông tin và Truyền thông, Giám đốc Sở Thông tin và Truyền thông các tỉnh, thành phố trực thuộc Trung ương và các tổ chức, cá nhân có liên quan chịu trách nhiệm thi hành Thông tư này./.
|
Nơi nhận: |
BỘ TRƯỞNG |
QCVN 88:2015/BTTTT
QUY CHUẨN KỸ THUẬT QUỐC GIA VỀ PHÁT XẠ VÔ TUYẾN ĐỐI VỚI THIẾT BỊ TRUY NHẬP VÔ TUYẾN TỐC ĐỘ CAO BĂNG TẦN 60 GHz
National technical regulation on radio emission of wireless access equipments operating at Multiple-Gigabit data rates in the 60 GHz band
MỤC LỤC
1. QUY ĐỊNH CHUNG
1.1. Phạm vi điều chỉnh
1.2. Đối tượng áp dụng
1.3. Tài liệu viện dẫn
1.4. Giải thích từ ngữ
1.5. Ký hiệu và chữ viết tắt
1.5.1. Ký hiệu
1.5.2. Chữ viết tắt
2. QUY ĐỊNH KỸ THUẬT
2.1. Điều kiện môi trường
2.2. Các chỉ tiêu quy định
2.2.1. Mật độ phổ công suất
2.2.1.1. Định nghĩa
2.2.1.2. Giới hạn
2.2.1.3. Phương pháp đo
2.2.2. Công suất đầu ra RF
2.2.2.1. Định nghĩa
2.2.2.2. Giới hạn
2.2.2.3 Phương pháp đo
2.2.3. Phát xạ giả của máy phát
2.2.3.1. Định nghĩa
2.2.3.2. Giới hạn
2.2.3.3. Phương pháp đo
2.2.4. Phát xạ giả của máy thu
2.2.4.1. Định nghĩa
2.2.4.2. Giới hạn
2.2.4.3. Phương pháp đo
2.2.5. Giao thức truy nhập đường truyền
2.2.5.1. Định nghĩa
2.2.5.2. Yêu cầu
2.2.6. Ăng-ten tích hợp
2.2.6.1. Định nghĩa
2.2.6.2. Yêu cầu
3. PHƯƠNG PHÁP ĐO
3.1. Điều kiện môi trường đo
3.2. Giải thích các kết quả đo
3.3. Phương pháp đo
3.3.1. Thông tin về sản phẩm
3.3.2. Điều chế, tần số và cấu hình đo
3.3.3. Đo mật độ phổ công suất
3.3.4. Đo công suất đầu ra RF
3.3.5. Đo phát xạ giả của máy phát
3.3.5.1. Quét sơ bộ (pre-scan)
3.3.5.2. Đo phát xạ cụ thể
3.3.6. Đo phát xạ giả của máy thu
3.3.6.1. Quét sơ bộ
3.3.6.2. Đo xác định phát xạ cụ thể
4. QUY ĐỊNH VỀ QUẢN LÝ
5. TRÁCH NHIỆM CỦA TỔ CHỨC, CÁ NHÂN
6. TỔ CHỨC THỰC HIỆN
Phụ lục A (Quy định) Bảng yêu cầu các chỉ tiêu cần đo kiểm
Phụ lục B (Quy định) Vị trí đo kiểm và bố trí đo bức xạ
Phụ lục C (Quy định)Mô tả tổng quan phép đo
THƯ MỤC TÀI LIỆU THAM KHẢO
Lời nói đầu
QCVN 88:2015/BTTTT được xây dựng trên cơ sở EN 302 567 v1.2.1 (2012-1): Broadband Radio Access Networks (BRAN); 60 GHz Multiple-Gigabit WAS/RLAN Systems; Harmonized EN covering the essential requirements of article 3.2 of the R&TTE Directive của Viện Tiêu chuẩn viễn thông châu Âu (ETSI).
QCVN 88:2015/BTTTT do Cục Tần số vô tuyến điện biên soạn, Vụ Khoa học và Công nghệ thẩm định và trình duyệt, Bộ Thông tin và Truyền thông ban hành kèm theo Thông tư số 14/2015/TT-BTTTT ngày 15 tháng 6 năm 2015.
QUY CHUẨN KỸ THUẬT QUỐC GIA VỀ PHÁT XẠ VÔ TUYẾN ĐỐI VỚI THIẾT BỊ TRUY NHẬP VÔ TUYẾN TỐC ĐỘ CAO BĂNG TẦN 60 GHz
National technical regulation on radio emission of wireless access equipments operating at Multiple-Gigabit data rates in the 60 GHz band
|
1.1. Phạm vi điều chỉnh
Quy chuẩn này quy định các yêu cầu kỹ thuật cho thiết bị truy nhập vô tuyến tốc độ cao, lên tới hàng Gigabit, dùng cho ứng dụng trong mạng nội bộ không dây WLAN hoặc mạng cá nhân không dây WPAN cự ly ngắn hoạt động trong băng tần 60 GHz.
Quy chuẩn này không áp dụng đối với các loại thiết bị vô tuyến dùng cho ứng dụng mở rộng mạng LAN cố định ngoài trời hay ứng dụng truyền dẫn vô tuyến cố định điểm-điểm hoạt động trong băng tần 60 GHz.
1.2. Đối tượng áp dụng
Quy chuẩn này áp dụng đối với tổ chức, cá nhân có hoạt động nhập khẩu, sản xuất, kinh doanh, sử dụng các thiết bị thuộc phạm vi điều chỉnh của Quy chuẩn này trên lãnh thổ Việt Nam.
1.3. Tài liệu viện dẫn
ERC Recommendation 74-01 (2011): "Unwanted Emissions in the Spurious Domain".
ETSI TR 100 028 (V1.4.1) - (all parts): "Electromagnetic compatibility and Radio spectrum Matters (ERM); Uncertainties in the measurement of mobile radio equipment characteristics".
ITU-R Recommendation SM.1539-1 (2002): "Variation of the boundary between the out-of-band and spurious domains required for the application of Recommendations ITU-R SM.1541 and ITU-R SM.329".
1.4. Giải thích từ ngữ
1.4.1. Băng tần 60 GHz (60 GHz band)
Là dải tần hoạt động của thiết bị, trong phạm vi 57 GHz - 66 GHz.
1.4.2. Hệ số hoạt động (activity factor)
Tỷ lệ phần trăm thời gian hoạt động của thiết bị trong thời gian một phút.
1.4.3. Khoảng cách kênh (channel separation)
Khoảng cách nhỏ nhất (tính bằng MHz) giữa tần số trung tâm của hai kênh lân cận bất kỳ trong sơ đồ phân kênh của thiết bị.
1.4.4. Điều kiện môi trường (environmental profile)
Tập hợp các điều kiện môi trường phải đảm bảo trong quá trình đo kiểm thiết bị.
1.4.5. Ăng-ten tích hợp (integral antenna)
Ăng-ten được thiết kế gắn với thiết bị mà không sử dụng đầu nối tiêu chuẩn và được coi như một phần của thiết bị.
1.4.6. Công suất trung bình (mean power)
Công suất trung bình đưa ra đường truyền dẫn cung cấp cho ăng-ten từ một máy phát trong khoảng thời gian đủ dài so với tần số điều chế thấp nhất trong những điều kiện làm việc bình thường.
1.4.7. Băng thông chiếm dụng (occupied bandwidth)
Độ rộng băng thông của tín hiệu ứng với mức công suất tín hiệu ở điểm -6 dBc.
1.4.8. Hệ thống ăng-ten thông minh (smart antenna systems)
Thiết bị sử dụng kết hợp nhiều phần tử ăng-ten thu, phát với chức năng xử lý tín hiệu nhằm tăng khả năng phát xạ, khả năng thu tín hiệu.
1.5. Ký hiệu và chữ viết tắt
1.5.1. Ký hiệu
dBc Đềxiben tương đối (so với mật độ công suất lớn nhất của tín hiệu phát)
dBm Đềxiben tương ứng với 1 mW
dBr Đềxiben tương đối (so với một mức công suất lớn nhất xác định)
1.5.2. Chữ viết tắt
|
ChS |
Khoảng cách kênh |
Channel Separation |
|
EIRP |
Công suất bức xạ đẳng hướng tương đương |
Equivalent Isotropically Radiated Power |
|
FLANE |
Hệ thống mở rộng mạng nội bộ cố định |
Fixed Local Area Network Extension |
|
OBw |
Băng thông chiếm dụng |
Occupied Bandwidth |
|
PDL |
Giới hạn mật độ phổ công suất |
Spectral Power Density Limit |
|
RBw |
Băng thông phân giải |
Resolution Bandwidth |
|
RF |
Tần số vô tuyến |
Radio Frequency |
|
RLAN |
Mạng nội bộ vô tuyến |
Radio Local Area Network |
|
R&TTE |
Thiết bị đầu cuối viễn thông và vô tuyến |
Radio and Telecommunications Terminal Equipment |
|
UUT |
Khối cần đo |
Unit Under Test |
|
VBw |
Băng thông hiển thị |
Video Bandwidth |
|
WAS |
Hệ thống truy nhập không dây |
Wireless Access System |
|
WLAN |
Mạng nội bộ không dây |
Wireless Local Area Network |
|
WPAN |
Mạng cá nhân không dây |
Wireless Personal Area Network |
2. QUY ĐỊNH KỸ THUẬT
2.1. Điều kiện môi trường
Các yêu cầu kỹ thuật quy định tại quy chuẩn kỹ thuật này áp dụng cho điều kiện môi trường hoạt động thiết bị. Các điều kiện này phải được nhà sản xuất thiết bị công bố. Thiết bị phải đảm bảo đáp ứng các yêu cầu kỹ thuật quy định tại quy chuẩn kỹ thuật này khi làm việc trong điều kiện môi trường hoạt động được công bố.
2.2. Các yêu cầu kỹ thuật
2.2.1. Mật độ phổ công suất
2.2.1.1. Định nghĩa
Mật độ phổ công suất là công suất bức xạ đẳng hướng tương đương (EIRP) trung bình trên 1 MHz trong khoảng thời gian phát một gói dữ liệu.
2.2.1.2. Giới hạn
Mật độ phổ công suất lớn nhất ứng với trường hợp thiết bị hoạt động ở mức công suất phát cao nhất được công bố. Đối với hệ thống ăng-ten thông minh thì giới hạn trên ứng với trường hợp cấu hình để đạt mức EIRP cao nhất.
Giới hạn mật độ phổ công suất được quy định trong Bảng 1.
Bảng 1 - Giới hạn mật độ phổ công suất (PDL)
|
Phạm vi sử dụng |
Giới hạn mật độ phổ công suất (EIRP) |
|
Trong nhà và ngoài trời |
13 dBm/MHz |
2.2.1.3. Phương pháp đo
Phương pháp đo được quy định tại mục 3.3.3.
2.2.2. Công suất đầu ra RF
2.2.2.1. Định nghĩa
Công suất đầu ra RF là công suất bức xạ đẳng hướng tương đương (EIRP) trung bình của thiết bị trong khoảng thời gian phát một gói dữ liệu.
2.2.2.2. Giới hạn
Công suất đầu ra RF lớn nhất ứng với trường hợp hệ thống hoạt động ở mức công suất cao nhất được công bố. Đối với hệ thống ăng-ten thông minh, giới hạn trên ứng với trường hợp cấu hình để đạt mức EIRP cao nhất.
Giới hạn công suất đầu ra RF được quy định trong Bảng 2.
Bảng 2 - Giới hạn công suất đầu ra RF
|
Phạm vi sử dụng |
Công suất đầu ra RF lớn nhất (EIRP) |
|
Trong nhà và ngoài trời |
40 dBm |
2.2.2.3 Phương pháp đo
Phương pháp đo được quy định tại mục 3.3.4.
2.2.3. Phát xạ giả của máy phát
2.2.3.1. Định nghĩa
Phát xạ giả của máy phát là phát xạ không mong muốn trong miền phát xạ giả khi thiết bị đang phát tín hiệu. Biên của miền phát xạ giả bắt đầu từ độ lệch +/-250% băng thông chiếm dụng so với tần số trung tâm danh định đối với trường hợp băng thông chiếm dụng nhỏ hơn hoặc bằng 500 MHz và từ độ lệch +/-(500 MHz + 1,5 x băng thông chiếm dụng) đối với trường hợp băng thông chiếm dụng lớn hơn 500 MHz.
2.2.3.2. Giới hạn
Phát xạ giả của máy phát phải phù hợp với giới hạn quy định tại Bảng 3.
CHÚ THÍCH: Các giới hạn này áp dụng cho các mức công suất phát đo tại cổng ăng-ten.
Bảng 3 - Các giới hạn phát xạ giả của máy phát
|
Dải tần số |
Giới hạn phát xạ |
Băng thông đo |
|
30 MHz đến 47 MHz |
-36 dBm |
100 kHz |
|
47 MHz đến 74 MHz |
-54 dBm |
100 kHz |
|
74 MHz đến 87,5 MHz |
-36 dBm |
100 kHz |
|
87,5 MHz đến 118 MHz |
-54 dBm |
100 kHz |
|
118 MHz đến 174 MHz |
-36 dBm |
100 kHz |
|
174 MHz đến 230 MHz |
-54 dBm |
100 kHz |
|
230 MHz đến 470 MHz |
-36 dBm |
100 kHz |
|
470 MHz đến 862 MHz |
-54 dBm |
100 kHz |
|
862 MHz đến 1 GHz |
-36 dBm |
100 kHz |
|
1 GHz đến 132 GHz |
-30 dBm |
1 MHz |
2.2.3.3. Phương pháp đo
Phương pháp đo quy định tại mục 3.3.5.
2.2.4. Phát xạ giả của máy thu
2.2.4.1. Định nghĩa
Là phát xạ không mong muốn trong miền phát xạ giả khi thiết bị đang thu tín hiệu.
2.2.4.2. Giới hạn
Phát xạ giả của máy thu phải phù hợp với giới hạn quy định tại Bảng 4.
CHÚ THÍCH: Giá trị giới hạn này áp dụng cho các mức công suất phát đo tại cổng ăng-ten.
Bảng 4 - Các giới hạn phát xạ giả của máy thu
|
Dải tần số |
Giới hạn phát xạ |
Băng thông đo |
|
30 MHz đến 1 GHz |
-57 dBm |
100 kHz |
|
1 GHz đến 132 GHz |
-47 dBm |
1 MHz |
2.2.4.3. Phương pháp đo
Phương pháp đo được quy định tại mục 3.3.6.
2.2.5. Giao thức truy nhập đường truyền
2.2.5.1. Định nghĩa
Giao thức truy nhập đường truyền là cơ chế được áp dụng nhằm cho phép sử dụng chung tần số với các thiết bị khác trong mạng không dây.
2.2.5.2. Yêu cầu
Thiết bị truy nhập vô tuyến tốc độ cao băng tần 60 GHz phải hỗ trợ giao thức truy nhập đường truyền và phải có khả năng kích hoạt trong mọi tình huống.
2.2.6. Ăng-ten tích hợp
2.2.6.1. Định nghĩa
Ăng-ten tích hợp được thiết kế gắn cố định với thiết bị mà không sử dụng đầu nối tiêu chuẩn và được coi như một phần của thiết bị.
2.2.6.2. Yêu cầu
Ăng-ten tích hợp phải được sử dụng để hạn chế khả năng gây nhiễu có hại cho các hệ thống vô tuyến khác.
3. PHƯƠNG PHÁP ĐO
3.1. Điều kiện môi trường đo
Các phép đo quy định tại quy chuẩn này phải được thực hiện trong phạm vi giới hạn biên của môi trường hoạt động đã công bố.
Trường hợp kết quả đo thay đổi tùy thuộc các điều kiện môi trường, phép đo phải được thực hiện ở nhiều điều kiện môi trường khác nhau trong phạm vi giới hạn biên của môi trường hoạt động đã được công bố.
3.2. Giải thích các kết quả đo
Việc giải thích các kết quả đo được ghi trong báo cáo đo kiểm theo quy chuẩn này được quy định như sau:
· So sánh giá trị đo với giới hạn tương ứng để quyết định xem thiết bị có đáp ứng được các yêu cầu trong quy chuẩn không.
· Giá trị độ không đảm bảo đo của mỗi tham số đo phải được thể hiện trong báo cáo đo kiểm.
· Giá trị độ không đảm bảo đo được ghi lại đối với mỗi phép đo phải bằng hoặc nhỏ hơn các giá trị quy định trong Bảng 5.
Đối với phương pháp đo kiểm theo quy chuẩn này, độ không đảm bảo đo phải được tính toán với hệ số mở rộng (hệ số bảo đảm) k = 1,96 hay k = 2 (cho phép độ tin cậy tương ứng là 95% và 95,45% trong trường hợp phân bố của các sai số đo thực tế là phân bố chuẩn). Nguyên tắc tính toán sai số đo tuân thủ theo ETSI TR 100 028 v1.4.1.
Bảng 5 - Độ không đảm bảo đo tối đa
|
Thông số |
Độ không đảm bảo đo |
|
Tần số RF |
±1 × 10-5 |
|
Công suất đầu ra RF |
±6 dB |
|
Phát xạ giả |
±6 dB |
|
Độ ẩm |
±5 % |
|
Nhiệt độ |
±1 °C |
|
Thời gian |
±10 % |
3.3. Phương pháp đo
3.3.1. Thông tin về sản phẩm
Các tham số dưới đây phải được nhà sản xuất thiết bị công bố để thực hiện các phép đo, để công bố sự phù hợp quy chuẩn:
a) Các kênh tần số hoạt động: là các tần số trung tâm mà UUT có khả năng điều chỉnh. Nếu thiết bị có khả năng hỗ trợ nhiều phân kênh khác nhau (ví dụ: cho phép hoạt động với các độ rộng kênh khác nhau), các kênh tần số này phải được công bố.
b) Các loại điều chế mà UUT sử dụng.
c) Các phương thức truy cập đường truyền mà UUT sử dụng.
d) Mô tả ăng-ten tích hợp mà thiết bị sử dụng và biện pháp ngăn chặn người dùng kết nối với một ăng-ten khác.
3.3.2. Điều chế, tần số và cấu hình đo
Phương thức điều chế được dùng để đo nên sử dụng phương thức điều chế thông thường của thiết bị. Trường hợp thiết bị không có khả năng truyền dẫn RF liên tục thì điều chế dùng để đo kiểm như sau:
a) Truyền dẫn RF được phát ra là giống nhau đối với mỗi lần truyền.
b) Truyền dẫn xảy ra đều đặn theo thời gian.
c) Các chuỗi truyền dẫn có thể được lặp lại chính xác.
Nếu thiết bị sử dụng nhiều phương pháp điều chế với các đặc điểm RF khác nhau thì loại điều chế cho kết quả xấu nhất phải được sử dụng và loại điều chế này phải được công bố cùng với nguyên nhân sinh ra kết quả xấu hơn so với các phương thức điều chế khác.
Tất cả phép đo phải được thực hiện tại các kênh tần số sau đây trong phạm vi phân kênh tần số được công bố của thiết bị:
a) Kênh có tần số hoạt động thấp nhất.
b) Kênh có tần số hoạt động cao nhất.
c) Kênh có tần số gần với điểm giữa của dải tần hoạt động.
Nếu UUT có khả năng hỗ trợ nhiều băng thông chiếm dụng cho truyền dẫn băng rộng, phép đo phải được thực hiện với riêng từng băng thông.
Công suất đầu ra RF cũng phải được kiểm tra ở chế độ hoạt động băng hẹp khi cần thiết.
Giá trị khoảng cách kênh (ChS) phải được tính toán dựa trên khoảng cách nhỏ nhất tính bằng MHz giữa hai tần số trung tâm bất kỳ trong sơ đồ phân kênh của thiết bị.
Trong trường hợp mức công suất đầu ra RF có khả năng điều chỉnh được thì tất cả phép đo phải được thực hiện ở mức công suất lớn nhất.
Trong trường hợp sử dụng hệ thống ăng-ten thông minh, UUT nên được cấu hình hoạt động tại mức công suất đầu ra RF lớn nhất và các phương pháp thực hiện phải được ghi lại trong báo cáo đo kiểm.
Các phép đo phát xạ phải được thực hiện trong các trường hợp sử dụng ăng-ten tích hợp và trong trường hợp không có phương pháp đo dẫn phù hợp cho thiết bị đó.
3.3.3. Đo mật độ phổ công suất
Mật độ phổ công suất lớn nhất, với các điều kiện đo quy định tại mục 3.1, 3.2 và 3.3.2, phải được đo bằng cách sử dụng một sơ đồ đo mô tả trong Phụ lục B và các thủ tục đo khả dụng trong Phụ lục C phải được sử dụng và ghi lại phục vụ cho công tác hợp quy thiết bị phù hợp với các quy định tại mục 2.2.1.
Mật độ phổ công suất lớn nhất được xác định bằng cách sử dụng máy phân tích phổ với độ rộng băng thông thích hợp ứng với kiểu điều chế sử dụng và kết hợp với một máy đo công suất RF.
Với mục đích của bài đo này, thời gian hoạt động của máy phát tối thiểu phải là 10 µs. Đối với thiết bị mà thời gian hoạt động của máy phát nhỏ hơn 10 µs, phương pháp đo phải được ghi lại trong báo cáo đo kiểm.
Trình tự thực hiện đo kiểm như sau:
Bước 1:
Thiết lập các thông số cho máy phân tích phổ:
a) Tần số trung tâm: tần số trung tâm của kênh cần đo.
b) Băng thông phân giải (RBw): 1 MHz.
c) Băng thông hiển thị (VBw): 1 MHz.
d) Dải tần số đo (frequency span): 2 lần độ rộng kênh danh định.
đ) Chế độ tách sóng (detector): Đỉnh (Peak).
e) Chế độ dò (trace mode): Mức lớn nhất (max hold).
Bước 2:
Khi quá trình dò hoàn thành, xác định giá trị đỉnh của đường bao công suất và ghi lại giá trị tần số tương ứng.
Bước 3:
Thay đổi thiết lập của máy phân tích phổ như sau:
a) Tần số trung tâm: Bằng với tần số được ghi lại ở bước 2.
b) Băng thông phân giải (RBw): 1 MHz.
c) Băng thông hiển thị (VBw): 1 MHz.
d) Dải tần số đo (frequency span): 3 MHz.
đ) Thời gian quét (sweep time): 1 phút.
e) Chế độ tách sóng (detector): Trung bình bình phương (RMS Average), mẫu (sample), hoặc trung bình (trừ hiển thị trung bình - video average).
g) Chế độ dò (trace mode): Mức lớn nhất (max hold).
Đối với các thiết bị có băng thông chiếm dụng lớn hơn 100 MHz thì có thể sử dụng băng thông phân giải khác 1 MHz, nằm trong khoảng từ 1 MHz đến 100 MHz. Trong trường hợp này giới hạn mật độ công suất trong bước 4 được xác định như sau: PDL (RBw) = PDL (1 MHz) + 10 x Log10(RBw), trong đó RBw là băng thông phân giải được sử dụng tính theo MHz, PDL (1 MHz) là giới hạn mật độ công suất với băng thông phân giải 1 MHz và PDL (RBw) là giới hạn mật độ công suất với băng thông phân giải RBw thiết lập ở trên. Băng thông hiển thị được đặt bằng băng thông phân giải và dải tần số đo được đặt bằng 3 lần băng thông phân giải.
Bước 4:
Khi quá trình dò hoàn tất, sử dụng tùy chọn “View” trên máy phân tích phổ để quan sát tín hiệu.
Xác định giá trị đỉnh lớn nhất và đặt con trỏ vào giá trị này. Giá trị này được ghi lại là mức công suất trung bình cao nhất (mật độ phổ công suất) D trong 1 MHz (hoặc trong băng thông phân giải khác như trình bày ở trên).
Ngoài ra, trong trường hợp máy phân tích phổ có khả năng đo mật độ phổ công suất, có thể sử dụng chức năng này để hiển thị mật độ phổ công suất D dBm/1 MHz (hoặc trong băng thông phân giải khác như trình bày ở trên).
Mật độ phổ công suất EIRP lớn nhất được tính từ mật độ công suất đo (D) ở trên và chu kỳ hoạt động t theo công thức dưới đây và phải được ghi lại trong báo cáo đo kiểm. Lưu ý rằng mật độ công suất phổ PD được quy định cụ thể cho băng thông phân giải 1 MHz (hoặc thay thế tương ứng bằng băng thông phân giải khác như trình bày ở trên).
h) PD = D + 10 × log10 (1 / t).
Trong trường hợp băng thông của máy phân tích phổ không tuân theo phân bố Gauss thì cần phải sử dụng một hệ số hiệu chỉnh phù hợp.
3.3.4. Đo công suất đầu ra RF
Công suất đầu ra RF, với các điều kiện đo quy định tại mục 3.1, 3.2 và 3.3.2, được đo bằng cách sử dụng sơ đồ đo như mô tả trong Phụ lục B và các thủ tục đo khả dụng trong Phụ lục C phải được sử dụng và ghi lại phục vụ cho công tác hợp chuẩn thiết bị phù hợp với các quy định tại mục 2.2.2.
Tần số trung tâm của thiết bị phải được xác lập trong băng tần 60 GHz.
Bước 1 :
a) Sử dụng các bộ suy hao phù hợp, thiết bị đo phải được phối ghép với bộ tách sóng bằng đi-ốt kết hợp hoặc thiết bị tương đương. Đầu ra của bộ tách sóng đi-ốt được nối với kênh y của bộ tạo dao động hoặc thiết bị đo công suất tương đương.
b) Sự kết hợp của bộ tách sóng bằng đi-ốt và bộ tạo dao động phải có khả năng hiển thị chu kỳ của tín hiệu đầu ra máy phát.
c) Chu kỳ làm việc quan sát được (Tx_on / (Tx_on + Tx_off)) được ký hiệu là t (0 < t="" ≤="" 1)="" và="" phải="" được="" ghi="" trong="" báo="" cáo="" đo="" kiểm.="" với="" mục="" đích="" đo="" kiểm,="" thiết="" bị="" phải="" hoạt="" động="" với="" chu="" kỳ="" lớn="" hơn="" hoặc="" bằng="">
Bước 2:
d) Công suất đầu ra RF của máy phát khi hoạt động ở mức công suất lớn nhất phải được đo bằng cách sử dụng máy phân tích phổ với hệ số tích phân lớn hơn hoặc bằng 5 lần khoảng thời gian lặp lại của máy phát. Giá trị quan sát được ghi lại là “A” (dBm).
đ) Giá trị công suất EIRP được tính từ công suất A nêu trên và chu kỳ quan sát t theo công thức dưới đây và được ghi vào báo cáo đo kiểm.
e) PH = A + 10 x Log10(1/t)
3.3.5. Đo phát xạ giả của máy phát
Phát xạ giả của máy phát, với các điều kiện đo quy định tại mục 3.1, 3.2 và 3.3.2, được đo bằng việc sử dụng sơ đồ đo quy định tại Phụ lục B và thủ tục đo theo quy định tại Phụ lục C, được đo và ghi lại theo các yêu cầu quy định tại tại mục 2.2.3 trong đó có tính đến tăng ích thực của ăng-ten UUT.
Trong trường hợp các phép đo phát xạ thực hiện trên hệ thống ăng-ten mảng mà sử dụng phân bố công suất đối xứng qua các chuỗi phát khả dụng thì UUT nên được cấu hình (nếu có thể) để chỉ một phần tử truyền (ăng-ten) được kích hoạt trong khi các phần tử truyền khác bị vô hiệu hóa. Trường hợp không thể thực hiện được yêu cầu trên thì phải ghi vào báo cáo đo kiểm phương pháp đã sử dụng.
Nếu chỉ có một phần tử truyền được kiểm tra thì kết quả đo của phần tử tích cực phải được hiệu chỉnh phù hợp với toàn bộ hệ thống (tất cả phần tử truyền).
CHÚ THÍCH: Công suất phát xạ của hệ thống bằng công suất phát xạ (mW) của một phần tử truyền nhân với số lượng các phần tử truyền.
Với mục đích của phép đo này, UUT phải được cấu hình để hoạt động ở chu kỳ lớn nhất và mức công suất đầu ra lớn nhất.
3.3.5.1. Quét sơ bộ (pre-scan)
Các thủ tục đo dưới đây được sử dụng để xác định mức phát xạ giả của UUT.
Bước 1:
Độ nhạy của máy phân tích phổ nên đảm bảo ở mức sao cho nền nhiễu ít nhất là 6 dB dưới mức giới hạn quy định tại Bảng 3.
Bước 2:
Các phát xạ phải được đo trong dải tần từ 30 MHz đến 1 GHz.
a) Băng thông phân giải (RBw): 100 kHz.
b) Băng thông hiển thị (VBw): 100 kHz.
c) Chế độ tách sóng (detector): Trung bình.
d) Chế độ dò (trace mode): Mức lớn nhất (max hold).
đ) Thời gian quét (sweep time): Đối với truyền dẫn không liên tục, thời gian quét phải đủ dài sao cho với mỗi bước tần số 100 kHz thì thời gian đo lớn hơn 2 lần thời gian truyền dẫn của UUT.
Các phát xạ phải được đo trong dải tần từ 1 GHz đến 132 GHz:
e) Băng thông phân giải (RBw): 1 MHz.
g) Băng thông hiển thị (VBw): 1 MHz.
h) Chế độ tách sóng (detector): Trung bình.
i) Chế độ dò (trace mode): Mức lớn nhất.
k) Thời gian quét (sweep time): Đối với truyền dẫn không liên tục, thời gian quét phải đủ dài sao cho với mỗi bước tần số 1 MHz thì thời gian đo lớn hơn 2 lần thời gian truyền dẫn của UUT.
Nếu thiết bị không có khả năng đo đến băng tần 132 GHz thì tần số lớn nhất được ghi lại trong báo cáo đo kiểm.
Bất kỳ phát xạ nào được xác định trong quá trình quét trên mà nằm dưới mức giới hạn quy định trong khoảng 6 dB đều phải được đo riêng bằng cách sử dụng các phương pháp đo quy định tại mục 3.3.5.2 và sau đó so sánh với các giới hạn trong Bảng 3. Nếu phép đo được thực hiện tại khoảng cách khác so với quy định thì phải tính toán giá trị cường độ trường tương đương.
3.3.5.2. Đo phát xạ cụ thể
Các phát xạ không mong muốn trong miền phát xạ giả thấp hoặc cao được xác định từ phép đo quét sơ bộ ở trên được đo chính xác theo các phương pháp dưới đây.
Miền phát xạ giả thấp được định nghĩa là miền có dải tần từ tần số nhỏ nhất đo được đến tần số trung tâm danh định -250% của độ rộng kênh ChS với ChS ≤ 500 MHz hoặc đến tần số trung tâm danh định -(500 MHz + 1,5 × ChS) với độ rộng kênh ChS > 500 MHz.
Miền phát xạ giả cao được định nghĩa là miền có dải tần từ tần số trung tâm danh định +250% độ rộng kênh ChS với ChS ≤ 500 MHz hoặc từ tần số trung tâm danh định +(500 MHz + 1,5 × ChS) với độ rộng kênh ChS > 500 MHz, đến tần số lớn nhất đo được.
Sử dụng các bước dưới đây để đo các phát xạ giả cụ thể mà được xác định sơ bộ theo phép đo tại mục 3.3.5.1.
Đối với các tín hiệu truyền liên tục, đo bằng cách sử dụng bộ tách sóng hiển thị trung bình của máy phân tích phổ. Đối với trường hợp khác thì phép đo được thực hiện chỉ trong thời gian hoạt động của máy phát.
Bước 1:
Mức phát xạ phải được đo trong miền thời gian với các thông số thiết lập cho máy phân tích phổ như sau:
a) Tần số trung tâm: Tần số phát xạ được xác định trong quá trình quét sơ bộ.
b) Băng thông phân giải (RBw): 100 kHz với tần số dưới 1 GHz và 1 MHz với tần số trên 1 GHz.
c) Băng thông hiển thị (VBw): 100 kHz với tần số dưới 1 GHz và 1 MHz với tần số trên 1 GHz.
d) Dải tần số đo (frequency span): 0 Hz.
đ) Thời gian quét (sweep time): phù hợp để bắt một gói dữ liệu phát.
e) Bộ kích hoạt (trigger): kích hoạt Video (Video trigger).
g) Chế độ tách sóng (detector): Trung bình.
h) Chế độ dò (trace mode): Hiển thị liên tục trực tiếp (Clear write).
Tần số trung tâm (tinh chỉnh) phải được điều chỉnh để bắt được mức cao nhất của gói dữ liệu phát.
Bước 2:
Thay đổi các thiết lập sau đây trên máy phân tích phổ:
i) Chế độ tách sóng: Hiển thị trung bình (Video average), tối thiểu 100 lần quét.
Các giá trị đo được là công suất trung bình của phát xạ trong thời gian phát gói dữ liệu. Giá trị đo được ghi lại và so sánh với giới hạn trong Bảng 3.
3.3.6. Đo phát xạ giả của máy thu
Phát xạ giả của máy thu, với các điều kiện đo quy định tại mục 3.1, 3.2 và 3.3.2, được đo sử dụng sơ đồ đo quy định tại phụ lục B và thủ tục đo theo quy định tại Phụ lục C và được ghi lại theo các yêu cầu quy định tại mục 2.2.4 trong đó có tính đến tăng ích thực của ăng-ten UUT.
Trong trường hợp phép đo phát xạ được thực hiện trên hệ thống ăng-ten mảng mà sử dụng phần tử ăng-ten thu đồng nhất thì nếu có thể, UUT nên được cấu hình sao cho chỉ một phần tử ăng-ten thu được kích hoạt trong khi các phần tử khác bị vô hiệu hóa. Trường hợp không thể thực hiện được thì phương pháp sử dụng phải được ghi lại trong báo cáo đo kiểm.
Nếu chỉ có một phần tử ăng-ten được đo kiểm thì kết quả đo của phần tử đó phải được hiệu chỉnh cho phù hợp với toàn bộ hệ thống (ứng với tất cả phần tử ăng-ten).
CHÚ THÍCH: Công suất phát xạ của hệ thống bằng công suất phát xạ (mW) ứng với một phần tử ăng-ten nhân với tổng số phần tử.
UUT phải được cấu hình ở chế độ thu liên tục hoặc phải hoạt động ở chế độ trong đó không thực hiện truyền dẫn.
3.3.6.1. Quét sơ bộ
Thủ tục dưới đây được sử dụng để xác định mức phát xạ giả của UUT.
Bước 1:
Độ nhạy của máy phân tích phổ phải đảm bảo ở mức sao cho nền nhiễu ít nhất là 6 dB dưới mức giới hạn quy định tại Bảng 4.
Bước 2:
Các phát xạ phải được đo trong dải tần từ 30 MHz đến 1 GHz:
a) Băng thông phân giải (RBw): 100 kHz.
b) Băng thông hiển thị (VBw): 100 kHz.
c) Chế độ tách sóng (detector): Trung bình.
d) Chế độ dò (trace mode): Mức lớn nhất (Max Hold).
Các phát xạ cũng phải được đo trong dải tần từ 1 GHz đến 132 GHz:
đ) Băng thông phân giải (RBw): 1 MHz.
e) Băng thông hiển thị (VBw): 1 MHz.
g) Chế độ tách sóng (detector): Trung bình.
h) Chế độ dò (trace mode): Mức lớn nhất (max hold).
Nếu thiết bị không có khả năng đo đến băng tần 132 GHz thì ghi lại trong báo cáo đo kiểm tần số lớn nhất đo được.
Bất kỳ phát xạ nào được xác định trong quá trình quét ở trên nằm dưới mức giới hạn quy định trong khoảng 6 dB đều phải được đo riêng biệt bằng cách sử dụng thủ tục đo quy định tại mục 3.3.6.2 và sau đó được so sánh với các giới hạn trong Bảng 4.
3.3.6.2. Đo xác định phát xạ cụ thể
Các bước dưới đây được sử dụng để đo chính xác các phát xạ giả đã được xác định trong các phép đo quét sơ bộ ở trên.
Các giá trị đo phải được ghi lại và so sánh với các giới hạn trong Bảng 4. Nếu phép đo được thực hiện ở khoảng cách khác so với quy định thì phải tính toán giá trị cường độ trường tương đương.
Thiết lập các thông số cho máy phân tích phổ như sau:
a) Tần số trung tâm: Tần số phát xạ được xác định trong quá trình quét sơ bộ.
b) Băng thông phân giải (RBw): 100 kHz với tần số dưới 1 GHz và 1 MHz với tần số trên 1 GHz.
c) Băng thông hiển thị (VBw): 100 kHz với tần số dưới 1 GHz và 1 MHz với tần số trên 1 GHz.
d) Chế độ tách sóng (detector): Trung bình.
đ) Chế độ dò (trace mode): Mức lớn nhất (max hold).
4. QUY ĐỊNH VỀ QUẢN LÝ
Các thiết bị truy nhập vô tuyến tốc độ cao băng tần 60 GHz thuộc phạm vi điều chỉnh quy định tại mục 1.1 phải tuân thủ các quy định kỹ thuật trong Quy chuẩn này.
5. TRÁCH NHIỆM CỦA TỔ CHỨC, CÁ NHÂN
Các tổ chức, cá nhân liên quan có trách nhiệm thực hiện chứng nhận hợp quy và công bố hợp quy thiết bị truy nhập vô tuyến tốc độ cao băng tần 60 GHz theo quy định về chứng nhận và công bố hợp quy đối với sản phẩm hàng hóa chuyên ngành công nghệ thông tin và truyền thông và chịu sự kiểm tra của cơ quan quản lý nhà nước theo các quy định hiện hành.
6. TỔ CHỨC THỰC HIỆN
6.1. Cục Viễn thông và các Sở Thông tin và Truyền thông triển khai hướng dẫn và quản lý các thiết bị truy nhập vô tuyến tốc độ cao băng tần 60 GHz theo Quy chuẩn này.
6.2. Trong trường hợp các quy định tại Quy chuẩn này có sự thay đổi, bổ sung hoặc được thay thế thì thực hiện theo quy định tại văn bản mới./.
Phụ lục A
(Quy định)
Bảng yêu cầu các chỉ tiêu cần đo kiểm
Bảng A.1 - Bảng các yêu cầu đo kiểm
|
Yêu cầu |
Điều kiện áp dụng |
Chỉ tiêu đo |
||||
|
STT |
Mô tả |
Tham chiếu điều khoản số |
U/C |
Điều Kiện |
E/O |
Tham chiếu điều khoản số |
|
1 |
Mật độ phổ công suất |
2.2.1 |
U |
|
E |
3.3.3 |
|
2 |
Công suất đầu ra RF |
2.2.2 |
U |
|
E |
3.3.4 |
|
3 |
Phát xạ giả của máy phát |
2.2.3 |
U |
|
E |
3.3.5 |
|
4 |
Phát xạ giả của máy thu |
2.2.4 |
U |
|
E |
3.3.6 |
|
5 |
Giao thức truy nhập đường truyền |
2.2.5 |
U |
|
X |
|
|
6 |
Ăng-ten tích hợp |
2.2.6 |
U |
|
X |
|
CHÚ THÍCH
U : Áp dụng vô điều kiện
C : Áp dụng có điều kiện
E : Áp dụng phương pháp đo kiểm quy định
O: Áp dụng phương pháp đo kiểm khác
X : Không có phép đo cụ thể
Phụ lục B
(Quy định)
Vị trí đo kiểm và bố trí đo bức xạ
B.1. Vị trí đo
B.1.1. Vị trí đo ngoài trời
Thuật ngữ “ngoài trời” được hiểu theo quan điểm điện từ trường. Ví trí đo có thể ở ngoài trời hoặc ở vị trí có trần và tường trong suốt với sóng vô tuyến điện ở các tần số xem xét.
Vị trí đo ngoài trời có thể được dùng để thực hiện các phép đo sử dụng phương pháp đo bức xạ được mô tả ở mục 3.3. Các phép đo tuyệt đối và các phép đo tương đối có thể được thực hiện trên máy phát hoặc trên máy thu. Các phép đo cường độ trường tuyệt đối cần phải hiệu chuẩn vị trí đo.
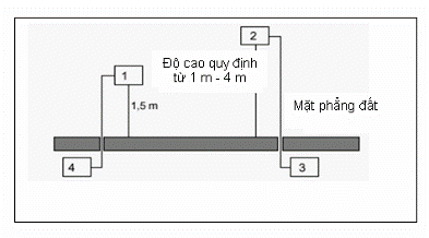
Khoảng cách đo tối thiểu 3 m được sử dụng để đo tần số đến 1 GHz. Đối với tần số lớn hơn 1 GHz, có thể đo tại bất kỳ khoảng cách đo thích hợp nào. Kích thước của thiết bị (không kể ăng ten) phải nhỏ hơn 20% khoảng cách đo. Chiều cao của thiết bị hoặc của ăng-ten thay thế là 1,5 m; độ cao của ăng-ten đo (của máy phát hoặc máy thu) thay đổi từ 1 m đến 4 m.
Cần chú ý để đảm bảo rằng các phản xạ từ các vật thể lân cận bên ngoài không làm ảnh hưởng tới kết quả đo, cụ thể:
- Không có vật dẫn không liên quan đến phép đo có kích thước lớn hơn một phần tư bước sóng của tần số đo cao nhất ở vùng lân cận vị trí đo;
- Các cáp dẫn phải càng ngắn càng tốt; phần cáp được đặt trên mặt phẳng đất hoặc bên dưới mặt phẳng đất càng nhiều càng tốt; các cáp có trở kháng thấp phải được che chắn.
Sơ đồ bố trí đo chung được thể hiện trong Hình B.1.

Hình B.1- Bố trí phép đo
1) Thiết bị cần đo
2) Ăng-ten đo
3) Bộ lọc thông cao (theo yêu cầu)
4) Máy phân tích phổ hoặc máy thu đo
B.1.2. Buồng không dội
B.1.2.1. Tổng quan
Buồng không dội là một phòng bọc kín bằng các loại vật liệu hấp thụ tần số vô tuyến và mô phỏng môi trường không gian tự do. Đó là một môi trường thay thế để thực hiện các phép đo bức xạ đã nêu ở mục 3.3. Các phép đo tuyệt đối hoặc tương đối có thể được thực hiện trên các máy phát và máy thu. Các phép đo cường độ trường tuyệt đối yêu cầu thực hiện hiệu chuẩn của buồng không dội. Trong buồng không dội, ăng-ten đo, thiết bị được đo và các ăng-ten phụ được sử dụng như phép đo kiểm ngoài trời, nhưng tất cả được bố trí ở cùng độ cao cố định trên sàn.
B.1.2.2. Mô tả
Một buồng không dội phải đạt các yêu cầu về suy hao cách ly và suy hao phản xạ của tường theo quy định tại Hình B.2. Hình B.3 là một ví dụ xây dựng buồng không dội có diện tích nền là 5 m x 10 m và chiều cao 5 m. Trần và các mặt tường được phủ vật liệu hấp thụ hình tháp nhọn cao xấp xỉ 1 m. Mặt nền được bao bọc bởi các vật liệu hấp thụ đặc biệt. Kích thước không gian bên trong buồng không dội là 3 m x 8 m x 3 m, vì vậy có thể đo được khoảng cách lớn nhất là 5 m theo trục giữa của phòng này. Vật hấp thụ đặt trên sàn loại bỏ các phản xạ từ mặt sàn do đó độ cao ăng-ten không cần thay đổi. Các buồng không dội có kích thước khác có thể được sử dụng. Ngoài ra, cũng có thể sử dụng buồng không dội với diện tích sàn là 2,5 m × 3 m và độ cao 5 m.
B.1.2.3. Ảnh hưởng của các phản xạ ký sinh
Đối với lan truyền trong không gian tự do ở trường xa, mối quan hệ giữa cường độ trường E và khoảng cách R được cho bởi công thức E = Eox(Ro/R), trong đó Eo là cường độ trường tham chiếu và Ro là khoảng cách tham chiếu. Mối quan hệ này cho phép thực hiện các phép đo tương đối do mọi hằng số đã được loại trừ trong tỉ số và suy hao cáp cũng như sự sai lệch ăng-ten hoặc kích thước ăng-ten đều không phải yếu tố quan trọng.
Nếu lấy logarit của phương trình trên, có thể dễ dàng thấy được độ lệch so với đường cong lý tưởng do sự tương quan lý tưởng giữa cường độ trường và khoảng cách là một đường thẳng. Từ đó có thể dễ dàng quan sát được độ lệch trên thực tế. Phương pháp gián tiếp này giúp chỉ ra nhanh chóng và dễ dàng bất cứ nhiễu nào gây ra do phản xạ và giảm độ phức tạp hơn nhiều so với phương pháp đo trực tiếp suy hao phản xạ.
Với buồng không dội có các kích thước như trên, tại tần số thấp hơn 100 MHz không thỏa mãn các điều kiện trường xa, nhưng do sự phản xạ của tường mạnh hơn, vì vậy phải thận trọng khi hiệu chuẩn. Đối với dải tần số trung bình từ 100 MHz đến 1 GHz sự phụ thuộc của cường độ trường theo khoảng cách rất phù hợp với tính toán. Trên 1 GHz, do xuất hiện nhiều phản xạ, sự phụ thuộc của cường độ trường với khoảng cách sẽ không có được sự tương quan một cách chặt chẽ.
B.1.2.4. Hiệu chuẩn và chế độ sử dụng
Việc hiệu chuẩn và chế độ sử dụng tương tự vị trí đo kiểm ngoài trời, sự khác nhau duy nhất là các ăng-ten đo không cần điều chỉnh nâng và hạ độ cao trong quá trình chọn giá trị lớn nhất, điều này sẽ đơn giản hoá phép đo.

Hình B.2 - Chỉ tiêu về cách ly và phản xạ

Hình B.3 - Buồng không dội cho các phép đo mô phỏng không gian tự do
B.2. Ăng-ten đo
Khi vị trí đo kiểm được sử dụng để đo bức xạ, ăng-ten đo kiểm được sử dụng để phát hiện trường điện từ của cả mẫu đo và ăng-ten thay thế. Khi vị trí đo kiểm được sử dụng để đo các đặc tính của máy thu, ăng-ten sẽ được sử dụng như ăng-ten phát. Ăng-ten này sẽ được lắp trên giá đỡ, có khả năng cho phép ăng-ten được sử dụng theo cả phân cực đứng và phân cực ngang và đồng thời cho phép thay đổi độ cao tính từ tâm của ăng-ten so với mặt đất trong phạm vi quy định. Nên sử dụng các ăng-ten đo kiểm có hướng tính cao. Kích thước của các ăng-ten đo dọc theo trục đo không được vượt quá 20% khoảng cách đo. Ăng-ten sẽ bao gồm cả bộ chuyển đổi lên/xuống cần thiết tới tần số trung gian để truyền tín hiệu thực tế tới/từ thiết bị đo liên quan.
B.3. Ăng-ten thay thế
Ăng-ten thay thế được sử dụng để thay thế cho các thiết bị đo trong các phép đo thay thế. Đối với các phép đo dưới 1 GHz, ăng-ten thay thế là ăng-ten lưỡng cực nửa bước sóng cộng hưởng tại tần số cần đo, hoặc là ăng ten lưỡng cực được rút ngắn (shortened dipole) và được hiệu chuẩn theo ăng-ten lưỡng cực nửa bước sóng. Đối với phép đo giữa 1 GHz và 4 GHz, có thể dùng ăng-ten lưỡng cực nửa bước sóng hoặc ăng-ten loa. Tâm của ăng-ten phải trùng với điểm tham chiếu của ăng-ten mẫu mà nó thay thế. Điểm tham chiếu này là tâm của mẫu đo khi ăng-ten của nó được lắp bên trong hộp máy, hoặc là điểm mà ăng-ten ngoài được nối đến hộp máy.
Khoảng cách giữa điểm thấp nhất của ăng ten lưỡng cực và đất phải ít nhất là 30 cm.
CHÚ THÍCH: Hệ số tăng ích của ăng-ten loa thường là giá trị tương đối so với nguồn bức xạ đẳng hướng.
Phụ lục C
(Quy định)
Mô tả tổng quan phép đo
Phụ lục này quy định phương pháp đo các tín hiệu RF sử dụng các vị trí đo kiểm và bố trí đo như Phụ lục B.
C.1. Các phép đo bức xạ
Các phép đo bức xạ được thực hiện với sự hỗ trợ của ăng-ten đo và các thiết bị đo được mô tả ở Phụ lục B. Ăng-ten đo và thiết bị đo phải được hiệu chuẩn theo thủ tục xác định trong Phụ lục này. Thiết bị được đo và ăng-ten đo được định hướng để đạt được mức công suất phát xạ lớn nhất. Vị trí này được ghi lại trong báo cáo đo. Dải tần số sẽ được đo ở vị trí này.
Tốt nhất là các phép đo bức xạ được thực hiện trong buồng không dội. Đối với các vị trí đo khác, phải tuân thủ theo Phụ lục B. Quy trình đo như sau:
a) Sử dụng vị trí đo đáp ứng các yêu cầu của dải tần số về phép đo này. Ăng-ten đo kiểm được định hướng ban đầu là phân cực đứng trừ khi có các chỉ định khác và máy phát cần đo được đặt trên giá đỡ ở vị trí chuẩn của nó (điều khoản B.1.1) và được bật lên;
b) Sử dụng vôn kế không có tính chọn lọc hoặc máy phân tích phổ băng rộng để đo công suất trung bình. Đối với các phép đo khác dùng máy phân tích phổ hoặc vôn kế chọn lọc và điều chỉnh tới tần số đo.
Trong trường hợp a) hoặc b), có thể điều chỉnh nâng hoặc hạ ăng-ten đo trong khoảng độ cao quy định cho tới khi thu được mức tín hiệu lớn nhất trên máy phân tích phổ hay vôn kế chọn lọc.
Ăng-ten đo không cần nâng lên hay hạ xuống nếu phép đo được thực hiện ở vị trí đo theo quy định tại mục B.1.2.

Hình C.1- Bố trí phép đo số 1
1) Thiết bị cần đo
2) Ăng-ten đo
3) Máy phân tích phổ hoặc máy thu đo.
c) Máy phát được xoay 3600 quanh trục thẳng đứng cho đến khi thu được tín hiệu lớn nhất.
d) Ăng-ten đo được điều chỉnh nâng lên hoặc hạ xuống trong khoảng độ cao quy định cho tới khi thu được mức tín hiệu lớn nhất. Ghi lại giá trị này.
CHÚ THÍCH: Giá trị lớn nhất ở trên có thể nhỏ hơn các giá trị thu được tại các độ cao ngoài giới hạn quy định.
Ăng-ten đo không cần nâng lên hay hạ xuống nếu phép đo được thực hiện ở vị trí đo kiểm theo quy định tại mục B.1.2. Phép đo này được lặp lại đối với phân cực ngang.
C.2. Phép đo thay thế
Tín hiệu tạo ra từ thiết bị được đo có thể xác định bằng cách dùng phép đo thay thế, trong đó một nguồn tín hiệu đã biết thay thế cho thiết bị được đo, xem hình C.2.
Tốt nhất là phép đo thay thế này được thực hiện trong buồng không dội. Đối với các vị trí đo khác, có thể cần phải điều chỉnh, xem Phụ lục B.

Hình C.2 - Bố trí phép đo số 2
1) Ăng-ten thay thế
2) Ăng-ten đo
3) Máy phân tích phổ hoặc vôn kế chọn lọc
4) Bộ tạo tín hiệu
a) Sử dụng sơ đồ bố trí phép đo số 2, ăng-ten thay thế sẽ thay thế cho ăng-ten máy phát ở cùng vị trí và cùng phân cực đứng. Tần số của bộ tạo tín hiệu được điều chỉnh tới tần số đo. Ăng-ten đo được điều chỉnh nâng lên hay hạ xuống để đảm bảo rằng tín hiệu lớn nhất vẫn còn thu được. Mức tín hiệu vào của ăng-ten thay thế được điều chỉnh cho đến khi bằng hoặc tới một mức tương đối biết trước so với mức tín hiệu đã biết tại máy thu đo;
- Ăng-ten đo không cần nâng lên hay hạ xuống nếu phép đo được thực hiện ở vị trí đo kiểm theo mục B.1.2;
- Công suất bức xạ bằng với công suất tạo ra bởi bộ tạo tín hiệu, tăng một lượng biết trước nếu cần, sau khi hiệu chỉnh do độ lợi của ăng-ten thay thế và suy hao cáp giữa bộ tạo tín hiệu và ăng-ten thay thế.
b/ Phép đo này được lặp lại với phân cực ngang.
THƯ MỤC TÀI LIỆU THAM KHẢO
[1] ETSI TR 102 555: "Electromagnetic compatibility and Radio spectrum Matters (ERM); Technical characteristics of multiple gigabit wireless systems in the 60 GHz range System Reference Document".
[2] Directive 98/34/EC of the European Parliament and of the Council of 22 June 1998 laying down a procedure for the provision of information in the field of technical standards and regulations.
[3] IEEE 802.15.3c: "IEEE Standard for Information Technology - Specific Requirements - Part 15: Wireless Personal Area Networks with Millimeter Wave Alternative Physical Task Group 3c (TG3c)".
[4] ECMA TC48, High Rate Short Range Wireless Communications.
[5] ERC Recommendation 70-03 (Tromsø 1997 and subsequent amendments): "Related to the Use of Short Range Devices (SRD)".
[6] ETSI EG 201 399: "Electromagnetic compatibility and Radio spectrum Matters (ERM); A guide to the production of Harmonized Standards for application under the R&TTE Directive".
[7] Commission Decision 2006/771/EC of 9 November 2006 on harmonisation of the radio spectrum for use by short-range devices.
[8] Commission Decision 2010/368/EU of 30 June 2010 amending Decision 2006/771/EC on harmonisation of the radio spectrum for use by short-range devices.
[9] Directive 98/48/EC of the European Parliament and of the Council of 20 July 1998 amending Directive 98/34/EC laying down a procedure for the provision of information in the field of technical standards and regulations.
[10] ITU-R Recommendation M.2003-0: Multiple gigabit wireless systems in frequencies around 60 GHz, 2012.