Nội dung toàn văn Tiêu chuẩn quốc gia TCVN 10899-2-2:2015 (IEC 60320-2-2:1998) về Bộ nối nguồn dùng cho thiết bị gia dụng và các mục đích sử dụng chung tương tự - Phần 2-2: Bộ nối liên kết dùng cho thiết bị gia dụng và thiết bị tương tự
TIÊU CHUẨN QUỐC GIA
TCVN 10899-2-2:2015
IEC 60320-2-2:1998
BỘ NỐI NGUỒN DÙNG CHO THIẾT BỊ GIA DỤNG VÀ CÁC MỤC ĐÍCH SỬ DỤNG CHUNG TƯƠNG TỰ - PHẦN 2-2: BỘ NỐI LIÊN KẾT DÙNG CHO THIẾT BỊ GIA DỤNG VÀ THIẾT BỊ TƯƠNG TỰ
Appliance couplers for household and similar general purposes - Part 2-2: Interconnection couplers for household and similar equipment
Lời nói đầu
TCVN 10899-2-2:2015 hoàn toàn tương đương với IEC 60320-2-2:1998;
TCVN 10899-2-2:2015 do Ban kỹ thuật tiêu chuẩn Quốc gia TCVN/TC/E2 Thiết bị điện gia dụng biên soạn, Tổng cục Tiêu chuẩn Đo lường Chất lượng đề nghị, Bộ Khoa học và Công nghệ công bố.
Bộ TCVN 10899 (IEC 60320), Bộ nối nguồn dùng cho thiết bị gia dụng và các mục đích sử dụng chung tương tự, gồm các tiêu chuẩn sau:
TCVN 10899-1:2015 (IEC 60320-1:2015), Bộ nối nguồn dùng cho thiết bị gia dụng và các mục đích sử dụng chung tương tự - Phần 1: Yêu cầu chung;
TCVN 10899-2-2:2015 (IEC 60320-2-2:1998), Bộ nối nguồn dùng cho thiết bị gia dụng và các mục đích sử dụng chung tương tự - Phần 2-2: Bộ nối liên kết dùng cho thiết bị gia dụng và thiết bị tương tự.
Bộ IEC 60320 còn các tiêu chuẩn sau:
IEC 60320-2-1, Appliance couplers for household and similar general purposes - Part 2-1: Sewing machine couplers;
IEC 60320-2-3, Appliance couplers for household and similar general purposes - Part 2-3: Appliance couplers with a degree of protection higher than IPX0;
IEC 60320-2-4, Appliance couplers for household and similar general purposes - Part 2-4: Couplers dependent on appliance weight for engagement;
IEC 60320-3, Appliance couplers for household and similar general purposes - Part 3: Standard sheets and gauges.
BỘ NỐI NGUỒN DÙNG CHO THIẾT BỊ GIA DỤNG VÀ CÁC MỤC ĐÍCH SỬ DỤNG CHUNG TƯƠNG TỰ - PHẦN 2-2: BỘ NỐI LIÊN KẾT DÙNG CHO THIẾT BỊ GIA DỤNG VÀ THIẾT BỊ TƯƠNG TỰ
Appliance couplers for household and similar general purposes - Part 2-2: Interconnection couplers for household and similar equipment
1. Phạm vi áp dụng
Điều này của Phần 1 được thay thế như sau:
CHÚ THÍCH: Trong tiêu chuẩn này, nhưng chỗ ghi là “Phần 1” chính là IEC 60320-1:1994.
Tiêu chuẩn này áp dụng được cho bộ nối liên kết có hai cực, chỉ dùng với điện xoay chiều, có hoặc không có tiếp điểm nối đất, có điện áp danh định không lớn hơn 250 V và dòng điện danh định không vượt quá 16 A, có tần số 50 Hz hoặc 60 Hz, dùng trong gia đình và các mục đích sử dụng chung tương tự và được thiết kế để nối liên kết nguồn điện với thiết bị điện.
Ổ nối liên kết được tích hợp hoặc lắp trong thiết bị đều thuộc phạm vi áp dụng của tiêu chuẩn này. Các yêu cầu về kích thước và yêu cầu chung của tiêu chuẩn này áp dụng cho các ổ nối như vậy, nhưng một số thử nghiệm nhất định có thể không liên quan.
Các yêu cầu đối với phích nối liên kết liên kết được dựa trên giả thuyết rằng nhiệt độ của tiếp điểm ổ cắm của ổ nối liên kết tương đương không lớn hơn 65 °C (điều kiện lạnh).
Bộ nối liên kết phù hợp với tiêu chuẩn này, thích hợp để sử dụng ở nhiệt độ môi trường xung quanh bình thường không lớn hơn 25 °C nhưng đôi khi có thể tới 35 °C.
Bộ nối liên kết phù hợp với tờ rời tiêu chuẩn trong tiêu chuẩn này, được thiết kế để nối liên kết thiết bị không có bảo vệ chống ẩm đặc biệt; đối với nối liên kết của thiết bị khác và của thiết bị phải chịu việc tràn chất lỏng trong sử dụng bình thường, cần phải có các yêu cầu bổ sung.
CHÚ THÍCH: Có thể yêu cầu kết cấu đặc biệt:
- trong vùng mà tại đó điều kiện đặc biệt thường xảy ra, ví dụ như ở trên tàu thủy, ô tô và phương tiện tương tự;
- trong vùng nguy hiểm, ví dụ như ở nơi có nhiều khả năng xảy ra nổ.
2. Tài liệu viện dẫn
Các tài liệu viện dẫn dưới đây là cần thiết để áp dụng tiêu chuẩn này. Đối với các tài liệu có ghi năm công bố, chỉ áp dụng các bản được nêu. Đối với các tài liệu không ghi năm công bố, áp dụng bản mới nhất (kể cả các sửa đổi).
IEC 60083:1997, Plugs and socket-outlets for domestic and similar general use standardized in member countries of IEC (Phích cắm và ổ cắm dùng trong gia đình và sử dụng chung tương tự, được tiêu chuẩn hóa trong các nước thành viên của IEC)
IEC 60320-1:19941, Appliance couplers for household and similar general purposes - Part 1: General requirements (Bộ nối nguồn dùng cho thiết bị gia dụng và các mục đích sử dụng chung tương tự - Phần 1: Yêu cầu chung)
IEC 60536:1976, Classification of electrical and electronic equipment with regard to protection against electric shock (Phân loại thiết bị điện và điện tử về bảo vệ chống điện giật)
IEC 60906 (tất cả các phần), IEC system of plugs and socket-outlets for household and similar purposes (Hệ thống phích cắm và ổ cắm IEC dùng trong gia đình và mục đích sử dụng tương tự)
TCVN 5906 (ISO 1101), Đặc tính hình học của sản phẩm (GPS) - Dung sai hình học - Dung sai hình dạng, hướng, vị trí và độ đảo
3. Thuật ngữ và định nghĩa
Áp dụng điều này của Phần 1, ngoài ra:
Bổ sung thuật ngữ và định nghĩa:
3.101. Bộ nối liên kết (interconnection coupler)
Phương tiện cho phép kết nối và ngắt theo ý muốn một thiết bị với dây nguồn được nối với thiết bị khác.
Bộ nối liên kết gồm hai phần:
- phích nối liên kết, là bộ phận tích hợp, hoặc được thiết kế để được gắn vào dây nguồn;
- ổ nối liên kết là bộ phận tích hợp hoặc lắp trong thiết bị hoặc được thiết kế cố định vào thiết bị và từ đó nhận được nguồn điện.
CHÚ THÍCH: Ổ nối liên kết được tích hợp trong thiết bị là ổ nối liên kết (có vỏ che và đế) được tạo từ vỏ của thiết bị. Ổ nối liên kết được lắp trong thiết bị là ổ nối liên kết riêng rẽ được lắp trong hoặc cố định vào thiết bị.
3.3. Thay thế:
Thuật ngữ “Phụ kiện” được sử dụng là thuật ngữ chung bao hàm phích nối liên kết và/hoặc ổ nối liên kết.
4. Yêu cầu chung
Áp dụng điều này của Phần 1, ngoài ra:
Bộ nối liên kết phải được thiết kế và có kết cấu sao cho ở điều kiện sử dụng bình thường, chúng làm việc tin cậy và không gây nguy hiểm cho người sử dụng và mọi thứ xung quanh.
Nhìn chung, kiểm tra sự phù hợp bằng cách thực hiện tất cả các thử nghiệm quy định.
5. Lưu ý chung đối với các thử nghiệm
Áp dụng điều này của Phần 1, ngoài ra:
5.4. Thay thế:
Nếu không có quy định nào khác, phích nối liên kết và ổ nối liên kết được thử nghiệm đồng thời với ổ nối liên kết hoặc phích nối liên kết liên kết tương ứng phù hợp với tiêu chuẩn này.
5.5. Thay thế:
Đối với ổ nối liên kết, yêu cầu phải có sáu mẫu, ba mẫu trong số đó phải chịu các thử nghiệm quy định ngoại trừ các thử nghiệm của Điều 14, Điều 15, Điều 16, Điều 19, Điều 20 và Điều 21; ba mẫu còn lại phải chịu các thử nghiệm của Điều 14, Điều 15, Điều 16, Điều 19, Điều 20 và Điều 21 (kể cả thử nghiệm lặp lại của 16.2).
Đối với phích nối liên kết, yêu cầu phải có chín mẫu, ba mẫu trong số đó phải chịu các thử nghiệm quy định ngoại trừ các thử nghiệm của Điều 14, Điều 15, Điều 17, 22.4 và 24.2; ba mẫu khác phải chịu các thử nghiệm của Điều 14, Điều 15 và Điều 17; ba mẫu còn lại phải chịu thử nghiệm của 22.4.
Đối với phích nối liên kết bằng cao su hoặc vật liệu tương tự, yêu cầu phải có hai mẫu bổ sung, để chịu thử nghiệm của 24.2.1.
Đối với phích nối liên kết bằng polyvinyl clorua (PVC) hoặc vật liệu tương tự, yêu cầu phải có hai mẫu bổ sung để chịu thử nghiệm của 24.2.3.
Do đó, đối với phích nối liên kết, tổng số mẫu là:
|
Phích nối liên kết bằng |
Số mẫu |
|
Vật liệu cách điện cứng PVC, cao su hoặc vật liệu tương tự |
9 11 |
6. Thông số đặc trưng tiêu chuẩn
Áp dụng điều này của Phần 1, ngoài ra:
6.2. Thay thế:
Dòng điện danh định tiêu chuẩn là 2,5 A, 10 A và 16 A, như quy định theo 9.1.
7. Phân loại
Áp dụng điều này của Phần 1, ngoài ra:
Thay thế:
7.1. Bộ nối liên kết được phân loại theo loại thiết bị được kết nối:
- bộ nối liên kết dùng cho thiết bị cấp I;
- bộ nối liên kết dùng cho thiết bị cấp II.
CHÚ THÍCH: Đối với việc mô tả về các cấp, xem IEC 60536.
7.2. Ngoài ra, phích nối liên kết được phân loại theo phương pháp nối dày:
- phích nối liên kết thay dây được;
- phích nối liên kết không thay dây được.
8. Ghi nhãn
Áp dụng điều này của Phần 1, ngoài ra:
8.1. Thay thế:
Phích nối liên kết phải được ghi nhãn về:
- dòng điện danh định, tính bằng ampe;
- điện áp danh định, tính bằng vôn;
- ký hiệu về bản chất của nguồn cấp;
- tên, thương hiệu hoặc nhăn nhận biết của nhà chế tạo hoặc đại lý được ủy quyền;
- chủng loại tham chiếu;
CHÚ THÍCH: Chủng loại tham chiếu có thể là số hiệu catalog.
8.2. Thay thế:
Ổ nối liên kết không phải loại được tích hợp trong thiết bị phải ghi nhãn
- tên, thương hiệu hoặc nhãn nhận biết của nhà chế tạo hoặc đại lý được ủy quyền;
- chủng loại tham chiếu, có thể không nhìn thấy được sau khi ổ nối liên kết được lắp đúng vào hoặc phích nối liên kết được gài vào.
CHÚ THÍCH: Chủng loại tham chiếu có thể là số hiệu catalog.
8.3. Thay thế:
Phích nối liên kết và ổ nối liên kết của thiết bị cấp II không được ghi nhãn với ký hiệu dùng cho kết cấu cấp II.
8.5. Thay thế:
Nhãn được quy định theo 8.1 phải dễ dàng nhìn thấy rõ khi phích nối liên kết được đi dây để sẵn sàng sử dụng.
CHÚ THÍCH: Thuật ngữ “sẵn sàng để sử dụng” không hàm ý rằng phích nối liên kết đang được cắm vào ổ nối liên kết.
8.6. Thay thế:
Trong phích nối liên kết không đảo chiều được, vị trí tiếp xúc phải được thiết lập bằng cách nhìn vào bề mặt gài của phích nối liên kết như thể hiện trên Hình 1 của Phần 1 và bố trí chúng như sau:
tiếp xúc đất: vị trí giữa cao hơn;
tiếp xúc pha: vị trí thấp hơn bên trái;
tiếp xúc trung tính: vị trí thấp hơn bên phải.
Ở phích nối liên kết thay dây được, không đảo chiều được, phích nối liên kết phải được chỉ ra như sau:
đầu nối đất: ký hiệu ![]()
đầu nối trung tính: chữ cái N
Ở phích nối liên kết không thay dây được, không đảo chiều được, không cần ghi nhãn các chân cắm nhưng lõi dây phải được nối như quy định trong 22.1.
Ổ nối liên kết, không phải ổ nối được tích hợp hoặc lắp trong thiết bị, để sử dụng cùng với phích nối liên kết phù hợp với điều này, phải có ghi nhãn đầu nối phù hợp với điều này.
Ký hiệu hoặc chữ cái ghi nhãn không được đặt trên vít, vòng đệm tháo ra được hoặc các bộ phận tháo ra được khác.
CHÚ THÍCH: Yêu cầu liên quan đến việc ghi nhãn đầu nối và mối nối các một dẫn đã được đưa ra để bố trí theo yêu cầu tương ứng đối với bộ nối thiết bị, được đưa ra để tính đến việc các quốc gia có yêu cầu về hệ thống nguồn phân cực và giới thiệu về hệ thống phích cắm và ổ cắm IEC (xem IEC 60906).
9. Kích thước và tính tương thích
Áp dụng điều này của Phần 1, ngoài ra:
Thay thế:
9.1. Ngoại trừ các thiết bị được cho phép theo 9.6, bộ nối liên kết phải phù hợp với tờ rời tiêu chuẩn tương ứng như quy định dưới đây:
Bộ nối liên kết 2,5 A 250 V dùng cho thiết bị cấp I:
- phích nối liên kết................................................................................................. tờ rời A
- ổ nối liên kết....................................................................................................... tờ rời B
Bộ nối liên kết 2,5 A 250 V dùng cho thiết bị cấp II:
- phích nối liên kết................................................................................................. tờ rời C
- ổ nối liên kết...................................................................................................... tờ rời D
Bộ nối liên kết 10 A 250 V đối với thiết bị cấp I:
- phích nối liên kết................................................................................................. tờ rời E
- ổ nối liên kết....................................................................................................... tờ rời F
Bộ nối liên kết 10 A 250 V dùng cho thiết bị cấp II:
- phích nối liên kết................................................................................................ tờ rời G
- ổ nối liên kết....................................................................................................... tờ rời H
Bộ nối liên kết 16 A 250 V đối với thiết bị cấp I:
- phích nối liên kết.................................................................................................. tờ rời I
- ổ nối liên kết....................................................................................................... tờ rời J
Bộ nối liên kết 16 A 250 V đối với thiết bị cấp II:
- phích nối liên kết................................................................................................. tờ rời K
- ổ nối liên kết....................................................................................................... tờ rời L
Kiểm tra kích thước bằng phép đo hoặc bằng dưỡng ở nhiệt độ môi trường xung quanh là 25 °C ± 5 °C. Phụ kiện phải được thử nghiệm với dưỡng phù hợp theo bảng dưới đâu:
|
Phụ kiện cần thử nghiệm |
Dưỡng |
|
Phích nối liên kết 10 A của tờ rời tiêu chuẩn E và G |
Hình 9H |
|
Phích nối liên kết 16 A của tờ rời tiêu chuẩn I và K |
Hình 9M |
|
Ổ nối liên kết 10 A của tờ rời tiêu chuẩn F |
Hình 101 |
|
Ổ nối liên kết 10A của tờ rời tiêu chuẩn H |
Hình 102 |
|
Ổ nối liên kết 16 A của tờ tời tiêu chuẩn J |
Hình 103 |
|
Ổ nối liên kết 16 A của tờ rời tiêu chuẩn L |
Hình 104 |
9.2. Quy định, nếu có, để giữ phích nối liên kết trong ổ nối liên kết phải phù hợp với tờ rời tiêu chuẩn liên quan .
9.3. Không thể tạo kết nối một cực giữa phích nối liên kết và ổ nối liên kết.
Ổ nối liên kết không được có kết nối không phù hợp với phích cắm phù hợp với IEC 60083.
Phích nối liên kết không được có kết nối không phù hợp với ổ cắm di động phù hợp với cùng loại ổ cắm của IEC 60083 và cũng không được có kết nối không phù hợp với phích nối phù hợp với Phần 1.
Kiểm tra sự phù hợp bằng thử nghiệm bằng tay.
CHÚ THÍCH 1: Kết nối không phù hợp gồm kết nối một cực và các kết nối khác không phù hợp với yêu cầu liên quan đến bảo vệ chống điện giật.
CHÚ THÍCH 2: Việc tuân thủ theo từ rời tiêu chuẩn đảm bảo sự phù với các yêu cầu này.
9.4. Không thể gài
- phích nối liên kết dùng cho thiết bị cấp I vào ổ nối liên kết dùng cho thiết bị cấp II;
- phích nối liên kết vào ổ nối liên kết có dòng điện danh định thấp hơn dòng điện danh định của phích nối liên kết.
Kiểm tra sự phù hợp bằng cách xem xét, thử nghiệm bằng tay và dưỡng đo ở nhiệt độ môi trường xung quanh là 35 °C ± 2 °C.
CHÚ THÍCH 1: Việc tuân thủ theo tờ rời tiêu chuẩn bảo đảm sự phù hợp với các yêu cầu không phải là các yêu cầu được kiểm tra bằng dưỡng đo.
CHÚ THÍCH 2: Dưỡng đang được xem xét.
9.5. Không áp dụng.
10. Bảo vệ chống điện giật
Áp dụng điều này của Phần 1, ngoài ra:
10.1. Thay thế:
Bộ nối liên kết phải được thiết kế sao cho bộ phận mang điện không thể chạm tới được khi phích nối liên kết được cắm một phần hoặc cắm hoàn toàn trong ổ nối.
Ổ nối liên kết phải được thiết kế sao cho bộ phận mang điện không thể chạm tới được khi ổ nối liên kết được lắp đúng như trong sử dụng bình thường.
Kiểm tra sự phù hợp bằng cách xem xét và, nếu cần, bằng thử nghiệm sử dụng ngón tay thử nghiệm tiêu chuẩn được thể hiện trên Hình 10 của Phần 1.
Ngón tay thử nghiệm này được đặt vào mọi vị trí có thể, sử dụng đèn báo chỉ thị sự tiếp xúc với bộ phận liên quan. Đối với phích nối liên kết và ổ nối liên kết có vỏ che, vỏ ngoài hoặc thân làm bằng vật liệu cao su hoặc nhựa nhiệt dẻo, ngón tay thử nghiệm tiêu chuẩn được đặt một lực 20 N trong 30 s vào tất cả các điểm mà vật liệu cách điện bị lún xuống có thể ảnh hưởng xấu đến an toàn của phích nối liên kết; thử nghiệm này được thực hiện ở nhiệt độ môi trường xung quanh là 35 °C ± 2 °C.
CHÚ THÍCH 1: Ngón tay thử nghiệm tiêu chuẩn phải được thiết kế sao cho mỗi đoạn nối có thể xoay một góc 90° so với trục của ngón tay theo cùng một hướng.
CHÚ THÍCH 2: Đèn báo có điện áp nằm trong khoảng từ 40 V đến 50 V được sử dụng để chỉ thị sự tiếp xúc với bộ phận liên quan.
CHÚ THÍCH 3: Việc tuân thủ theo tờ rời tiêu chuẩn đảm bảo sự phù hợp với các yêu cầu về việc chạm tới được của cơ cấu tiếp xúc trong quá trình án phích nối liên kết vào ô nối liên kết.
10.2. Thay thế:
Không thể tạo kết nối giữa chân cắm của phích nối liên kết và tiếp điểm của ổ nối liên kết khi có một bộ phận mang điện bất kỳ của chân cắm có thể chạm tới được.
Kiểm tra sự phù hợp bằng thử nghiệm bằng tay và bằng thử nghiệm theo 10.1.
CHÚ THÍCH: Việc tuân thủ theo tờ rời tiêu chuẩn bảo đảm sự phù hợp với yêu cầu này.
10.4. Thay thế:
Bộ phận bên ngoài của phích nối liên kết và của ổ nối liên kết phải được làm bằng vật liệu cách điện ngoại trừ các vít dùng để lắp ráp và các chi tiết tương tự.
Kiểm tra sự phù hợp bằng cách xem xét.
CHÚ THÍCH 1: Tính phù hợp của vật liệu cách điện được kiểm tra trong các thử nghiệm cách điện của Điều 15.
CHÚ THÍCH 2: Véc ni hoặc emay không được coi là vật liệu cách điện đối với mục đích của các điều từ 10.1 đến 10.4.
11. Quy định cho nối đất
Áp dụng điều này của Phần 1, ngoài ra:
11.2. Thay thế:
Bộ nối liên kết có tiếp điểm nối đất phải có kết cấu sao cho, khi cắm phích nối liên kết vào thì tạo ra sự nối đất trước khi chân cắm mang dòng của phích nối liên kết mang điện.
Khi rút phích nối liên kết ra, chân cắm mang dòng phải tách ra trước, kết nối đất được tách ra sau.
Đối với bộ nối liên kết không phù hợp với tờ rời tiêu chuẩn, kiểm tra sự phù hợp bằng cách xem xét bản vẽ, có tính đến cả ảnh hưởng của dung sai và bằng cách kiểm tra mẫu theo bản vẽ này.
CHÚ THÍCH: Việc tuân thủ theo tờ rời tiêu chuẩn đảm bảo sự phù hợp với yêu cầu này.
12. Đầu nối và đầu cốt
Áp dụng điều này của Phần 1.
13. Kết cấu
Áp dụng điều này của Phần 1, ngoài ra:
13.1. Thay thế:
Bộ nối liên kết phải được thiết kế sao cho không có rủi ro tiếp xúc ngẫu nhiên giữa chắn nối đất của phích nối liên kết và tiếp điểm mang dòng của ổ nối liên kết.
Kiểm tra sự phù hợp bằng cách xem xét.
CHÚ THÍCH: Việc tuân thủ theo tờ rời tiêu chuẩn bảo đảm sự phù hợp với yêu cầu này.
13.3. Thay thế:
Chân cắm của phích nối liên kết và tiếp điểm của ổ nối liên kết phải được hãm để chống xoay.
Kiểm tra sự phù hợp bằng cách xem xét và bằng thử nghiệm bằng tay.
CHÚ THÍCH: Có thể dùng vít kẹp để ngăn các tiếp điểm khỏi bị xoay.
13.4. Thay thế:
Chân cắm của phích nối liên kết phải được giữ chắc chắn và phải có đủ độ bền cơ. Chúng phải được bao quanh bằng vỏ che và không thể tháo ra mà không sử dụng dụng cụ.
Kiểm tra sự đảm bảo tính chắc chắn của chân cắm bằng cách xem xét và, trong trường hợp có nghi ngờ thì kiểm tra bằng thử nghiệm dưới đây.
Mẫu được gia nhiệt đến nhiệt độ 70 °C ± 2 °C trong 1 h và được duy trì ở nhiệt độ này trong suốt quá trình thử nghiệm kể cả giai đoạn 5 min sau khi lấy tải thử nghiệm ra.
Phích nối liên kết được giữ chắc theo cách để không ép hoặc vặn quá mức thân và phương tiện giữ không có tác dụng giữ các chân cắm ở vị trí ban đầu của chúng.
Mỗi chân cắm phải chịu một lực 60 N ± 0,6 N, được đặt vào nhưng không giật, theo hướng dọc trục của chân cắm và duy trì lực này trong thời gian là 60 s.
Đối với tất cả các chân cắm có lực được đặt vào, đầu tiên được đặt lực theo hướng cách xa đế của phích nối liên kết và sau đó đặt lực theo hướng về phía đế của phích nối liên kết.
Việc gắn chân cắm được coi là thỏa đáng nếu không có dịch chuyển nào lớn hơn 2,5 mm trong suốt quá trình thử nghiệm trên bất kỳ chân cắm nào, và với điều kiện là trong khoảng 5 min sau khi nhả lực cắm vào hoặc trong khoảng 5 min sau khi nhả lực kéo ra, tất cả các chân cắm vẫn nằm trong dung sai được quy định trong tờ rời tiêu chuẩn liên quan.
CHÚ THÍCH 1: Yêu cầu này không loại trừ các chân cắm ở dạng thả nổi, ở một phạm vi nào đó
CHÚ THÍCH 2: Mức độ thả nổi cho phép không được kiểm tra bằng phép đo mà kiểm tra bằng cách sử dụng dưỡng đo.
13.5. Thay thế:
Tiếp điểm của ổ nối liên kết phải tự điều chỉnh để tạo ra đủ lực tiếp xúc.
Việc tự điều chỉnh của tiếp điểm không phụ thuộc vào tính đàn hồi của vật liệu cách điện.
Kiểm tra sự phù hợp bằng cách xem xét và bằng các thử nghiệm của các điều từ Điều 16 đến Điều 21.
13.7. Không áp dụng.
13.8. Không áp dụng yêu cầu của đoạn thứ ba.
13.9. Thay thế:
Đối với phích nối liên kết, chân cắm nối đắt phải được cố định vào thần. Nếu đầu nối đất và chân cắm nối đất của phích nối liên kết hoặc đầu nối đất và tiếp điểm nối đất của ổ nối liên kết không nằm trên một chi tiết thì các bộ phận khác phải được cố định với nhau bằng cách tán đinh, hàn điện hoặc theo cách chắc chắn tương tự.
Mối nối giữa chân cắm nối đất hoặc tiếp điểm và đầu nối đất phải bằng kim loại chịu được ăn mòn.
Kiểm tra sự phù hợp bằng cách xem xét và, nếu cần, bằng các thử nghiệm đặc biệt.
CHÚ THÍCH 1: Yêu cầu này không loại trừ các chân cắm nối đất ở dạng thả nổi, ở một phạm vi nào đó.
CHÚ THÍCH 2: Mức độ thả nổi cho phép không được kiểm tra bằng phép đo mà kiểm tra bằng cách sử dụng dưỡng đo, đối với phích nối liên kết 2,5 A và trên Hình 9H của Phần 1 đối với phích nối liên kết 10 A.
13.13. Không áp dụng.
14. Khả năng chống ẩm
Áp dụng điều này của Phần 1.
15. Điện trở cách điện và độ bền điện
Áp dụng điều này của phần, ngoài ra:
15.2. Thay thế:
Điện trở cách điện được đo ở điện áp một chiều xấp xỉ 500 V, mỗi phép đo được thực hiện sau khi đặt điện áp trong 1 min.
Điện trở cách điện được đo.
1) giữa các tiếp điểm ổ nối mang dòng được nối với nhau và thân, đối với phích nối liên kết đã được cắm vào và không được cắm vào ổ nối liên kết;
2) lần lượt giữa từng tiếp điểm và các tiếp điểm còn lại được nối với nhau, đối với phích nối liên kết đã được cắm vào ổ nối liên kết.
3) giữa các chân cắm mang dòng được nối với nhau và thân, đối với phích nối liên kết;
4) lần lượt giữa từng chân cắm và các chân cắm còn lại được nối với nhau, đối với phích nối liên kết;
5) giữa bộ phận kim loại bất kỳ của cơ cấu kẹp dây, kể cả vít kẹp và chân cắm nối đất hoặc đầu nối đất, đối với phích nối liên kết thay dây được;
6) giữa bộ phận kim loại bất kỳ của cơ cấu kẹp dây, ngoại trừ vít kẹp, và dây kim loại có đường kính bằng đường kính lớn nhất của dây nguồn, được lắp vào vị trí của dây nguồn, đối với phích nối liên kết thay dây được;
Đường kính lớn nhất của dây nguồn
|
Kiểu dây nguồn |
Số lượng lõi và tiết diện danh nghĩa mm2 |
Đường kính lớn nhất mm |
|
6610 TCVN 53 (60227 IEC 53) |
3 x 0,75 |
8,0 |
|
3 x 1 |
8,4 |
|
|
3 x 1,5 |
9,8 |
|
|
9615 TCVN 53 (60245 IEC 53) |
3 x 0,75 |
8,8 |
|
3 x 1 |
9,2 |
|
|
3 x 1,5 |
11,0 |
Điện trở cách điện không được nhỏ hơn 5 MΩ.
CHÚ THÍCH 1: Thuật ngữ “thân” được sử dụng trong mục 1 và 3 ở trên là bao gồm tất cả các bộ phận kim loại, vít dùng để cố định, vít dùng để lắp ráp bên ngoài và chi tiết tương tự và lá kim loại tiếp xúc với bề mặt ngoài của các bộ phận bên ngoài làm bằng vật liệu cách điện, nhưng không bao gồm cả bề mặt tiếp giáp của phích nối liên kết (mục 3).
CHÚ THÍCH 2: Lá kim loại được quấn xung quanh bề mặt ngoài của bộ phận bên ngoài làm bằng vật liệu cách điện; tuy nhiên, không được ấn vào các lỗ.
16. Lực cần thiết để cắm và rút phích nối
Điều này được thay thế như sau:
16. Lực cần thiết để cắm và rút phích nối liên kết
16.1. Kết cấu của bộ nối liên kết phải sao cho có thể cắm và rút phích nối liên kết một cách dễ dàng, và ngăn ngừa đầu phích nối bị tuột khỏi ổ nối liên kết khi sử dụng bình thường. Đặc tính này không bị thay đổi quá mức khi sử dụng bình thường.
Kiểm tra sự phù hợp bằng thử nghiệm của 16.2, được thực hiện trên ổ nối liên kết và được lặp lại sau thử nghiệm của Điều 21.
CHÚ THÍCH: Thử nghiệm bổ sung đang được xem xét nhằm kiểm tra lực cần thiết để cắm phích nối liên kết vào ổ nối liên kết. Đối với các lực cắm này, giá trị 1,5 lần lực rút cũng đang được xem xét.
16.2. Lực lớn nhất và nhỏ nhất cần thiết để rút phích nối liên kết khỏi ổ nối liên kết được xác định bằng phương tiện như được thể hiện trên Hình 12 của Phần 1. Thiết bị này gồm một tấm lắp đặt A và ổ nối liên kết cần được thử nghiệm B, được gắn vào sao cho trục của tiếp điểm nằm theo phương thẳng đứng và đầu hở các tiếp điểm quay xuống dưới.
Phích nối liên kết thử nghiệm là loại tương đương với ổ nối liên kết cần thử nghiệm và có chân cắm làm bằng thép tôi có độ nhám bề mặt không vượt quá 0,8 µm. Chiều dài của chân cầm và khoảng cách giữa các tâm của chân cắm có giá trị được quy định trong tờ rời tiêu chuẩn liên quan, dung sai trên khoảng cách giữa các tâm chân cắm là ±0,02 mm.
Đối với phép đo lực rút lớn nhất, kích thước
chân cắm có giá trị lớn nhất, với dung sai là
mm và đường kính
trong của vỏ che có giá trị nhỏ nhất với dung sai là
mm, được quy định
trong tờ rời tiêu chuẩn liên quan.
Đối với phép đo lực rút nhỏ nhất, kích thước
chân cắm có giá trị nhỏ nhất, với dung sai là
mm và đường kính
trong của vỏ che có giá trị nhỏ nhất với dung sai là
mm, được quy định
trong tờ rời tiêu chuẩn liên quan.
Phích nối liên kết thử nghiệm được cắm vào rồi rút khỏi ổ nối liên kết 10 lần. Sau đó phích nối liên kết thử nghiệm lại được cắm lại, một giá treo E đỡ vật nặng chính F và vật nặng bổ sung G được gắn vào phích nối liên kết bằng một kẹp thích hợp. Vật nặng bổ sung phải sao cho tạo lực kéo xuống 5 N.
Vật nặng chính, cùng với vật nặng bổ sung, kẹp, giá treo và phích nối liên kết thử nghiệm tạo ra một lực 50 N đối với phụ kiện có dòng điện danh định không vượt quá 10 A và 60 N đối với phụ kiện có dòng điện danh định 16 A. Vật nặng chính được treo nhẹ nhàng và không đột ngột tên phích nối liên kết và vật nặng bổ sung được phép thả rơi từ độ cao 5 cm lên vật nặng chính.
Phích nối liên kết thử nghiệm không được nằm lại trong ổ nối liên kết.
Tiếp đó, thử nghiệm được lặp lại bằng cách sử dụng phích nối liên kết khác, vật nặng chính và vật nặng phụ được thay thế bằng vật nặng khác sao cho khối lượng tổng của phích nối liên kết thử nghiệm, kẹp, giá treo và vật nặng mới tạo ra một lực 10 N đối với phụ kiện có dòng điện danh định không lớn hơn 10 A và 15 N đối với phụ kiện có dòng điện danh định là 16 A.
Phích nối liên kết không được rơi ra.
17. Hoạt động của tiếp điểm
Áp dụng điều này của Phần 1, ngoài ra:
17.1. Thay thế:
Tiếp điểm và chân cắm của bộ nối liên kết phải thực hiện việc nối bằng thao tác trượt. Tiếp điểm của ổ nối liên kết phải có đủ lực ép tiếp xúc và không bị hỏng trong quá trình sử dụng bình thường.
17.2. Thay thế:
Điện trở của mạch điện thông qua bộ nối liên kết, đặc biệt là điện trở của mạch điện nối đất, phải đủ thấp.
Lực ép giữa tiếp điểm nối đất và chân cắm nối đất không được phụ thuộc vào độ đàn hồi của vật liệu cách điện mà chúng được gắn vào.
Kiểm tra sự phù hợp với các yêu cầu bằng cách xem xét 17.1 và 17.2.
18. Khả năng chịu nhiệt của bộ nối thiết bị trong điều kiện nóng hoặc điều kiện rất nóng
Không áp dụng điều này của Phần 1.
19. Khả năng cắt
Áp dụng điều này của Phần 1, ngoài ra:
Bộ nối liên kết phải có đủ khả năng cắt.
Đối với ổ nối liên kết, kiểm tra sự phù hợp bằng thử nghiệm dưới đây:
Ổ nối liên kết được lắp trong thiết bị thử nghiệm tương tự như thiết bị được thể hiện trên Hình 14 của Phần 1, có lắp phích nối liên kết có chân cắm bằng thép tôi, được làm nhẵn và kích thước như quy định trong tờ rời tiêu chuẩn liên quan.
Ổ nối liên kết được đặt sao cho mặt phẳng qua trục của tiếp điểm ổ nối là mặt phẳng ngang và tiếp điểm nối đất, nếu có, được đặt cao nhất.
Phích nối liên kết và ổ nối liên kết được cắm vào và được rút ra 50 lần (100 hành trình), ở tốc độ là 30 hành trình trong mỗi phút.
Việc cắm vào được thể hiện trên Hình 15 của Phần 1. Điện áp thử nghiệm là 275 V. Dòng điện thử nghiệm bằng 1,25 lần dòng điện danh định và hệ số công suất tối thiểu là 0,95 đối với ổ nối liên kết 10 A và 16 A và hệ số công suất là 0,6 ± 0,05 đối với ổ nối liên kết 2,5 A.
Không có dòng điện chạy qua mạch nối đất, nếu có.
Công tắc lựa chọn C, nối mạch nối đất và bộ phận kim loại chạm tới được với một trong các cực của nguồn điện, được cho làm việc sau một nửa số hành trình.
Nếu sử dụng cuộn cảm có lõi không khí thì điện trở có dòng xấp xỉ 1 % dòng điện chạy qua cuộn cảm được nối song song với nó. Có thể sử dụng cuộn cảm có lõi sắt với điều kiện là dòng điện có dạng sóng về cơ bản là hình sin.
Trong quá trình thử nghiệm, không được xuất hiện phóng điện bề mặt giữa các bộ phận mang điện có cực khác nhau hoặc giữa các bộ phận này và bộ phận của mạch nối đất, nếu có, không được xuất hiện hồ quang liên tục.
Sau thử nghiệm, mẫu không được có hư hại làm ảnh hưởng đến sử dụng sau này và các lỗ để cắm chân cắm không cho thấy có hư hại nghiêm trọng bất kỳ nào.
CHÚ THÍCH 1: Trong trường hợp có nghi ngờ, lặp lại thử nghiệm với chân cắm mới, có độ nhám bề mặt không vượt quá 0,8 µm trên toàn bộ chiều dài làm việc của chân cắm, được lắp vào phích nối liên kết của thiết bị thử nghiệm. Nếu một bộ mẫu mới chịu được thử nghiệm lặp lại với chân cắm mới thì ổ nối liên kết được coi là phù hợp với yêu cầu.
CHÚ THÍCH 2: Hành trình là một lần cắm phích nối liên kết hoặc một lần rút phích nối liên kết ra.
CHÚ THÍCH 3: Phích nối liên kết không thử nghiệm về khả năng cắt.
20. Hoạt động bình thường
Điều này của Phần 1 được thay thế như sau:
Bộ nối liên kết phải chịu được ứng suất cơ, điện và nhiệt xảy ra trong quá trình sử dụng bình thường mà không bị ăn mòn quá mức hoặc ảnh hưởng có hại khác.
Kiểm tra sự phù hợp bằng cách thử nghiệm ở cắm thiết bị trong thiết bị được mô tả trong Điều 19.
Phích nối liên kết và ổ nối liên kết được cắm vào và rút ra 1 000 lần (2 000 hành trình) ở dòng điện danh định và 3 000 lần (6 000 hành trình ) mà không có dòng điện chạy qua.
Việc đấu nối và các điều kiện thử nghiệm khác được quy định trong Điều 19, ngoại trừ điện áp thử nghiệm là 250 V.
Công tắc lựa chọn C, nối mạch nối đất và bộ phận kim loại chạm tới được với một trong các cực của nguồn điện, được cho làm việc sau một nửa số hành trình tại dòng điện danh định.
Sau thử nghiệm, mẫu phải chịu được thử nghiệm độ bền điện như quy định trong 15.3, tuy nhiên, điện áp thử nghiệm bị giảm còn 1 500 V.
Mẫu phải cho thấy
- không bị mài mòn làm ảnh hưởng xấu đến việc sử dụng sau này;
- không bị hỏng vỏ ngoài hoặc vách ngăn;
- không bị hỏng các lỗ cắm dành cho chân cắm để có thể ảnh hưởng xấu đến làm việc đúng;
- không nới lỏng các mối nối điện hoặc cơ;
- không bị rò rỉ hợp chất gắn.
CHÚ THÍCH 1: Không lặp lại xử lý ẩm trước thử nghiệm độ bền điện của điều này.
CHÚ THÍCH 2: Phích nối liên kết không thử nghiệm về hoạt động bình thường.
21. Độ tăng nhiệt
Điều này của Phần 1 được thay thế như sau:
Tiếp điểm và các bộ phận mang dòng khác phải được thiết kế sao cho ngăn ngừa độ tăng nhiệt quá mức do dòng điện chạy qua.
Kiểm tra sự phù hợp, đối với ổ nối liên kết, bằng thử nghiệm dưới đây.
Ổ nối liên kết được thử nghiệm bằng cách sử
dụng phích nối liên kết có chân cắm bằng đồng có kích thước tối thiểu quy định
trong tờ rời tiêu chuẩn liên quan, cho phép dung sai là
mm và khoảng cách
giữa các tâm chân cắm có giá trị quy định trong tờ rời tiêu chuẩn.
Phích nối liên kết được cắm vào ổ nối liên kết và dòng điện xoay chiều bằng 1,25 lần dòng điện danh định chạy qua tiếp điểm mang dòng trong 1 h.
Đối với bộ nối liên kết có tiếp điểm nối đất, dòng điện chạy qua một tiếp điểm mang dòng và tiếp điểm nối đất trong 1 h.
Xác định nhiệt độ bằng hạt nóng chảy, bộ chỉ thị thay đổi màu hoặc nhiệt ngẫu, được chọn và đặt sao cho chúng có ảnh hưởng không đáng kể lên nhiệt độ cần xác định.
Độ tăng nhiệt của các đầu nối hoặc đầu cót và tiếp điểm không được lớn hơn 45 °C.
Sau thử nghiệm này, bộ thứ hai gồm ba mẫu quy định theo 5.5 phải chịu thử nghiệm của Điều 16.
CHÚ THÍCH 1: Phích nối liên kết không thử nghiệm về độ tăng nhiệt.
CHÚ THÍCH 2: Trong suốt quá trình thử nghiệm, phụ kiện không được đặt vào nguồn nhiệt bên ngoài.
22. Dây nguồn và nối dây
Áp dụng điều này của Phần 1, ngoài ra:
22.3. Thay bằng bảng:
|
Loại phích nối liên kết có dòng điện danh định A |
Kiểu dây nguồn |
Tiết diện danh nghĩa mm2 |
|
10 |
9615 TCVN 53 (60245 IEC 53) |
0,75 1 |
|
16 |
9615 TCVN 53 (60245 IEC 53) |
1 1,5 |
22.4. Thay bằng bảng:
|
Loại phích nối liên kết có dòng điện danh định A |
Loại dây nguồn |
Tiết diện danh nghĩa mm2 |
|
10 |
9615 TCVN 53 (60245 IEC 53) |
1 |
|
16 |
9615 TCVN 53 (60245 IEC 53) |
1,5 |
23. Độ bền cơ
Áp dụng điều này của Phần 1, ngoài ra:
23.1. Thay thế:
Bộ nối liên kết phải có đủ độ bền cơ.
Kiểm tra sự phù hợp
- đối với phích nối liên kết, bằng thử nghiệm của 23.2, 23.3, 23.5, 23.7 và 23.8;
- đối với ổ nối liên kết, bằng thử nghiệm của 23.5.
23.3. Thay thế:
Sau thử nghiệm của 23.2, phích nối liên kết được cắm vào ổ nối liên kết sử dụng thiết bị tương tự với thiết bị được thể hiện trên Hình 19 của Phần 1.
Phích nối liên kết được thử nghiệm bằng cách sử dụng ổ nối liên kết phù hợp với tiêu chuẩn này và có đặc tính gần với các đặc tính trung bình càng tốt. Chân cắm của phích nối liên kết phải quay xuống dưới.
Lực kéo ngang, như quy định trong bảng dưới đây, được đặt lên dây nguồn theo hướng vuông góc với mặt phẳng chứa trục của chân cắm mang dòng và được nhả ra ngay.
Trình tự thao tác này được thực hiện 100 lần theo một hướng và sau đó thực hiện 100 lần theo hướng ngược lại.
|
Dòng điện danh định của phích nối A |
Lực kéo N |
|
2,5 |
6 |
|
10 |
35 |
|
16 |
50 |
Nếu cần, phích nối liên kết được giữ để không tuột khỏi ổ nối liên kết.
Trong quá trình thử nghiệm, ống bảo vệ dây, nếu có, không được tách khỏi thân.
Sau thử nghiệm, phích nối liên kết không có dấu hiệu hư hại theo nghĩa của tiêu chuẩn này.
CHÚ THÍCH: Thiết bị thể hiện trên Hình 19 của Phần 1 được thiết kế cho phích nối liên kết trong trường hợp trục của phích nối liên kết và trục của dây dẫn trùng nhau (phích nối liên kết “thẳng”); đối với các phích nối liên kết khác, thiết bị phải đáp ứng sao cho lực kéo được đặt vào ở vị trí bất lợi nhất.
23.4. Không áp dụng.
23.5. Sửa đổi:
Thay đoạn đầu tiên bằng nội dung dưới đây:
Vỏ che của phích nối liên kết và ổ nối liên kết được thử nghiệm bằng thiết bị thử nghiệm va đập được vận hành bằng lò xo như thể hiện trên Hình 21 của Phần 1.
23.6. Không áp dụng.
23.8. Vỏ che của phích nối liên kết phải chịu thử nghiệm nén ở nhiệt độ môi trường xung quanh là 25 °C ± 5 °C với thiết bị giống với thiết bị thử nghiệm được thể hiện trên Hình 24 của Phần 1.
Mẫu được kẹp vào giữa hai hàm kẹp bằng thép tôi, có một mặt hình trụ bán kính 25 mm, chiều rộng là 15 mm và chiều dài hiệu quả giữa các cơ cấu dẫn hướng tối thiểu là 50 mm. Các góc được lượn tròn với bán kính là 2,5 mm.
Mẫu được kẹp giữa hai hàm kẹp sao cho bề mặt trước của hàm kẹp trùng với mặt trước của vỏ che. Lực đặt vào thông qua các hàm kẹp là 20 N ± 2 N.
Sau 1 min, và trong khi vỏ che vẫn bị ép, dưỡng lọt tương ứng phải lọt vào ổ nối liên kết. Trong trường hợp có nghi ngờ và trong trường hợp không có dưỡng thì phải đo kích thước bên trong của vỏ che. Kích thước này phải phù hợp với tờ rời tiêu chuẩn.
Lặp lại thử nghiệm với mẫu thử được quay 90°.
24. Khả năng chịu nhiệt và lão hóa
Áp dụng điều này của Phần 1.
25. Vít, bộ phận mang dòng và mối nối
Áp dụng điều này của phần 1.
26. Khe hở không khí, chiều dài đường rò và khoảng cách qua cách điện
Áp dụng điều này của Phần 1, ngoài ra:
Sửa đổi:
Thay đoạn đầu tiên về nội dung giải thích nằm dưới bảng bằng nội dung dưới đây.
Thuật ngữ “bộ phận kim loại chạm tới được” gồm:
- lá kim loại tiếp xúc với bề mặt bên ngoài của vật liệu cách điện của ổ nối liên kết;
- lá kim loại tiếp xúc với bề mặt bên ngoài của vật liệu cách điện của phích nối liên kết chạm tới được khi chân cắm nằm trong mối nối điện với tiếp điểm của ổ nối liên kết tương ứng.
Xóa đoạn cuối cùng về quy định kỹ thuật của thử nghiệm.
27. Khả năng chịu nhiệt, cháy và phóng điện bề mặt của vật liệu cách điện
Áp dụng điều này của Phần 1, ngoài ra:
27.2. Không áp dụng.
28. Khả năng chống gỉ
Áp dụng điều này của Phần 1.
29. Yêu cầu về tương thích điện từ (EMC)
Áp dụng điều này của Phần 1.
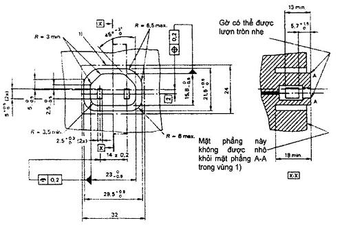
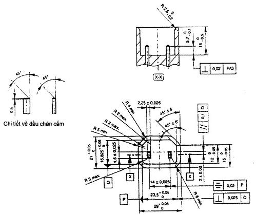
TỜ RỜI TIÊU CHUẨN A
ĐẦU PHÍCH CẮM 2,5 A ĐỐI VỚI THIẾT BỊ CẤP I
(Chỉ dùng cho loại không thay dây được)
Kích thước tính bằng milimét

Đường bao 1) của phần mặt trước không được bị vượt quá hoặc giảm bớt, ở điểm bất kỳ, trong phạm vi khoảng cách từ bề mặt tiếp giáp là 16,5 mm.
Đường bao 2) của phần phía sau không được bị vượt quá trong mặt cắt bất kỳ vuông góc với trục của phích nối liên kết, ngoại trừ, đối với phích nối liên kết có dây dẫn vào từ phía bên và đối với phích nối liên kết kết hợp cùng các phụ kiện khác, không áp dụng giới hạn này theo hướng của trục dây dẫn hoặc của cơ cấu tác động.
Ngoại trừ các kích thước đã cho, thiết kế không buộc phải tuân thủ bản vẽ này.
Đối với các ký hiệu chỉ ra dung sai của hình dạng hoặc vị trí, xem ISO 1101.
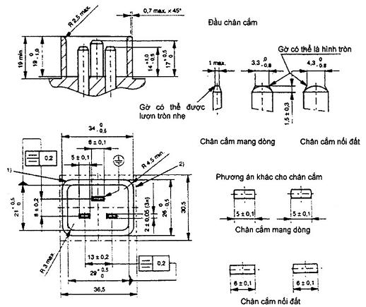
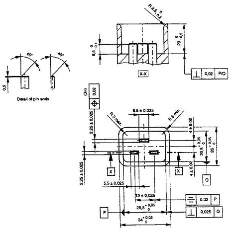
TỜ RỜI TIÊU CHUẨN B
Ổ CẮM THIẾT BỊ 2,5 A ĐỐI VỚI THIẾT BỊ CẤP I
Kích thước tính bằng milimét

Ngoại trừ các kích thước đã cho, thiết kế không buộc phải tuân thủ bản vẽ này.
Đối với các ký hiệu chỉ ra dung sai của hình dạng hoặc vị trí, xem ISO 1101.
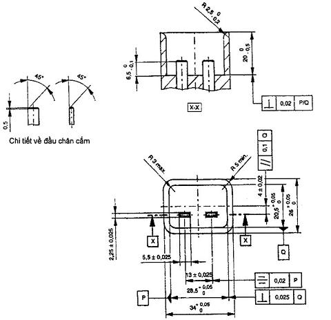
TỜ RỜI TIÊU CHUẨN C
ĐẦU PHÍCH CẮM 2,5 A ĐỐI VỚI THIẾT BỊ CẤP II
(Chỉ dùng cho loại không thay dây được)
Kích thước tính bằng milimét

Đường bao 1) của phần mặt trước không được bị vượt quá hoặc giảm bớt, ở điểm bất kỳ, trong phạm vi khoảng cách từ bề mặt tiếp giáp là 14,5 mm.
Đường bao 2) của phần phía sau không được bị vượt quá trong mặt cắt bất kỳ vuông góc với trục của phích nối liên kết, ngoại trừ, đối với phích nối liên kết có dây dẫn vào từ phía bên và đối với phích nối liền kết kết hợp cùng các phụ kiện khác, không áp dụng giới hạn này theo hướng của trực dây dẫn hoặc của cơ cấu tác động.
Ngoại trừ các kích thước đã cho, thiết kế không buộc phải tuân thủ bản vẽ này.
Đối với các ký hiệu chỉ ra dung sai của hình dạng hoặc vị trí, xem ISO 1101.
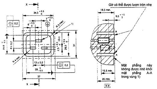
TỜ RỜI TIÊU CHUẨN D
Ổ CẮM THIẾT BỊ 2,5 A ĐỐI VỚI THIẾT BỊ CẤP II
Kích thước tính bằng milimét

Ngoại trừ các kích thước đã cho, thiết kế không buộc phải tuân thủ bản vẽ này.
Đối với các ký hiệu chỉ ra dung sai của hình dạng hoặc vị trí, xem ISO 1101.
TỜ RỜI TIÊU CHUẨN E
ĐẦU PHÍCH CẮM 10 A ĐỐI VỚI THIẾT BỊ CẤP I
Kích thước tính bằng milimét

Đường bao 1) của phần mặt trước không được bị vượt quá hoặc giảm bớt, ở điểm bất kỳ, trong phạm vi khoảng cách từ bề mặt tiếp giáp là 17 mm.
Đường bao 2) của phần phía sau không được bị vượt quá trong mặt cắt bất kỳ vuông góc với trục của phích nối liên kết, ngoại trừ, đối với phích nối liên kết có dây dẫn vào từ phía bên và đối với phích nối liên kết kết hợp cùng các phụ kiện khác, không áp dụng giới hạn này theo hướng của trục dây dẫn hoặc của cơ cấu tác động.
Ngoại trừ các kích thước đã cho, thiết kế không buộc phải tuân thủ bản vẽ này.
Đối với các ký hiệu chỉ ra dung sai của hình dạng hoặc vị trí, xem ISO 1101.
TỜ RỜI TIÊU CHUẨN F
Ổ CẮM THIẾT BỊ 10 A ĐỐI VỚI THIẾT BỊ CẤP I
Kích thước tính bằng milimét

Ngoại trừ các kích thước đã cho, thiết kế không buộc phải tuân thủ bản vẽ này. Đối với các ký hiệu chỉ ra dung sai của hình dạng hoặc vị trí, xem ISO 1101.
TỜ RỜI TIÊU CHUẨN G
ĐẦU PHÍCH CẮM 10 A ĐỐI VỚI THIẾT BỊ CẤP II
(chỉ dùng cho loại không thay dây được)
Kích thước tính bằng milimét

Đường bao 1) của phần mặt trước không được bị vượt quá hoặc giảm bớt, ở điểm bất kỳ, trong phạm vi khoảng cách từ bề mặt tiếp giáp là 17 mm.
Đường bao 2) của phần phía sau không được bị vượt quá trong mặt cắt bất kỳ vuông góc với trục của phích nối liên kết, ngoại trừ, đối với phích nối liên kết có dây dẫn vào từ phía bên và đối với phích nối liên kết kết hợp cùng các phụ kiện khác, không áp dụng giới hạn này theo hướng của trục dây dẫn hoặc của cơ cấu tác động.
Ngoại trừ các kích thước đã cho, thiết kế không buộc phải tuân thủ bản vẽ này.
Đối với các ký hiệu chỉ ra dung sai của hình dạng hoặc vị trí, xem ISO 1101.
TỜ RỜI TIÊU CHUẨN H
Ổ CẮM THIẾT BỊ 10 A ĐỐI VỚI THIẾT BỊ CẤP II
Kích thước tính bằng milimét

Ngoại trừ các kích thước đã cho, thiết kế không buộc phải tuân thủ bản vẽ này.
Đối với các ký hiệu chỉ ra dung sai của hình dạng hoặc vị trí, xem ISO 1101.
TỜ RỜI TIÊU CHUẨN I
ĐẦU PHÍCH CẮM 16 A ĐỐI VỚI THIẾT BỊ CẤP I
Kích thước tính bằng milimét

Đường bao 1) của phần mặt trước không được bị vượt quá hoặc giảm bớt, ở điểm bất kỳ, trong phạm vi khoảng cách từ bề mặt tiếp giáp là 19 mm.
Đường bao 2) của phần phía sau không được bị vượt quá trong mặt cắt bất kỳ vuông góc với trục của phích nối liên kết, ngoại trừ, đối với phích nối liên kết có dây dẫn vào từ phía bên và đối với phích nối liên kết kết hợp cùng các phụ kiện khác, không áp dụng giới hạn này theo hướng của trục dây dẫn hoặc của cơ cấu tác động,
Ngoại trừ các kích thước đã cho, thiết kế không buộc phải tuân thủ bản vẽ này.
Đối với các ký hiệu chỉ ra dung sai của hình dạng hoặc vị trí, xem ISO 1101.
TỜ RỜI TIÊU CHUẨN J
Ổ CẮM THIẾT BỊ 16 A ĐỐI VỚI THIẾT BỊ CẤP I
Kích thước tính bằng milimét

Ngoại trừ các kích thước đã cho, thiết kế không buộc phải tuân thủ bản vẽ này.
Đối với các ký hiệu chỉ ra dung sai của hình dạng hoặc vị trí, xem ISO 1101.
TỜ RỜI TIÊU CHUẨN K
ĐẦU PHÍCH CẮM 16 A ĐỐI VỚI THIẾT BỊ CẤP II
Kích thước tính bằng milimét

Đường bao 1) của phần mặt trước không được bị vượt quá hoặc giảm bớt, ở điểm bất kỳ, trong phạm vi khoảng cách từ bề mặt tiếp giáp là 19 mm.
Đường bao 2) của phần phía sau không được bị vượt quá trong mặt cắt bất kỳ vuông góc với trục của phích nối liên kết, ngoại trừ, đối với phích nối liên kết có dây dẫn vào từ phía bên và đối với phích nối liên kết kết hợp cùng các phụ kiện khác, không áp dụng giới hạn này theo hướng của trục dây dẫn hoặc của cơ cấu tác động.
Ngoại trừ các kích thước đã cho, thiết kế không buộc phải tuân thủ bản vẽ này.
Đối với các ký hiệu chỉ ra dung sai của hình dạng hoặc vị trí, xem ISO 1101.
TỜ RỜI TIÊU CHUẨN L
Ổ CẮM THIẾT BỊ 16 A ĐỐI VỚI THIẾT BỊ CẤP II
Kích thước tính bằng milimét

Ngoại trừ các kích thước đã cho, thiết kế không buộc phải tuân thủ bản vẽ này.
Đối với các ký hiệu chỉ ra dung sai của hình dạng hoặc vị trí, xem ISO 1101.
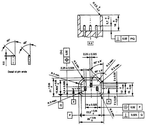
Kích thước tính bằng milimét

Dưỡng và chân cảm: thép tối
Phải có khả năng ấn phích nối hoàn toàn vào dưỡng với một lực không quá 60 N.
Khuyến cáo rằng dưỡng phải có lỗ hở để kiểm tra xem phích nối có được ấn hoàn toàn vào không.
Đối với các ký hiệu chỉ thị dung sai của hình dạng hoặc của vị trí, xem ISO 1101.
Hình 101 - Dưỡng “LỌT” đối với ổ nối liên kết trong tờ rời tiêu chuẩn F (xem 8.1)
Kích thước tính bằng milimét

Dưỡng và chân cắm: thép tôi
Phải có khả năng ấn phích nối hoàn toàn vào dưỡng với một lực không quá 60 N.
Khuyến cáo rằng dưỡng phải có lỗ hở để kiểm tra xem phích nối có được ấn hoàn toàn vào không.
Đối với các ký hiệu chỉ thị dung sai của hình dạng hoặc của vị trí, xem ISO 1101.
Hình 102 - Dưỡng “LỌT” đối với ổ nối liên kết trong tờ rời tiêu chuẩn H (xem 8.1)
Kích thước tính bằng milimét

Dưỡng và chân cắm: thép tôi
Phải có khả năng ấn phích nối hoàn toàn vào dưỡng với một lực không quá 60 N.
Khuyến cáo rằng dưỡng phải có lỗ hở để kiểm tra xem phích nối có được ấn hoàn toàn vào không.
Đối với các ký hiệu chỉ thị dung sai của hình dạng hoặc của vị trí, xem ISO 1101.
Hình 103 - Dưỡng “LỌT” đối với ổ nối liên kết trong tờ rời tiêu chuẩn J (xem 8.1)
Kích thước tính bằng milimét

Dưỡng và chân cắm: thép tôi
Phải có khả năng ấn phích nối hoàn toàn vào dưỡng với mặt lực không quá 60 N.
Khuyến cáo rằng dưỡng phải có lỗ hở để kiểm tra xem phích nối có được ấn hoàn toàn vào không.
Đối với các ký hiệu chỉ thị dung sai của hình dạng hoặc của vị trí, xem ISO 1101.
Hình 104 - Dưỡng “LỌT” đối với ổ nối liên kết trong tờ rời tiêu chuẩn L (xem 8.1)
MỤC LỤC
Lời nói đầu
1. Phạm vi áp dụng
2. Tài liệu viện dẫn
3. Định nghĩa
4. Yêu cầu chung
5. Lưu ý chung đối với các thử nghiệm
6. Thông số đặc trưng tiêu chuẩn
7. Phân loại
8. Ghi nhãn
9. Kích thước và tính tương thích
10. Bảo vệ chống điện giật
11. Quy định cho nối đất
12. Đầu nối và đầu cốt
13. Kết cấu
14. Khả năng chống ẩm
15. Điện trở cách điện và độ bền điện
16. Lực cần thiết để cắm và rút phích nối liên kết
17. Hoạt động của tiếp điểm
18. Khả năng chịu nhiệt của bộ nối liên kết trong điều kiện nóng hoặc điều kiện rất nóng
19. Khả năng cắt
20. Hoạt động bình thường
21. Độ tăng nhiệt
22. Dây dẫn và nối dây
23. Độ bền cơ
24. Khả năng chịu nhiệt và lão hóa
25. Vít, bộ phận mang dòng và mối nối
26. Chiều dài đường rò, khe hở không khí và khoảng cách qua cách điện
27. Khả năng chịu nhiệt, cháy và phóng điện bề mặt của vật liệu cách điện
28. Khả năng chống gỉ
29. Yêu cầu về tương thích điện từ (EMC)
1 Đã có TCVN 10899-1:2015 hoàn toàn tương đương với IEC 60320-1:2015